Đề thi chọn học sinh giỏi tỉnh Long An môn Vật lý lớp 12 - Vòng 1, bảng A (có đáp án)
Vndoc.com xin giới thiệu đến các bạn: Đề thi chọn học sinh giỏi tỉnh Long An môn Vật lý lớp 12 - Vòng 1, bảng A (có đáp án).
Đề thi chọn học sinh giỏi môn Vật lý:
| SỞ GIÁO DỤC VÀ ĐÀO TẠO LONG AN (Đề thi chính thức) |
KỲ THI CHỌN HỌC SINH GIỎI LỚP 12 CẤP TỈNH - VÒNG 1 Ngày thi: 06 / 10 / 2011 Môn thi: VẬT LÝ Bảng: A Thời gian làm bài: 180 phút (Không kể thời gian phát đề) |
Câu 1: (3 điểm)
Một vật nặng được treo vào giá đỡ bằng hai dây khối lượng không đáng kể và không dãn AB và AC hợp với phương ngang góc và như hình vẽ. Tính khối lượng lớn nhất của vật treo. Cho biết dây treo chỉ chịu được lực kéo tối đa (mà không bị đứt) bằng 300N. Lấy g= 10m/s2

Câu 2: (3 điểm)
Một quả cầu có thể tích V = 0,1 m3 được làm bằng giấy mỏng. Quả cầu có một lỗ hở nhỏ bên dưới và qua lỗ hở này người ta có thể đốt nóng không khí trong quả cầu đến nhiệt độ T2 = 400K, còn nhiệt độ của không khí xung quanh là T1 = 300K, Áp suất của không khí bên trong và bên ngoài của quả cầu bằng nhau và có giá trị là p = 100kPa .
Hỏi vỏ bằng giấy của quả cầu có khối lượng như thế nào để quả cầu có thể bay lên? Coi không khí như một chất khí thuần nhất có khối lượng riêng bằng 1,29kg/m3 ở điều kiện chuẩn ( p0 = 1,013.105 Pa , T0 = 273K )
Câu 3 : ( 3 điểm )
Hai quả cầu nhỏ bằng kim loại có cùng kích thước và cùng khối lượng m = 90g, được treo cùng tại một điểm bằng hai sợi dây mãnh cách điện có cùng chiều dài = 1,5 m .
a) Truyền cho hai quả cầu ( đang nằm cân bằng ) một điện tích q = 4,8.10-7 C thì thấy hai quả cầu tách ra xa nhau một đoạn a. Xác định a. Xem góc lệch của các sợi dây so với phương thẳng đứng là rất nhỏ
b) Vì một lí do nào đó một trong hai quả cầu đó bị mất hết điện tích đã truyền cho nó. Khi đó sẽ xảy ra hiện tượng gì? Tìm khoảng cách mới giữa hai quả cầu đó. Lấy g = 10 m/s2.
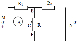
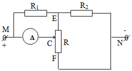
Câu 4: (3 điểm)
Cho mạch điện như hình vẽ:

Biết UMN = 12 V; R1 = 18; R2 = 9
R là biến trở có tổng điện trở của đoạn CE và CF là 36 .Bỏ qua điện trở của Ampe kế và các dây nối.
Xác định vị trí con chạy C của biến trở để:
a)Ampe kế chỉ 1A.
b)Cường độ dòng điện chạy qua đoạn CE bằng cường độ dòng điện chạy qua đoạn CF của biến trở R?
Câu 5. (3 điểm)
Một ròng rọc kép gồm hai hình trụ đặc đồng chất đặt đồng tâm. Hình trụ lớn có khối lượng M = 200g, bán kính R = 10cm, hình trụ nhỏ có khối lượng m = 100g, bán kính r = 5cm. Trên rãnh của từng hình trụ có quấn một sợi dây nhẹ không dãn, đầu tự do mỗi dây mang vật khối lượng lần lượt là m1 = 250g và m2 = 200g (hình vẽ). Ban đầu hệ đứng yên, thả cho hệ chuyển động.
a) Tính gia tốc của từng vật
b) Tính lực căng của mỗi dây treo.

Câu 6 (3 điểm)
Cho thấu kính hội tụ L1 có tiêu cự f1 = 10 cm được ghép đồng trục với thấu kính hội tụ L2 có tiêu cự f2 = 20cm .
a) Thấu kính L1 cách L2 một khoảng a = 30cm .Một vật thật AB ở trước L1 cách L1 là 20cm. Chùm sáng từ vật qua L1 rồi qua L2. Tìm vị trí và số phóng đại ảnh của hệ?
b) Đặt L2 sát với L1. Chứng tỏ hệ thấu kính này tương đương với một thấu kính L. Hỏi tính chất và tiêu cự của thấu kính tương đương này?
c) Giữ nguyên vị trí của AB và L1, thay đổi khoảng cách giữa hai thấu kính. Hỏi khoảng cách a giữa hai thấu kính là bao nhiêu để ảnh của AB cho bởi hệ thấu kính là ảnh ảo?
Câu7 (2 điểm)
Cho các dụng cụ sau:
- Một bóng đèn 220V -15W
- Một bóng đèn 220-100W
- Một khóa K ( đóng ngắt điện đơn)
- Dây nối
Hãy mắc một mạch điện sao cho: khi K đóng thì đèn này sáng, đèn kia tối và khi K ngắt thì hai đèn tối sáng ngược lại. Giải thích hiện tượng này?