Đề thi giáo viên giỏi môn Công nghệ cấp THPT trường THPT Thuận Thành 1, Bắc Ninh năm học 2014 - 2015
Đề thi giáo viên giỏi môn Công nghệ cấp THPT
Đề thi giáo viên giỏi môn Công nghệ cấp THPT trường THPT Thuận Thành 1, Bắc Ninh năm học 2014 - 2015 được VnDoc.com sưu tầm và đăng tải, giúp thầy cô có tài liệu ôn tập, luyện tập nhằm nắm vững được những kiến thức, kĩ năng cơ bản, đồng thời vận dụng kiến thức để giải các dạng đề kiểm tra một cách thuận lợi và tự kiểm tra đánh giá kết quả của mình. Mời quý thầy cô cùng tham khảo.
Đề thi giáo viên giỏi môn Sinh học cấp THPT trường THPT Thuận Thành 1, Bắc Ninh năm học 2014 - 2015
Đề thi giáo viên giỏi môn Hóa học cấp THPT trường THPT Thuận Thành 1, Bắc Ninh năm học 2014 - 2015
| SỞ GIÁO DỤC & ĐÀO TẠO BẮC NINH TRƯỜNG THPT THUẬN THÀNH SỐ 1 ĐỀ CHÍNH THỨC |
ĐỀ THI GIÁO VIÊN GIỎI CẤP TRƯỜNG Năm học 2014 – 2015 Môn thi: CNCN - THPT Thời gian làm bài: 120 phút (không kể thời gian giao đề) |
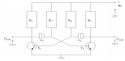
Câu 1: (2.0 điểm)
Cho mạch tạo xung đa hài như hình vẽ:

a) Giải thích nguyên lý làm việc của mạch?
b) Cho R1 = R2, R3 = 47kΩ, R4 = 100kΩ, C1 = C2 = 10µF
- Xác định dạng tín hiệu ra dưới đây là của Ura nào? Giải thích?
- So sánh độ rộng của xung τ2 với độ rộng của xung τ1.

Câu 2: (3.0 điểm)
Cho vật thể có 2 hình chiếu (hình vẽ):

a) Vẽ hình chiếu thứ 3?
b) Vẽ hình chiếu trục đo và cắt ¼ vật?
Câu 3: (2.0 điểm)
a) Nêu cấu tạo và nguyên lý làm việc của động cơ xăng 2 kỳ?
b) Tại sao đỉnh Pittông của động cơ 2 kỳ thường chế tạo lồi?
Câu 4. (3.0 điểm)
Trên nhãn gắn ở vỏ của động cơ DK-42-4.28 kW có ghi: ∆/Υ-220/380 V-10,5/6,1A;1420 vòng/phút; η% = 0,84; cosφ = 0,9;50Hz.
- Hãy giải thích các số liệu trên của động cơ?
- Nếu nguồn ba pha có Ud = 220V thì phải đấu dây của động cơ theo kiểu nào? Vẽ cách đấu dây đó?
- Trình bày cách đổi chiều quay của động cơ trên?
Đáp án đề thi giáo viên giỏi môn Công nghệ cấp THPT
Câu 1: (2.0 điểm)
a) Giải thích nguyên lý làm việc của mạch. (1 điểm)
b) Tín hiệu ra là tín hiệu của Ura2 (0.5 điểm)
So sánh độ rộng của xung (0.5 điểm)
Câu 2: (3.0 điểm)
- Vẽ đúng hình chiếu cạnh. (1 điểm)
- Vẽ đúng hình chiếu trục đo. (1 điểm)
- Cắt được ¼ vật. (1 điểm)
Câu 3: (2.0 điểm)
- Nêu được cấu tạo (Hình vẽ - chú thích). (0.5 điểm)
- Nguyên lý làm việc. (1 điểm)
- Giải thích đỉnh của pittông. (0.5 điểm)
Câu 4. (3.0 điểm)
a. ∆/Υ-220/380 V-10,5/6,1A:
Nếu Ud của lưới là 220V thì đấu hình tam giác ∆ và dòng điện vào động cơ là 10,5A.
Nếu Ud của lưới là 380V thì đấu hình sao Υ và dòng điện vào động cơ là 6,1A.
1420 vòng/phút: Tốc độ quay của rôto n
η% = 0,84: Hiệu suất 84%
cosφ = 0,9: Hệ số công suất
50Hz: Tần số của lưới điện
b. Nếu Ud = 220V thì phải đấu hình tam giác (Vẽ hình chi tiết)
c. Muốn đổi chiều quay của động cơ trên ta phải đảo hai pha bất kì cho nhau (Vẽ hình minh họa)