Đề thi học kì 2 môn Công nghệ lớp 9 trường THCS Long Hưng, Sóc Trăng năm học 2016 - 2017
Đề thi học kì 2 môn Công nghệ lớp 9
Đề thi học kì 2 môn Công nghệ lớp 9 trường THCS Long Hưng, Sóc Trăng năm học 2016 - 2017. Đề thi gồm có 12 câu hỏi trắc nghiệm chiếm 30% số điểm, 3 câu hỏi tự luận chiếm 70% số điểm, thời gian để các bạn học sinh hoàn thiện bài thi của mình là 60 phút. Phần đáp án và thang điểm đã được chúng tôi cập nhật đầy đủ và chính xác.
Đề thi học kì 2 môn Công nghệ lớp 9 trường THCS Ngô Quyền, Gia Lai năm học 2016 - 2017
Đề thi học kì 2 môn Công nghệ lớp 9 trường THCS Bình Giang, Hòn Đất năm 2015 - 2016
| PHÒNG GD&ĐT MỸ TÚ TRƯỜNG THCS LONG HƯNG |
ĐỀ KIỂM TRA HỌC KỲ II NĂM HỌC: 2016 - 2017 MÔN: CÔNG NGHỆ 9 Thời gian: 60 phút (Không kể thời gian phát đề) |
I. TRẮC NGHIỆM (3.0 điểm)
Khoanh tròn vào chữ cái đứng trước câu trả lời đúng nhất:
Câu 1. Mạng điện lắp đặt kiểu ngầm có nhược điểm nào?
A. Khó sửa chữa.
B. Tránh được ảnh huởng xấu của môi trường.
C. Dễ sửa chữa.
D. Mĩ thuật.
Câu 2. Mạch điện dùng 1công tắc 3 cực điều khiển 2 đèn nhằm mục đích?
A. Chỉ để chiếu sáng bình thường.
B. Sử dụng lắp đặt mạch điện cầu thang.
C. Để an toàn điện.
D. Chuyển đổi thắp sáng luân phiên 2 đèn.
Câu 3. Phát biểu nào sau đây là đúng với yêu cầu kĩ thuật của mạng điện lắp đặt dây dẫn kiểu nổi?
A. Bảng điện phải cách mặt đất tối thiểu từ 0.5m - 1 m.
B. Đường dây dẫn song song với vật kiến trúc.
C. Tổng tiết diện của dây dẫn trong ống phải vuợt quá 40% tiết diện ống.
D. Khi dây dẫn đổi hướng hoặc phân nhánh không cần phải thêm kẹp ống.
Câu 4. Công dụng của ống nối tiếp:
A. Nối 2 ống vuông góc với nhau.
B. Được dùng để nối tiếp 2 ống luồn dây với nhau.
C. Được sử dụng để phân nhánh dây dẫn.
D. Kẹp đỡ ống.
Câu 5. Kẹp đỡ ống luồn dây dẫn dùng để:
A. Nối 2 ống vuông góc.
B. Cố định ống luồn dây dẫn.
C. Nối tiếp 2 ống luồn dây lại với nhau.
D. Để phân nhánh dây dẫn.
Câu 6. Công dụng của ống chữ T là:
A. Được dùng để phân nhánh dây dẫn mà không sử dụng nối rẽ.
B. Được sử dụng để phân nhánh dây dẫn.
C. Để dùng để nối tiếp 2 ống luồn dây.
D. Được dùng khi nối 2 ống luồn dây vuông góc với nhau.
Câu 7. Khi bật công tắc về vị trí 1 đèn 1 sáng, đèn 2 tắt và ngược lại là nói về nguyên lí của mạch điện nào?
A. Mạch điện 2 công tắc 2 cực điều khiển 2 đèn.
B. Không có mạch điện nào.
C. Mạch điện 2 công tắc 3 cực điều khiển 1 đèn
D. Mạch điện 1 công tắc 3 cực điều khiển 2 đèn.
Câu 8. Bảng điện của mạng điện trong nhà phải cách mặt đất tối thiểu là bao nhiêu?
A. 1 m - 2 m. B. 1,3 m - 1,5 m.
C. 2,3 m - 3,3 m. D. 0,5 m - 1 m.
Câu 9. Biện pháp nào sau là sai khi kiểm tra cầu chì?
A. Cầu chì được lắp ở dây pha, bảo vệ cho các thiết bị và đồ dùng điện.
B. Cầu chì không cần có nắp che, để hở.
C. Kiểm tra sự phù hợp của số liệu định mức cầu chì.
D. Cầu chì phải có nắp che, để hở.
Câu 10. Các thiết bị cơ bản dùng để lắp mạch điện đèn cầu thang gồm có:
A. 1 cầu chì, 2 công tắc 3 cực, 2 đèn.
B. 1 cầu chì, 2 công tắc 3 cực, 1 đèn.
C. 2 cầu chì, 1 công tắc đơn, 1 công tắc 3 cực, 1 đèn.
C. 2 cầu chì, 2 công tắc đơn, 1 công tắc 3 cực, 2 đèn.
Câu 11. Quy trình lắp mạch điện hai công tắc 2 cực điều khiển 2 đèn:
A. Vạch dấu → khoan lỗ → lắp TBĐ của BĐ → nối dây mạch điện → kiểm tra.
B. Vạch dấu → khoan lỗ → lắp TBĐ của BĐ → kiểm tra → nối dây mạch điện.
C. Vạch dấu → lắp TBĐ của BĐ → khoan lỗ → nối dây mạch điện → kiểm tra.
D. Lắp TBĐ của BĐ → vạch dấu → khoan lỗ → nối dây mạch điện → kiểm tra.
Câu 12. Việc nào sau đây em cho là đúng?
A. Thả diều gần dây điện.
B. Nối đất các thiết bị có vỏ bằng kim loại.
C. Dùng điện đánh chuột.
D. Buộc trâu bò vào chân cây cột điện.
II. TỰ LUẬN (7,0 điểm)
Câu 1. (3,0 điểm) Trình bày các yêu cầu kĩ thuật của phương pháp lắp đặt đường dây mạng điện kiểu nổi? So sánh đặc điểm của phương pháp lắp đặt đường dây kiểu nổi và kiểu ngầm?
Câu 2. (1,0 điểm) Nêu các bước vẽ sơ đồ lắp đặt mạch điện?
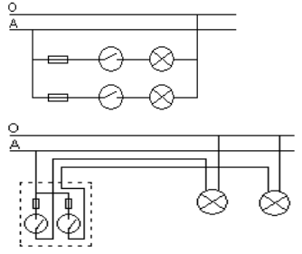
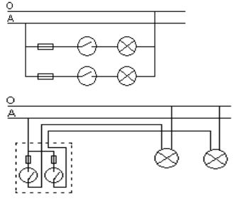
Câu 3. (3,0 điểm) Thiết kế mạch điện gồm 1 cầu chì, 2 công tắc 2 cực điều khiển 2 bóng đèn? (Vẽ sơ đồ nguyên lí, vẽ sơ đồ lắp đặt)
Đáp án đề thi học kì 2 môn Công nghệ lớp 9
I. TRẮC NGHIỆM: (3,0 điểm) Mỗi câu đúng được 0.25 điểm
|
Câu |
1 |
2 |
3 |
4 |
5 |
6 |
7 |
8 |
9 |
10 |
11 |
12 |
|
Đáp án |
A |
D |
D |
C |
B |
B |
B |
A |
D |
D |
B |
B |
II. TỰ LUẬN: (7,0 điểm)
|
Câu |
Đáp án |
Điểm |
||||||||
|
Câu 1 |
- Dây dẫn được lắp đặt nổi trên các vật cách điện đặt dọc theo trần nhà, cột, dầm xà. - Các vật cách điện là: Puli sứ, máng gỗ, ống cách điện và các phụ kiện phù hợp. - Tránh được tác động xấu của môi trường đến dây dẫn điện và dễ sửa chữa. - So sánh
|
0.5đ 0.5đ 0.5đ
0.5đ
0.5đ
0.5đ |
||||||||
|
Câu 2 |
- Vẽ đường dây nguồn. - Xác định vị trí để bảng điện, bóng đèn. - Xác định các thiết bị điện trên bảng điện. - Vẽ đường dây theo sơ đồ nguyên lí. |
0.25đ 0.25đ 0.25đ 0.25đ |
||||||||
|
Câu 3 |
![]() |
2.0đ
1.0đ |
