Đề thi học sinh giỏi lớp 9 THCS tỉnh Thanh Hóa năm học 2010 - 2011 môn Vật lý (Có đáp án)
SỞ GIÁO DỤC VÀ ĐÀO TẠO
|
KỲTHI CHỌN HỌC SINH GIỎI LỚP 9 THCS
|
MÔN THI: VẬT LÝ
Thời gian làm bài: 150 phút (không kể thời gian giao đề)
--------------------------------------------------------------------------------
Câu 1. (3 điểm)
1. Một bàn là điện khi được sử dụng với hiệu điện thế 220V thì dòng điện chạy qua bàn là có cường độ là 5A.
a. Tính nhiệt lượng tỏa ra trên bàn là trong thời gian 20 phút.
b. Tính tiền điện phải trả cho việc sử dụng bàn là trên trong 30 ngày, mỗi ngày 20 phút, biết rằng giá điện là 1200đồng/kWh.
2. Khi truyền tải điện năng đi xa có một phần điện năng bị hao phí do sự tỏa nhiệt trên đường dây. Để giảm công suất hao phí 100 lần có những cách nào? Cách nào lợi hơn? Vì sao?
Câu 2. (4 điểm)
Một chiếc xe khởi hành từ A lúc 8 giờ 15 phút để đi tới B. Quãng đường AB dài 100km. Xe cứ chạy 15 phút thì dừng lại 5 phút. Trong 15 phút đầu xe chạy với tốc độ không đổi v1 = 10km/h, các 15 phút tiếp theo xe chạy với tốc độ lần lượt là 2v1, 3v1, 4v1, 5v1…, nv1.
a. Tính tốc độ trung bình của xe trên quãng đường AB.
b. Xe tới B lúc mấy giờ?
Câu 3. (4 điểm)
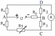
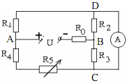
Cho mạch điện như hình vẽ. Đặt vào mạch hiệu điện thế U = 2V, các điện trở R0 = 0,5Ω; R1 = 1Ω; R2 = 2Ω; R3 = 6Ω; R4 = 0,5Ω; R5 là một biến trở có giá trị lớn nhất là 2,5Ω. Bỏ qua điện trở của ampe kế và dây nối. Thay đổi giá trị của R5, xác định giá trị của R5 để:

a. Ampe kế A chỉ 0,2A.
b. Ampe kế A chỉ giá trị lớn nhất.
Câu 4. (4 điểm)
Có hai bình mỗi bình đựng một chất lỏng nào đó. Một học sinh lần lượt múc từng ca chất lỏng ở bình 2 trút vào bình 1 và ghi lại nhiệt độ cân bằng ở bình 1 sau mỗi lần trút thứ tự là 200C, 350C, bỏ sót một lần không ghi, rồi 500C. Hãy tính nhiệt độ khi có cân bằng nhiệt ở lần bị bỏ sót không ghi đó và nhiệt độ của mỗi ca chất lỏng lấy từ bình 2 trút vào. Coi nhiệt độ và khối lượng của mỗi ca chất lỏng lấy từ bình 2 đều như nhau, bỏ qua sự trao đổi nhiệt với môi trường.
Câu 5. (5 điểm)
Cho một thấu kính L, biết vị trí của các tiêu điểm F, F’; quang tâm O; trục chính xx’; ảnh S’ và chiều truyền của ánh sáng theo chiều mũi tên (hình vẽ)

a. Dùng đường đi của các tia sáng qua thấu kính xác định vị trí vật S và loại thấu kính.
b. Biết tiêu cự f của thấu kính L có độ lớn 12cm và khoảng cách từ S’ đến thấu kính L là 6cm. Hãy xác định khoảng cách từ vật S đến thấu kính L.