Đề thi nghề THPT tỉnh Đăk Nông năm 2010 - 2011 môn Điện Dân Dụng - Thực hành
SỞ GIÁO DỤC VÀ ĐÀO TẠO
|
KỲ THI NGHỀ PHỔ THÔNG NĂM 2010-2011
|
MÔN THI: ĐIỆN DÂN DUNG
PHẦN: THỰC HÀNH
Thời gian làm bài: 60 phút (không kể thời gian giao đề)
Thí sinh được chọn 1 trong 4 đề sau
--------------------------------------------------------------------------------
Đề 1: (10 điểm)
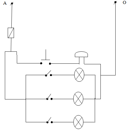
Vẽ sơ đồ nguyên lý và lắp ráp mạch điện gồm 1 cầu chì bảo vệ toàn mạch, 1 công tắc bấm điều khiển chuông điện, 3 công tắc thường điều khiển 3 bóng đèn sợi đốt ?
Đề 2: (10 điểm)
Vẽ sơ đồ nguyên lý và lắp ráp mạch điện gồm 3 cầu chì, 3 công tắc điều khiển 3 bóng đèn sợi đốt?
Đề 3: (10 điểm)
Vẽ sơ đồ nguyên lý và mắc mạch gồm: một cầu chì, một ổ cắm, một công tắc điều khiển một bóng đèn.
Đề 4: (10 điểm)
Hãy tháo lắp và bảo dưỡng quạt điện.
HƯỚNG DẪN LÀM BÀI
MÔN THI: ĐIỆN DÂN DỤNG BẬC THPT
PHẦN THỰC HÀNH
Đề 1 (10 điểm)
- Vẽ sơ đồ nguyên lý mạch điện. (5 điểm)
- Lắp ráp mạch điện. (5 điểm)

Đề 2 (10 điểm)
- Vẽ sơ đồ nguyên lý mạch điện. (5 điểm)
- Lắp ráp mạch điện. (5 điểm)

Đề 3 (10 điểm)
- Vẽ sơ đồ nguyên lý mạch điện. (5 điểm)
- Lắp ráp mạch điện. (5 điểm)

Đề 4 (10 điểm)
- Tháo đúng quy cách (4 điểm)
- Bảo dưỡng đúng quy cách (2 điểm)
- Lắp ráp quạt chính xác (4 điểm)