Đề thi thử học sinh giỏi tỉnh Long An lớp 9 môn Vật lý - Đề 1
SỞ GIÁO DỤC VÀ ĐÀO TẠO
|
KỲ THI CHỌN HỌC SINH GIỎI LỚP 9 CẤP TỈNH
|
Câu 1: (4 điểm)
Lúc 7 giờ hai ô tô cùng khởi hành từ hai điểm A và B cách nhau 96km và đi ngược chiều nhau. Vận tốc của xe đi từ A là 36km/h, của xe đi từ B là 28km/h.
a. Tìm khoảng cách của hai xe lúc 8 giờ?
b. Xác định vị trí và thời điểm khi hai xe gặp nhau?
Câu 2: (4 điểm)
Có hai bình nhiệt lượng kế A và B. Bình A chứa lượng nước có khối lượng m1 và một quả cân bằng kim loại có khối lượng m2 đều có cùng nhiệt độ 74oC. Bình B chứa lượng nước có khối lượng m3 ở 20oC. Lấy quả cân nhúng chìm vào nước trong bình B, khi cân bằng nhiệt, nhiệt độ ở bình B là 24oC. Lấy quả cân nhúng chìm vào nước trong bình A, nhiệt độ bình A khi cân bằng là 72oC. Hỏi:
a. Khi lấy quả cân nhúng trở lại vào bình B lần thứ hai thì nhiệt độ bình B khi cân bằng nhiệt là bao nhiêu?
b. Còn nếu cho cả quả cân và nước trong bình A vào bình B thì nhiệt độ bình B khi cân bằng nhiệt là bao nhiêu?
c. Cho rằng chỉ có nước trong bình và các quả cân trao đổi nhiệt với nhau .
Câu 3: (5 điểm)
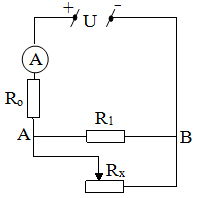
Cho mạch điện như hình vẽ:

Cho U = 16V, Ro = 4Ω, R1=12Ω, Rx là một giá trị tức thời của một biến trở đủ lớn. Ampe kế A và dây nối có điện trở không đáng kể. Tính :
a /Tính Rx sao cho công suất tiêu thụ trên Rx bằng 9W?
b/ Tính hiệu suất của mạch điện. Biết rằng tiêu hao năng lượng trên R1, Rx là có ích, trên Ro là vô ích?
c/ Với giá trị nào của Rx thì công suất tiêu thụ trên Rx là cực đại.Tính công suất đó.
Câu 4: (3 điểm)
Một ấm điện có 2 điện trở R1 và R2. Nếu chỉ dùng R1 để đun thì thời gian đun sôi nước đựng trong ấm là 10phút. Nếu chỉ dùng R2 để đun thì thời gian đun sôi nước đựng trong ấm là 15 phút. Hỏi thời gian đun sôi ấm nước trên là bao nhiêu nếu:
a. Dùng R1 và R2 mắc nối tiếp với nhau.
b. Dùng R1 và R2 mắc song song với nhau.
Bỏ qua sự mất nhiệt trong thời gian đun và các điều kiện đun nước là như nhau, Cho hiệu điện thế U là không đổi .
Câu 5: (4 điểm)
Hai vật nhỏ A1B1 và A2B2 giống nhau đặt song song và cách nhau 40cm. Đặt một thấu kính hội tụ vào trong khoảng giữa hai vật sao cho trục chính vuông góc với các vật thì vật A1B1 qua thấu kính cho ảnh ảo và vật A2B2 qua thấu kính cho ảnh thật có cùng độ cao với ảnh ảo.
a. Vẽ ảnh của hai vật qua thấu kính.
b. Tìm tiêu cự của thấu kính.
c. Chứng tỏ rằng khoảng cách giữa hai ảnh không đổi khi dịch chuyển vật.