Nguyên lý và cấu tạo máy biến áp
Tìm hiểu về nguyên lý và cấu tạo máy biến áp
VnDoc.com xin giới thiệu tới bạn đọc tài liệu: Nguyên lý và cấu tạo máy biến áp thuộc chương trình học lớp 12 môn Công nghệ để phục vụ các bạn học sinh học tập tốt hơn. Mời các bạn học sinh và thầy cô cùng tham khảo để nắm chắc kiến thức về máy biến áp.
Nguyên lý và cấu tạo máy biến áp
1. KHÁI NIỆM CHUNG VỀ MÁY BIẾN ÁP
1.1. Vai trò và công dụng
Để dẫn điện từ nhà máy phát điện đến hộ tiêu thụ cần phải có đường dây tải điện. Nếu khoảng cách từ nơi sản xuất điện đến hộ tiêu thụ lớn, một vấn đề đặt ra là việc truyền tải điện năng đi xa làm sao cho kinh tế nhất.
Dòng điện truyền tải và tổn hao công suất trên đường dây:

Cùng một công suất truyền tải trên đường dây, nếu điện áp truyền tải cao → dòng điện chạy trên đường dây nhỏ, do đó trọng lượng và chi phí dây dẫn sẽ giảm xuống, đồng thời tổn hao năng lượng trên đường dây sẽ giảm.
Vì thế, muốn truyền tải công suất lớn đi xa ít tổn hao và tiết kiệm kim loại màu người ta phải dùng điện áp cao, thường là 35, 110, 220, 500kV.
Thực tế các máy phát điện chỉ phát ra điện áp 3 ÷ 21kV, do đó phải có thiết bị tăng điện áp ở đầu đường dây. Mặt khác các hộ tiêu thụ thường yêu cầu điện áp thấp, từ 0.4 ÷ 6kV, vì vậy cuối đường dây phải có thiết bị giảm điện áp xuống.
Thiết bị dùng để tăng điện áp ở đầu đường dây và giảm điện áp cuối đường dây gọi là máy biến áp (MBA).
1.2. Định nghĩa
Máy biến áp là thiết bị điện từ tĩnh, làm việc theo nguyên lý cảm ứng điện từ, dùng để biến đổi một hệ thống dòng điện xoay chiều ở điện áp này thành một hệ thống dòng điện xoay chiều ở điện áp khác, với tần số không thay đổi.
1.3. Phân loại
1. MBA điện lực để truyền tải và phân phối công suất trong hệ thống điện lực.
2. MBA chuyên dùng sử dụng ở lò luyện kim, các thiết bị chỉnh lưu, MBA hàn ...
3. MBA tự ngẫu dùng để liên lạc trong hệ thống điện, mở máy động cơ không đồng bộ công suất lớn.
4. MBA đo lường dùng để giảm các điện áp và dòng điện lớn đưa vào các dụng cụ đo tiêu chuẩn.
5. MBA thí nghiệm dùng để thí nghiệm điện áp cao.
2. NGUYÊN LÝ LÀM VIỆC CỦA MÁY BIẾN ÁP LÝ TƯỞNG
Máy biến áp lý tưởng có các tính chất như sau:
1. Cuộn dây không có điện trở.
2. Từ thông chạy trong lõi thép móc vòng với hai dây quấn, không có từ thông tản và không có tổn hao trong lõi thép.
3. Độ từ thẩm của thép rất lớn (µ = ∞), như vậy dòng từ hoá cần phải có để sinh ra từ thông trong lõi thép là rất nhỏ không đáng kể, do vậy stđ cần để sinh ra từ thông trong lõi thép cho bằng không.
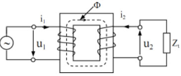
Sơ đồ nguyên lý của MBA một pha hai dây quấn

Dây quấn 1 có N1 vòng dây được nối với nguồn điện áp xoay chiều u1, gọi là dây quấn sơ cấp. Ký hiệu các đại lượng phía dây quấn sơ cấp đều có con số 1 kèm theo như u1, i1, e1.
Dây quấn 2 có N2 vòng dây cung cấp điện cho phụ tải Zt, gọi là dây quấn thứ cấp. Ký hiệu các đại lượng phía dây quấn thứ cấp đều có con số 2 kèm theo như u2, i2 , e2.
Đặt điện áp xoay chiều u1 vào dây quấn sơ cấp → có dòng i1 → từ thông Φ trong lõi thép móc vòng với cả hai dây quấn, cảm ứng các sđđ e1 và e2. Khi MBA có tải, dây quấn thứ cấp có dòng i2 ra tải với điện áp là u2. Từ thông Φ móc vòng với cả hai dây quấn gọi là từ thông chính. Giả sử điện áp u1 sin nên từ thông Φ cũng biến thiên sin, ta có:



3. CẤU TẠO MÁY BIẾN ÁP
3.1. Lõi thép MBA
Lõi thép MBA dùng để dẫn từ thông, được chế tạo bằng các vật liệu dẫn từ tốt, thường là thép kỹ thuật điện có bề dày từ 0,35 ÷ 1 mm, mặt ngoài các lá thép có sơn cách điện rồi ghép lại với nhau thành lõi thép.
Lõi thép gồm hai phần: Trụ và Gông. Trụ (T) là phần để đặt dây quấn còn gông (G) là phần nối liền giữa các trụ để tạo thành mạch từ kín.

3.2. Dây quấn MBA
Nhiệm vụ của dây quấn MBA là nhận năng lượng vào và truyền năng lượng ra.
Dây quấn MBA thường làm bằng dây đồng hoặc nhôm, tiết diện tròn hay chữ nhật, bên ngoài có bọc cách điện. Dây quấn gồm nhiều vòng dây và lồng vào trụ thép, giữa các vòng dây, giữa các dây quấn và giữa dây quấn với lõi ép đều có cách điện.
Máy biến áp thường có hai hoặc nhiều dây quấn. Khi các dây quấn đặt trên cùng một trụ thì dây quấn điện áp thấp đặt sát trụ thép còn dây quấn điện áp cao đặt bên ngoài. Làm như vậy sẽ giảm được vật liệu cách điện.
Dây quấn MBA có hai loại chính:
Dây quấn đồng tâm: có tiết diện ngang là những vòng tròn đồng tâm. Những kiểu dây quấn đồng tâm chính gồm :
+ Dây quấn hình trụ, dùng cho cả dây quấn hạ áp và cao áp;
+ Dây quấn hình xoắn, dùng cho dây quấn hạ áp có nhiều sợi chập;
+ Dây quấn hình xoáy ốc liên tục, dùng cho dây quấn cao áp, tiết diện dây dẫn chữ nhật.
Dây quấn xem kẽ: Các bánh dây cao áp và hạ áp lần lượt xen kẽ nhau dọc theo trụ thép
3.3. Vỏ MBA
Thùng MBA: Trong thùng MBA (hình 1-5) đặt lõi thép, dây quấn và dầu biến áp. Dầu biến áp làm nhiệm vụ tăng cường cách điện và tản nhiệt. Lúc MBA làm việc, một phần năng lượng tiêu hao thoát ra dưới dạng nhiệt làm dây quấn, lõi thép và các bộ phận khác nóng lên. Nhờ sự đối lưu trong dầu và truyền nhiệt từ các bộ phận bên trong MBA sang dầu và từ dầu qua vách thùng ra môi trường xung quanh.
Nắp thùng MBA: Dùng để đậy trên thùng và trên đó có các bộ phận quan trọng như:
+ Sứ ra (cách điện) của dây quấn cao áp và dây quấn hạ áp.
+ Bình dãn dầu (bình dầu phụ) có ống thủy tinh để xem mức dầu
+ Ống bảo hiểm: làm bằng thép, hình trụ nghiêng, một đầu nối với thùng, một đầu bịt bằng một đĩa thuỷ tinh. Nếu áp suất trong thùng tăng lên đột ngột, đĩa thuỷ tinh sẽ vỡ, dầu theo đó thoát ra ngoài để MBA không bị hỏng.
+ Lỗ nhỏ đặt nhiệt kế.
+ Rơle hơi dùng để bảo vệ MBA.
+ Bộ truyền động cầu dao đổi nối các đầu điều chỉnh điện áp của dây quấn cao áp.
4. CÁC ĐẠI LƯƠNG ĐỊNH MỨC CỦA MÁY BIẾN ÁP
Các đại lượng định mức qui định điều kiện kỹ thuật của máy do nhà máy chế tạo qui định và ghi trên nhãn của MBA.
1. Dung lượng (công suất định mức) Sđm (VA hay kVA) là công suất toàn phần hay biểu kiến đưa ra ở dây quấn thứ cấp của MBA.
2. Điện áp dây sơ cấp định mức U1đm (V, kV) là điện áp của dây quấn sơ cấp
3. Điện áp dây thứ cấp định mức U2đm (V hay kV) là điện áp của dây quấn thứ cấp khi MBA không tải và điện áp đặt vào dây quấn sơ là định mức U1 = U1đm.
4. Dòng điện dây sơ cấp định mức I1đm (A hay kA) và thứ cấp định mức I2đm là những dòng điện dây của dây quấn sơ cấp và thứ cấp ứng với công suất và điện áp định mức.
Đối với MBA một pha:

5. Tần số định mức fđm(Hz), MBA điện lực có tần số công nghiệp 50Hz. Ngoài ra trên nhãn MBA còn ghi các số liệu khác: tần số, số pha m, sơ đồ và tổ nối dây
5. TỔ NỐI DÂY MÁY BIẾN ÁP
5.1. Cách ký hiệu các đầu dây
Một cuộn dây có hai đầu tận cùng: một đầu gọi là đầu đầu; còn đầu kia gọi là đầu cuối. Đối với dây quấn mba một pha: đầu đầu hoặc đầu cuối chọn tùy ý.
Đối với dây quấn mba ba pha : các đầu đầu và đầu cuối chọn một cách thống nhất theo một chiều nhất định, nếu không điện áp ra của ba pha sẽ không đối xứng.
Để đơn giản và thuận tiện cho việc nghiên cứu, người ta thường đánh dấu các đầu tận cùng lên sơ đồ dây quấn của mba với qui ước sau dây:



5.3. Tổ nối dây của máy biến áp
Tổ nối dây mba được hình thành do sự phối hợp kiểu dây quấn sơ cấp so với kiểu dây quấn thứ cấp. Nó biểu thị góc lệch pha giữa sđđ dây của dây quấn sơ cấp và sđđ dây của dây quấn thứ cấp và góc lệch pha này phụ thuộc vào các yếu tố sau:
+ Chiều quấn dây,
+ Cách ký hiệu các dầu dây ra,
+ Kiểu dấu dây quấn sơ cấp và thứ cấp
Xét mba một pha có hai dây quấn: sơ cấp - AX; thứ cấp - ax. Các trường hợp xảy ra như sau :
a) Hai dây quấn cùng chiều và kí hiệu tương ứng
b) Hai dây quấn ngược chiều
c) Đổi chiều kí hiệu một trong hai dây quấn.
Tổ nối dây của mba một pha : kể từ vector sđđ sơ cấp đến vector sđđ thứ cấp theo chiều kim đồng hồ.

Tổ nối dây của mba ba pha: Ở mba ba pha, do nối Y & Δ với những thứ tự khác nhau mà góc lệch pha giữa sđđ dây sơ cấp và sđđ dây thứ cấp là 30o, 60o, 90o, .., 360o.
Thực tế không dùng độ để chỉ góc lệch pha mà dùng kim đồng hồ để biểu thị và gọi tên tổ nối dây mba, cách biểu thị như sau
+ Kim dài cố định ở con số 12, chỉ sđđ sơ cấp.
+ Kim ngắn chỉ 1,2,.., 12 ứng 30o,60o,..,360o chỉ sđđ thứ cấp
Máy biến áp ba pha nối Y/Y:
Ví dụ: mba ba pha có dây quấn sơ cấp và thứ cấp nối sao, cùng chiều quấn dây và cùng ký hiệu đầu dây thì vector sđđ pha giữa hai dây quấn hoàn toàn trùng nhau, góc lệch pha giữa hai điện áp dây sẽ bằng 360o hay 0o. Mba thuộc tổ nối dây 12 và ký hiệu là Y/Y-12 hay Y/Y-0.

Để nguyên dây quấn sơ, dịch ký hiệu dây quấn thứ a→b, b→c, c→a
ta có tổ đấu dây Y/Y-4, dịch tiếp một lần nữa ta có tổ đấu dây Y/Y-8. Nếu đổi chiều dây quấn thứ ta có tổ đấu dây Y/Y-6,10, 2. Như vậy mba khi nối Y/Y, ta có tổ nối dây là số chẵn.

Mba ba pha nối Y/Δ:
Ví dụ: mba ba pha có dây quấn sơ cấp nối sao và thứ cấp nối tam giác, cùng chiều quấn dây và ký hiệu các đầu dây thì vector sđđ pha giữa hai dây quấn hoàn toàn trùng nhau và góc lệch pha giữa hai điện áp dây sẽ bằng 330o. Mba thuộc tổ nối dây 11 và ký hiệu là Y/Δ-11.
Để nguyên dây quấn sơ cấp, dịch kí hiệu dây quấn thứ a→b, b→c, c→ a thì ta có tổ đấu dây Y/Δ-3, dịch tiếp một lần nữa ta có tổ đấu dây Y/Δ-7. Nếu đổi chiều dây quấn thứ ta có tổ đấu dây Y/Δ-5,9,1.
Như vậy mba khi nối Y/Δ, ta có tổ nối dây là số lẻ.
6. MẠCH TỪ MÁY BIẾN ÁP
6.1. Các dạng mạch từ máy biến áp
Máy biến áp một pha
+ Mạch từ kiểu lõi
+ Mạch từ kiểu bọc Máy biến áp ba pha
+ Hệ thống mạch từ riêng: Từ thông ba pha độc lập (thường gặp tổ mba ba pha từ ba mba một pha giống nhau).
+ Hệ thống mạch từ chung: Từ thông ba pha liên quan nhau (mba ba pha ba trụ)

6.2. Những hiện tượng xuất hiện khi từ hóa lõi thép MBA 

Dòng io(t) không sin, ta phân tích thành tổng sóng hình sin:
i0(t) = i01 + i03 + i05 + i07
+ ...+ io1 - sóng cơ bản (sóng bậc 1)
+ io3,5,7.. – các sóng bậc cao. Sóng bậc 5 trở lên có biên độ nhỏ, ta bỏ qua.
Như vậy chính dòng điện bậc ba io3 làm dòng io có dạng nhọn đầu. Thực chất dòng io có dạng nhọn đầu là do hiện tượng bão hòa trong lõi thép.
Có kể đến tổn hao trong lõi thép
Quan hệ Φ = f(io) cũng chính là quan hệ đường cong từ trễ B = f(H). Từ quan hệ F = f(io) và F = f(t) ta dùng phương pháp vẽ để tìm được quan hệ io = f(t)

Hình bên biểu diễn vectơ dòng điện I0 và từ thông Φm khi có kể đến tổn hao trong lõi thép. Vì dòng điện i0 không sin nên chỉ vẽ gần đúng với thành phần bậc 1.
Dòng điện không tải I0 gồm hai thành phần:
+ Iox: thành phần dòng điện phản kháng để từ hóa lõi thép.
+ Ior: thành phần dòng điện tác dụng, vuông góc với Φ.
I0 =
\(\sqrt{I^2or\ +I^2ox}\)
Thực tế I0r < 10%I0, nghĩa là góc α thường rất bé, nên dòng điện I0r không ảnh hưởng mấy đến dòng điện từ hoá và ta coi như I0x ≈ I0.
b. Máy biến áp ba pha
Khi mba không tải và xét từng pha thì dòng điện bậc ba trong các pha:
I0.3A = I0.3m sin 3wt
I0.3B = I0.3m sin 3(wt - 1200)
I0.3C = I0.3m sin 3(wt - 2400)
Từ các phương trình trên ta thấy, ba pha trùng nhau về thời gian, nghĩa là ở mọi thời điểm chiều dòng điện bậc ba trong các pha hoặc hướng từ đầu đến cuối hoặc hướng từ cuối đến đầu, tức là luôn luôn tồn tại.
Trường hợp máy biến áp nối Y/Y
Sơ cấp đấu Y nên dòng i0.3 không tồn tại, dòng i0 sẽ có dạng sin và từ thông Φ do nó sinh ra sẽ có dạng vạt đầu.
Phân tích từ thông Φ trong lõi thép thành sóng cơ bản và sóng bậc cao:
Φ = Φ1 + Φ3 + Φ5
Các sóng Φ 5,7.. nhỏ, nên có thể bỏ qua, chỉ xét Φ1 và Φ3.

Trường hợp tổ mba ba pha (Mba ba pha 5 trụ):
Loại này mạch từ riêng, nên Φ3 tồn tại và khép mạch qua lõi thép, do vậy Φ3 tương đối lớn, sđđ e3 do từ thông này sinh ra cũng lớn (E3f = (45-60)% E1f) làm cho sđđ pha tăng. Còn sđđ Ud không có thành phần e3.
Hại:
+ Chọc thủng cách điện dây quấn
+ Hư thiết bị đo lường.
+ Ảnh hưởng đường dây thông tin
Mba ba pha ba trụ
Hệ thống mạch từ chung, nên Φ3 cùng chiều. Ở mọi thời điểm từ thông Φ3 không khép mạch qua mạch từ trụ mà bị đẩy ra ngoài, và khép mạch qua môi trường có từ trở lớn, nên Φ3 không lớn lắm, như vậy xem từ thông trong mạch từ là sin, và sđđ cảm ứng ra Ef sẽ có dạng sin.
Chú ý: Φ3 khép mạch qua gông và vách thùng làm tăng tổn hao nên hiệu suất của máy giảm.

Trường hợp mba nối Δ/Y
Dây quấn sơ cấp nối Δ nên dòng io3 sẽ khép kín trong tam giác, vì vậy dòng io sẽ có dạng nhọn đầu. Giống mba một pha.
Trường hợp mba nối Y/Δ

Dây quấn sơ cấp đấu Y nên dòng io3 không tồn tại, dòng io sẽ có dạng sin và từ thông Φ do nó sinh ra sẽ có dạng vạt đầu. Kết luận giống trường hợp a. Thành phần từ thông bậc ba Φ3 cảm ứng trong dây quấn thứ cấp sđđ e23, do dây quấn thứ cấp nối Δ nên sinh ra dòng i23 chạy trong dây quấn, dòng điện nầy sinh ra trong lõi thép từ thông Φ23 và ta có từ thông tổng bậc ba gần bằng không, nên ảnh hưởng này không đáng kể.