Giải vở thực hành Khoa học tự nhiên 7 bài 1 KNTT
Chúng tôi xin giới thiệu bài Giải Vở thực hành Khoa học tự nhiên 7 bài 1: Phương pháp và kĩ năng học tập môn khoa học tự nhiên có đáp án chi tiết cho từng câu hỏi chương trình sách mới. Thông qua đây các em học sinh đối chiếu với lời giải của mình, hoàn thành bài tập hiệu quả.
Bài: Phương pháp và kĩ năng học tập môn khoa học tự nhiên
Bài 1.1 trang 6 vở thực hành KHTN lớp 7 Tập 1:Sắp xếp nội dung các thông tin khi nghiên cứu sự hòa tan của một số chất rắn theo các bước của phương pháp tìm hiểu tự nhiên (điền thứ tự số bước vào cột bên trái).
|
Bước |
Nội dung |
|
Tìm hiểu khả năng hòa tan của muối ăn, đường, đá vôi (dạng bột) trong nước. |
|
|
Dự đoán trong số các chất muối ăn, đường, đá vôi (dạng bột), chất nào tan, chất nào không tan trong nước? |
|
|
Thực hiện các bước thí nghiệm: rót vào cùng một thể tích nước (khoảng 5 mL) vào ba ống nghiệm. Thêm vào mỗi ống nghiệm khoảng 1 gam mỗi chất rắn và lắc đều khoảng 1 – 2 phút. Quan sát và ghi lại kết quả thí nghiệm. So sánh và rút ra kết luận. |
|
|
Đề xuất thí nghiệm để kiểm tra dự đoán (chuẩn bị dụng cụ, hóa chất và các bước thí nghiệm). |
|
|
Viết báo cáo và trình bày quá trình thực nghiệm, thảo luận kết quả thí nghiệm. |
Lời giải:
|
Bước |
Nội dung |
|
1 |
Tìm hiểu khả năng hòa tan của muối ăn, đường, đá vôi (dạng bột) trong nước. |
|
2 |
Dự đoán trong số các chất muối ăn, đường, đá vôi (dạng bột), chất nào tan, chất nào không tan trong nước? |
|
4 |
Thực hiện các bước thí nghiệm: rót vào cùng một thể tích nước (khoảng 5 mL) vào ba ống nghiệm. Thêm vào mỗi ống nghiệm khoảng 1 gam mỗi chất rắn và lắc đều khoảng 1 – 2 phút. Quan sát và ghi lại kết quả thí nghiệm. So sánh và rút ra kết luận. |
|
3 |
Đề xuất thí nghiệm để kiểm tra dự đoán (chuẩn bị dụng cụ, hóa chất và các bước thí nghiệm). |
|
5 |
Viết báo cáo và trình bày quá trình thực nghiệm, thảo luận kết quả thí nghiệm. |
Bài 1.2 trang 6 vở thực hành KHTN lớp 7 Tập 1: Quan sát Hình 1.2 SGK KHTN 7, cho biết: Hiện tượng nào là hiện tượng tự nhiên thường xảy ra trên Trái Đất?
Hiện tượng nào là thảm họa thiên nhiên gây tác động xấu đến con người và môi trường?
Lời giải:
- Hiện tượng tự nhiên thường xảy ra trên Trái Đất: mưa to kèm theo sấm, sét (Hình 1.2c).
- Hiện tượng là thảm họa thiên nhiên gây tác động xấu đến con người và môi trường: Cháy rừng (Hình 1.2a), hạn hán (Hình 1.2b).
Bài 1.3 trang 6 vở thực hành KHTN lớp 7 Tập 1:Em hãy tìm hiểu và cho biết cách phòng chống và ứng phó của con người trước thảm họa thiên nhiên ở Hình 1.2 SGK KHTN 7.
Lời giải:
- Nguyên nhân dẫn đến cháy rừng tự nhiên là chân rừng bị mất nước, lớp mùn bị khô, dễ bắt lửa. Do đó, cần phòng chống cháy rừng bằng cách: quản lí chặt chẽ các nguồn lửa, nguồn nhiệt, thiết bị và dụng cụ sinh lửa, sinh nhiệt ở trong rừng và ven rừng; giảm vật liệu cháy hoặc giảm độ khô của các vật liệu cháy trong rừng …
- Hiện tượng hạn hán có nguyên nhân do thiếu mưa, nắng nhiều, cần phòng chống bằng cách trồng cây xanh, tạo các hồ nhân tạo để giữ nước, …
Bài 1.4 trang 7 vở thực hành KHTN lớp 7 Tập 1:Hãy kết nối thông tin giữa cột (A) và cột (B) tạo thành câu hoàn chỉnh, thể hiện sự liên kết trong tìm hiểu, khám phá tự nhiên.
|
Cột (A) |
Cột (B) |
|
1. Nước được cấu tạo từ hai nguyên tố là oxygen và hydrogen. Nước có |
a) người ta cho rằng đây cũng chính là nguyên nhân tạo ra từ trường của Trái Đất. |
|
2. Nhân Trái Đất được cấu tạo chủ yếu từ hợp kim của sắt và nickel, |
b) dựa trên nhu cầu của cây trồng trong từng thời kì sinh trưởng và phát triển. |
|
3. Lựa chọn phân bón cho cây trồng |
c) vai trò quan trọng trong quá trình quang hợp của cây xanh. |
Lời giải:
1 – c) Nước được cấu tạo từ hai nguyên tố là oxygen và hydrogen. Nước có vai trò quan trọng trong quá trình quang hợp của cây xanh.
2 – a) Nhân Trái Đất được cấu tạo chủ yếu từ hợp kim của sắt và nickel, người ta cho rằng đây cũng chính là nguyên nhân tạo ra từ trường của Trái Đất.
3 – b) Lựa chọn phân bón cho cây trồng dựa trên nhu cầu của cây trồng trong từng thời kì sinh trưởng và phát triển.
Bài 1.5 trang 7 vở thực hành KHTN lớp 7 Tập 1: Hãy xác định khối lượng của cuốn sách KHTN 7 và nhận xét kết quả của các lần đo so với kết quả trung bình.
|
Thứ tự phép cân |
Kết quả thu được (gam) |
Nhận xét/đánh giá kết quả đo (nếu có) |
|
1 |
……………………………… |
|
|
2 |
||
|
3 |
||
|
Khối lượng của cuốn sách (kết quả trung bình): |
||
Lời giải:
Học sinh tự cân, hoàn thiện bảng.
Bài 1.6 trang 7 vở thực hành KHTN lớp 7 Tập 1: Khí carbon dioxide là nguyên nhân chính gây ra sự ấm lên của Trái Đất do hiệu ứng nhà kính. Quan sát Hình 1.3 SGK KHTN 7 và cho biết nguyên nhân nào làm phát thải khí nhà kính nhiều nhất. Hãy tìm hiểu và đề xuất biện pháp giảm sự phát thải khí carbon dioxide từ nguồn này.
Lời giải:
- Nguyên nhân làm phát thải khí nhà kính nhiều nhất: Sản xuất điện và nhiệt (chiếm tới 25%)
- Biện pháp để giảm sự phát thải khí nhà kính do quá trình sản xuất điện và nhiệt là:
+ Hạn chế phát triển các nhà máy nhiệt điện, các máy phát điện chạy bằng nhiên liệu hóa thạch;
+ Sản xuất nông nghiệp và khai thác rừng hay khai thác trên mặt đất cần có kế hoạch phục hồi nguồn tài nguyên đã khai thác;
+ Giảm thiểu đến loại bỏ các hoạt động công nghiệp có công nghệ cũ, lạc hậu, thài ra nhiều carbon dioxide.
+ Tăng cường sử dụng các nguồn năng lượng xanh, thân thiện mới môi trường như năng lượng mặt trời, năng lượng gió, năng lượng thủy triều, …
+ Sử dụng tiết kiệm điện, tắt các thiết bị điện khi không cần thiết…
+ Sử dụng các thiết bị điện có nhãn mác chứng nhận tiết kiệm năng lượng của Bộ Công thương…
Bài 1.7 trang 8 vở thực hành KHTN lớp 7 Tập 1: Tìm hiểu thông tin trên sách, báo Internet, … về nhiệt độ trung bình toàn cầu của Trái Đất trong khoảng 100 năm qua và suy luận về nhiệt độ của Trái Đất tăng hay giảm trong vòng 10 năm tới.
Lời giải:
Nhiệt độ trung bình toàn cầu của Trái Đất trong khoảng 100 năm qua có xu hướng tăng, tính từ 1920 – 2020 thì nhiệt độ trung bình của Trái Đất tăng khoảng 1,6oC.
⇒ Với xu thế này, dự đoán thì nhiệt độ của Trái Đất tăng trong vòng 10 năm tới.
Bài 1.8 trang 8 vở thực hành KHTN lớp 7 Tập 1: Đồng hồ đo thời gian hiện số được điều khiển bởi cổng quang như thế nào?
Lời giải:
- Đồng hồ đo thời gian hiện số được điều khiển bởi cổng quang thông qua dây cáp nối. Dây nối này vừa có tác dụng cung cấp điện cho cổng quang, vừa có tác dụng gửi tín hiệu điện từ cổng quang tới đồng hồ.
- Cổng quang được dùng để bật và tắt đồng hồ đo thời gian hiện số bằng cách:
+ Xoay núm MODE chọn chế độ làm việc A↔B ;
+ Chọn thang đo 9,999s – 0,001s để đo khoảng thời gian giữa hai điểm A và B;
+ Tại thời điểm A, đồng hồ được cổng quang bật, tại thời điểm B, đồng hồ được cổng quang tắt;
+ Trên mặt đồng hồ xuất hiện số đo thời gian giữa hai thời điểm trên.
Bài 1.9 trang 8 vở thực hành KHTN lớp 7 Tập 1: Khi ước lượng thời gian chuyển động của vật lớn hơn 10s, cần lựa chọn thang đo nào của đồng hồ hiện số? Vì sao?
Lời giải:
Khi ước lượng thời gian chuyển động của vật lớn hơn 10s, cần lựa chọn thang đo 99,99s – 0,01s để đo. Vì ở thang đo 99,99s – 0,01s có GHĐ và ĐCNN phù hợp với thời gian vật chuyển động.
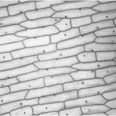
Bài 1.10 trang 9 vở thực hành KHTN lớp 7 Tập 1: Hãy viết báo cáo bài thực hành: Quan sát và phân biệt một số loại tế bào đã học trong môn Khoa học tự nhiên ở lớp 6.
|
Họ và tên: Phạm Thị An Lớp: 7A |
Ngày… tháng … năm … |
BÁO CÁO THỰC HÀNH
Quan sát và phân biệt một số loại tế bào
1. Mục đích thí nghiệm
- Quan sát và phân biệt được một số loại tế bào (tế bào biểu bì hành tây, tế bào trứng cá).
2. Chuẩn bị
a. Thiết bị, dụng cụ
- Kính hiển vi có vật kính 40× và kính lúp.
- Nước cất đựng trong cốc thủy tinh.
- Đĩa petri
- Các dụng cụ khác như giấy thấm, lamen, lam kính, ống nhỏ giọt, kim mũi mác, thìa inox, dao mổ.
b. Mẫu vật
- Củ hành tây.
- Trứng cá.
3. Các bước tiến hành
Làm tiêu bản, quan sát và vẽ tế bào biểu bì hành tây
Bước 1: Dùng dao mổ tách lấy một vảy hành, sau đó tạo một vết cắt hình vuông nhỏ kích thước 7 – 8 mm ở trong của vảy hành. Sử dụng panh/ kim mũi mác lột nhẹ lớp tế bào trên cùng của vết cắt.
Bước 2: Đặt lớp tế bào này lên lam kính đã nhỏ sẵn một giọt nước cất rồi đậy lamen lại bằng cách trượt lamen từ một cạnh. Sử dụng giấy thấm để thấm phần nước thừa. Đặt lam kính lên bàn kính của kính hiển vi và quan sát ở vật kính 10× rồi chuyển sang vật kính 40×.
Bước 3: Chụp lại hoặc vẽ lại hình ảnh đã quan sát được.
Quan sát và vẽ tế bào trứng cá
Bước 1: Dùng thìa lấy một ít trứng cá cho vào đĩa petri.
Bước 2: Nhỏ một ít nước vào đĩa.
Bước 3: Dùng kim mũi mác khoắng nhẹ để trứng cá tách rời nhau.
Bước 4: Quan sát tế bào trứng cá bằng mắt thường hoặc bằng kính lúp.
Bước 5: Chụp lại hoặc vẽ lại hình ảnh đã quan sát được.
4. Kết quả
|
Tế bào hành tây |
Tế bào trứng cá |
|
|
Thành phần quan sát được |
Thành tế bào, nhân tế bào, tế bào chất. |
Màng tế bào, tế bào chất, nhân tế bào. |
|
Thành phần không quan sát được |
Màng tế bào, các loại bào quan (ti thể, không bào, …) |
Các bào quan khác (ti thể, ribosome, …) |
|
Hình vẽ |
|
|
Lời giải:
a. Thành phần nào em quan sát thấy ở cả hai loại tế bào?
Thành phần có thể quan sát ở cả hai loại tế bào là: nhân, tế bào chất.
b. Đặc điểm nào giúp em phân biệt được tế bào hành tây với tế bào trứng cá?
Đặc điểm phân biệt được tế bào hành tây với tế bào trứng cá:
+ Tế bào hành tây có hình đa giác, xếp sít nhau còn tế bào trứng cá hình cầu, riêng lẻ.
+ Tế bào hành tây có thành tế bào còn tế bào trứng cá thì không có.
Bài 1.11 trang 11 vở thực hành KHTN lớp 7 Tập 1: Hãy lập dàn ý chi tiết cho báo cáo thuyết trình về vai trò của đa dạng sinh học đã học trong môn KHTN ở lớp 6.
Lời giải:
Dàn ý chi tiết cho báo cáo thuyết trình về vai trò của đa dạng sinh học đã được học trong môn Khoa học tự nhiên 6:
BÁO CÁO THUYẾT TRÌNH VỀ VAI TRÒ CỦA ĐA DẠNG SINH HỌC
1. Mục đích báo cáo, thuyết trình
- Trình bày được vai trò của đa dạng sinh học trong tự nhiên và trong đời sống.
2. Chuẩn bị và các bước tiến hành
a. Chuẩn bị
Thu thập tranh ảnh hoặc video về vai trò của đa dạng sinh học trong tự nhiên và trong đời sống:
|
Hình 1 |
Hình 2 |
|
Hình 3 |
Hình 4 |
b. Các bước tiến hành
- Bước 1: Sắp xếp các tranh ảnh sưu tầm được thành 2 nhóm: Nhóm 1 – Vai trò của đa dạng sinh học trong tự nhiên; Nhóm 2 – Vai trò của đa dạng sinh học trong đời sống.
- Bước 2: Quan sát hình ảnh, so sánh với các kiến thức để đưa ra vai trò của đa dạng sinh học trong mỗi hình ảnh.
- Bước 3: Tổng kết lại vai trò của đa dạng sinh học theo bảng sau.
|
Hình ảnh |
Đối tượng tác động |
Vai trò của đa dạng sinh học trong hình |
|
1 |
||
|
2 |
||
|
3 |
||
|
4 |
3. Kết quả và thảo luận
Tổng kết vai trò của đa dạng sinh học:
|
Hình ảnh |
Đối tượng tác động |
Vai trò của đa dạng sinh học trong hình |
|
1 |
Đối với tự nhiên |
- Sự đa dạng sinh học tạo ra mối quan hệ dinh dưỡng khăng khít giữa các loài → đảm bảo sự tồn tại và ổn định của mỗi loài trong toàn bộ hệ sinh thái. |
|
2 |
Đối với tự nhiên |
- Sự đa dạng sinh học về thực vật sẽ giúp bảo vệ đất, chống sạt lở, hạn chế tác hại của mưa lũ → đảm bảo sự sống của các sinh vật khác và con người. |
|
3 |
Đối với con người |
- Sự đa dạng sinh học cung cấp lương thực, thực phẩm cho con người. |
|
4 |
Đối với con người |
- Sự đa dạng sinh học tạo nên những cảnh quan thiên nhiên tươi đẹp phục vụ nhu cầu tham quan giải trí, nghỉ dưỡng của con người. |
4. Kết luận
- Trong tự nhiên, đa dạng sinh học góp phần bảo vệ đất, bảo vệ nguồn nước, chắn sóng, chắn gió, điều hòa khí hậu, duy trì sự ổn định của hệ sinh thái.
- Trong thực tiễn, đa dạng sinh học cung cấp các sản phẩm sinh học cho con người như: lương thực, thực phẩm, dược liệu, …; tạo nên cảnh quan để phục vụ cho nhu cầu giải trí, nghỉ dưỡng; giúp con người thích ứng với biến đổi khí hậu qua việc làm giảm ảnh hưởng của thiên tai và khí hậu khắc nghiệt.
→ Đa dạng sinh học là nguồn tài nguyên quý giá đối với tự nhiên và con người. Vì vậy, chúng ta cần bảo vệ đa dạng sinh học.
>>> Bài tiếp theo: Giải Vở thực hành Khoa học tự nhiên 7 bài 2 KNTT
Trên đây là toàn bộ lời giải Giải VTH Khoa học tự nhiên lớp 7 bài 1: Phương pháp và kĩ năng học tập môn khoa học tự nhiên sách Kết nối tri thức. Các em học sinh tham khảo thêm Khoa học tự nhiên 7 Cánh diều và KHTN 7 Chân trời sáng tạo. VnDoc liên tục cập nhật lời giải cũng như đáp án sách mới của SGK cũng như SBT các môn cho các bạn cùng tham khảo.





