Công nghệ 8 Kết nối tri thức bài 4 trang 24
Giải Công nghệ 8 Kết nối tri thức bài 4: Bản vẽ lắp được VnDoc sưu tầm và tổng hợp với lời giải chi tiết, rõ ràng theo khung chương trình sách giáo khoa Công nghệ 8 Kết nối tri thức. Mời các em cùng tham khảo để nắm được nội dung bài học
Bài: Bản vẽ lắp
Hoạt động khởi động trang 24 Công nghệ 8: Hình 4.1 là một bản vẽ lắp. Hãy quan sát và cho biết có những điểm khác biệt nào so với bản vẽ chi tiết?

Trả lời:
Trên bản vẽ lắp không ghi yêu cầu kĩ thuật, có bảng kê, thể hiện sự lắp ráp giữa các chi tiết.
I. Đọc bản vẽ lắp
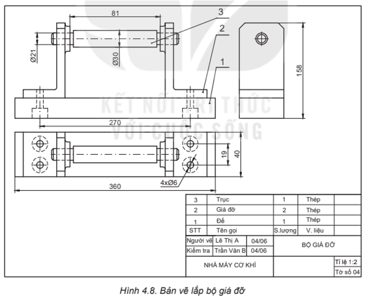
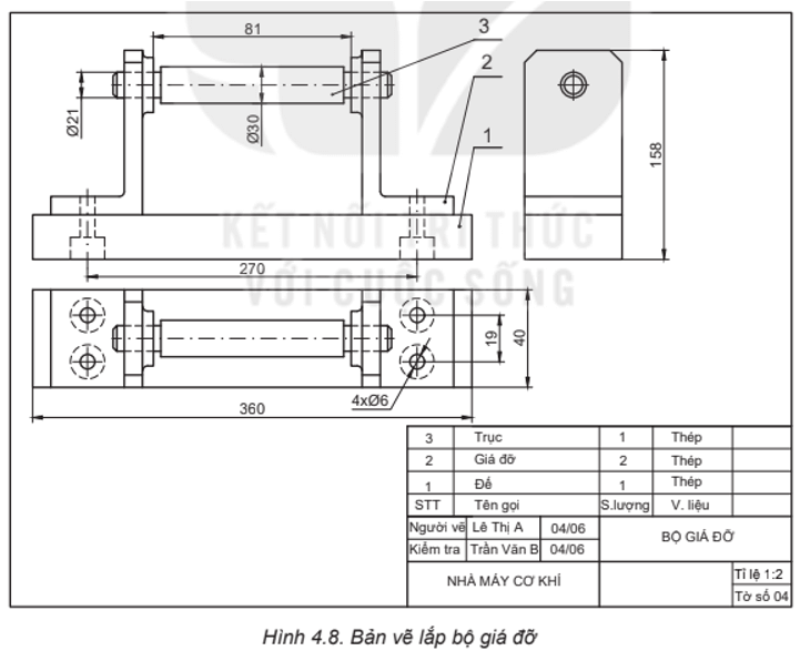
Thực hành trang 27 Công nghệ 8: Đọc bản vẽ lắp bộ giá đỡ (Hình 4.8) theo trình tự trên Bảng 4.1 (kẻ bảng theo mẫu Bảng 4.1 vào vở và ghi phần trả lời vào bảng).

Trả lời:
|
Trình tự đọc |
Nội dung đọc |
Kết quả đọc bản vẽ giá đỡ |
|
Bước 1. Khung tên |
- Tên gọi sản phẩm - Tỉ lệ bản vẽ |
- Bộ giá đỡ - Tỉ lệ: 1: 2 |
|
Bước 2. Bảng kê |
Tên gọi, số lượng của chi tiết |
- Đế (1) - Giá đỡ (2) - Trục (3) |
|
Bước 3. Hình biểu diễn |
Tên gọi các hình chiếu |
- Hình chiếu đứng - Hình chiếu bằng - Hình chiếu cạnh |
|
Bước 4. Kích thước |
- Kích thước chung - Kích thước lắp ghép giữa các chi tiết - Kích thước xác định khoảng cách giữa các chi tiết |
- Kích thước chung: chiều dài 360 mm, chiều rộng 40 mm, chiều cao 158 mm |
|
Bước 5. Phân tích chi tiết |
- Vị trí của các chi tiết |
- Đế (1) - Giá đỡ (2) - Trục (3) |
|
Bước 6. Tổng hợp |
- Trình tự tháo lắp các chi tiết |
- Tháo chi tiết: 3 – 2 – 1 - Lắp chi tiết: 1 – 2 – 3 |
Vận dụng trang 27 Công nghệ 8: Lựa chọn một sản phẩm đơn giản trong gia đình và cho biết sản phẩm đó được tạo bởi bao nhiêu chi tiết, vai trò của từng chi tiết trong sản phẩm.
Trả lời:
Giá sách treo tường được tạo bởi 4 chi tiết: vít, thanh dọc ngăn, thanh dọc bên, thanh ngang. Vai trò của chúng là để cố định các chi tiết với nhau.
-------------------------------------
Trên đây, VnDoc đã gửi tới các bạn Giải Công nghệ 8 bài 4: Bản vẽ lắp KNTT.
Bắt đầu năm học 2023 - 2024 trở đi sẽ được giảng dạy theo 3 bộ sách: Chân trời sáng tạo; Kết nối tri thức với cuộc sống và Cánh diều. Việc lựa chọn giảng dạy bộ sách nào sẽ tùy thuộc vào các trường. Để giúp các thầy cô và các em học sinh làm quen với từng bộ sách mới, VnDoc sẽ cung cấp lời giải bài tập sách giáo khoa, sách bài tập, trắc nghiệm từng bài và các tài liệu giảng dạy, học tập khác. Mời các bạn tham khảo qua đường link bên dưới:
- Công nghệ 8 Chân trời sáng tạo
- Công nghệ 8 Kết nối tri thức
- Công nghệ 8 Cánh diều