Đề minh họa tuyển sinh vào chuyên Lý lớp 10 - Đề 1
Đề thi tuyển sinh vào 10 môn Vật lý - Có đáp án
Đề minh họa tuyển sinh vào chuyên Lý lớp 10 - Đề 1 được xây dựng dựa trên nội dung trọng tâm của chương trình Vật lý 9, giúp học sinh làm quen với cấu trúc đề thi và rèn luyện kỹ năng giải các dạng bài thường gặp. Tài liệu đề thi vào lớp 10 chuyên Vật lý có đáp án sẽ hỗ trợ học sinh tự luyện tập và đánh giá năng lực trước kỳ thi quan trọng.
|
ĐỀ MINH HỌA CẤU TRÚC ĐỀ THI TUYỂN SINH VÀO CHUYÊN LÝ LỚP 10 THPT Đề số 1
|
Môn: KHOA HỌC TỰ NHIÊN Thời gian làm bài: 50 phút
|
Họ tên thí sinh: ..............................................Số báo danh: .............................
PHẦN I. Câu trắc nghiệm nhiều phương án lựa chọn. Thí sinh trả lời từ câu 1 đến câu 18. Mỗi câu hỏi thí sinh chỉ chọn một phương án.
Câu 1. Nếu chọn mặt đất làm mốc để tính thế năng thì trong các vật sau đây vật nào không có thế
năng?
A. Viên đạn đang bay. B. Lò xo để tự nhiên ở một độ cao so với mặt đất.
C. Hòn bi đang lăn trên mặt đất. D. Lò xo bị ép đặt ngay trên mặt đất.
Câu 2. Vật rơi từ độ cao h xuống đất hỏi công được sản sinh ra không? Nếu có thì lực nào sinh công?
A. Công có sinh ra và là công của trọng lực. B. Công có sinh ra và là do lực ma sát.
C. Công có sinh ra và do lực cản của không khí. D. Không có công nào sinh ra.
Câu 3. Một người thợ săn cá nhìn con cá dưới nước theo phương thẳng đứng. Cá cách mặt nước 40cm, mắt người cách mặt nước 60cm. Chiết suất của nước là
. Mắt người nhìn thấy ảnh của con cá cách mắt một khoảng là
A. 95cm. B. 85cm. C. 80cm. D. 90cm.
Câu 4. Chiếu một chùm tia sáng song song trong không khí tới mặt nước
với góc tới là
. Góc hợp bởi tia khúc xạ và tia tới là:
A.
B.
C.
D. 
Câu 5. Phát biểu nào sau đây về kính lúp là không đúng?
A. Kính lúp có số bội giác càng nhỏ thì tiêu cự càng dài.
B. Kính lúp có số bội giác càng lớn thì tiêu cự càng dài.
C. Kính lúp dùng để quan sát các vật nhỏ.
D. Kính lúp có số bội giác càng lớn thì tiêu cự càng ngắn.
Câu 6. Từ không khí người ta chiếu xiên tới mặt nước nằm ngang một chùm sáng hẹp song song gồm 2 ánh sáng đơn sắc màu lam và màu cam. Khi đó chùm tia khúc xạ
A. gồm 2 chùm tia sáng hẹp là chùm màu lam và màu cam, trong đó góc khúc xạ của chùm màu lam lớn hơn góc khúc xạ của chùm màu cam.
B. gồm 2 chùm tia sáng hẹp là chùm màu lam và màu cam, trong đó góc khúc xạ của chùm màu cam lớn hơn góc khúc xạ của chùm màu lam.
C. vẫn là chùm tia sáng hẹp song song.
D. chỉ là chùm tia sáng màu lam, còn chùm tia màu cam bị phản xạ toàn phần.
Câu 7. Biểu diễn đường truyền của bốn tia sáng truyền qua bốn thấu kính như hình dưới đây. Thấu kính hội tụ là:

A. thấu kính (1). B. thấu kính (2) và (3).
C. thấu kính (3) và (4). D. thấu kính (4).
Câu 8. Mắc điện trở R =10 Ω vào hiệu điện thế 10 V. Khi tăng hiệu điện thế lên đến 12V thì cường độ dòng điện chạy qua điện trở
A. tăng thêm 0,2 A. B. giảm đi 0,2 A.
C. tăng thêm 2 A. D. giảm đi 2 A.
Câu 9. Hai điện trở R1 = 12Ω, R2 = 18Ω được mắc nối tiếp vào nhau vào giữa hai đầu đoạn mạch có hiệu điện thế là 15 V. Kết luận nào sau đây là sai?
A. Điện trở tương đương của đoạn mạch là 30Ω.
B. Cường độ dòng điện chạy trong các điện trở đều bằng 0,5 A.
C. Hiệu điện thế giữa hai dầu R1 là 6 V.
D. Hiệu điện thế giữa hai dầu R2 là 6 V.
Câu 10. Có hai điện trở R1, R2 được mắc hai cách như hình vẽ.

Hiệu điện thế hai đầu mạch luôn bằng U = 12 V. Cường độ dòng điện trong hình 3.5a là 0,3A. (ampe kế mắc nối tiếp với R1) và trong hình 3.5b là 1,6A. Biết R1> R2. Giá trị của điện trở R1, R2 là
A. R1 = 30Ω; R2 = 20Ω B. R1 = 30Ω; R2 = 10Ω
C. R1 = 30Ω; R2 = 30Ω D. R1 = 10Ω; R2 = 10Ω
Câu 11. Một đèn ống loại 40 W được chế tạo để có công suất chiếu sáng bằng đèn dây tóc loại 75 W. Nếu sử dụng đèn ống này trung bình mỗi ngày 6 giờ, thì trong 30 ngày số tiền điện so với sử dụng đèn dây tóc nói trên sẽ giảm được bao nhiêu? (Biết giá tiền điện là 1500 (đồng/kW.h).
A. 7875 đồng. B. 1575 đồng. C. 2650 đồng. D. 9450 đồng
Câu 12. Trên hình vẽ, thanh nam châm chuyển động như thế nào thì không tạo ra dòng điện cảm ứng trong cuộn dây?

A. Chuyển động từ ngoài vào trong cuộn dây. B. Quay quanh trục AB
C. Quay quanh trục CD. D. Quay quanh trục PQ.
Câu 13. Treo một thanh nam châm ở đầu một sợi dây và cho dao động quanh vị trí cân bằng OA như hình;

Dòng điện cảm ứng xuất hiện trong cuộn dây dẫn kín B là
A. dòng điện xoay chiều. B. dòng điện có chiều không đổi.
C. không xuất hiện dòng điện trong cuộn dây. D. không xác định được.
Câu 14. Đất nước Hà Lan nổi tiếng với hình ảnh của những chiếc cối xay gió. Theo em, thông qua những chiếc cối xay gió, năng lượng của gió có thể chuyển hóa chủ yếu thành dạng năng lượng nào?
A. năng lượng động năng B. năng lượng thế năng
C. năng lượng nhiệt năng D. năng lượng hóa năng
Câu 15. Cho một mạch điện như hình vẽ: R1 = 2Ω, R2 = 4Ω và R3 = 1Ω, X là một phần tử phi tuyến mà cường độ dòng điện đi qua nó phụ thuộc hiệu điện thế hai đầu phần tử theo công thức:
với
, ampe kế có điện trở rất nhỏ.

Khi dòng điện qua ampe kế bằng không thì công suất toả nhiệt trên X bằng
A. 2,0 W. B. 1,0 W. C. 0,5 W. D. 5,0 W.
Câu 16. Thấu kính phân kì có f = -10 cm. Đặt vật AB trên trục chính, vuông góc trục chính, vị trí lúc đầu của vật AB cách thấu kính đoạn d1 thì cho ảnh A’B’ qua thấu kính. Dịch chuyển AB lại gần thấu kính thêm 15 cm thì ảnh dịch chuyển 1,5 cm. Vị trí lúc đầu của vật AB d1 là:
A. 20 cm. B. 25 cm. C. 30 cm. D. 35 cm.
Dùng cho câu 17-18: Một vật sáng có dạng đoạn thẳng AB đặt trước một thấu kính bội tụ sao cho AB vuông góc với trục chính của thấu kính và A nằm trên trục chính, ta thu được một ảnh thật cao gấp hai lần vật. Sau đó giữ nguyên vị trí của vật AB và di chuyển thấu kính dọc theo trục chính ra xa AB một đoạn 15cm thì thấy ảnh của AB cũng di chuyển 15 cm so với vị trí ảnh ban đầu.
Câu 17. Tiêu cự f của thấu kính là:
A. 20 cm. B. 25 cm. C. 30 cm. D. 35 cm.
Câu 18. Khoảng cách từ vật AB đến thấu kính lúc chưa di chuyển và sau khi di chuyển lần lượt là:
A. 45cm, 60 cm. B. 60 cm, 45 cm. C. 35 cm, 50 cm. D. 50 cm, 35 cm.
PHẦN II. Câu trắc nghiệm đúng sai. Thí sinh trả lời từ câu 1 đến câu 4. Trong mỗi ý a), b), c), d) ở mỗi câu, thí sinh chọn đúng hoặc sai.
Câu 1. Cho mạch điện như hình vẽ. Hiệu điện thế hai đầu đoạn mạch AB không đổi U = 21 V, điện trở R0 = 2 Ω, đèn Đ có công suất định mức 18 W (cường độ dòng điện định mức đI nhỏ hơn 2 A, điện trở đèn không đổi), biến trở có điện trở toàn phần
. Biết rằng, với hai số không âm x và y, ta luôn có
, dấu “=” xảy ra khi
.
a. Khi con chạy C của biển trở ở vị trí
thì đèn sáng bình thường. Hiệu điện thế định mức của đèn là 6V.
b. Vị trí con chạy C của biến trở để công suất tiêu thụ trên biến trở là lớn nhất sao cho: ![]()
c. Khi con chạy C của biến trở ở vị trí để công suất tiêu thụ trên biến trở là lớn nhất. Công suất lớn nhất đó có giá trị là 10 Ω
d. Mắc song song đèn Đ với một đèn nữa giống nó. Vị trí con chạy C của biến trở để hai đèn sáng bình thường sẽ ở vị trí sao cho ![]()
Câu 2. Một bút chì dạng vật nhỏ AB đặt trước thấu kính hội tụ (A nằm trên trục chính, AB vuông góc trên trục chính), ảnh A’B’ của vật sáng AB là ảnh thật.

Từ vị trí này:
- Nếu dich chuyển thấu kính sang phải một đoạn 6cm thì ảnh dịch chuyển sang trái 9cm (biết A vẫn nằm trên trục chính).
- Nếu dịch chuyển thấu kính theo phương thẳng đứng xuống dưới một đoạn 0,2cm thì ảnh dịch chuyển 0,6cm.
a. Vì điểm vật, điểm ảnh, quang tâm luôn thẳng hàng nên khi thấu kính dịch chuyển xuống dưới thì ảnh sẽ dịch chuyển xuống dưới.
b. Tiêu cự f của thấu kính là 20 cm.
c. Từ vị trí ban đầu, nghiêng vật một góc 300 so với phương thẳng đứng sao cho A vẫn nằm trên trục chính và đầu B hướng ra xa thấu kính. Hình vẽ mô tả sau đúng hay sai:
d. Theo câu c, góc nghiêng của ảnh sẽ là 51o khi biết chiều cao của vật là 2cm.
Câu 3. Một người đang kéo căng dây cung và chuẩn bị bắn mũi tên. Khi dây cung được thả ra, năng lượng tích lũy trong dây cung chuyển hóa thành động năng của mũi tên.
a. Khi mũi tên rời khỏi dây cung, toàn bộ thế năng trong dây cung được chuyển hóa thành động năng.
b. Mũi tên sẽ tiếp tục bay với động năng không đổi nếu không có lực cản không khí.
c. Nếu mũi tên được bắn đi theo phương ngang, nó sẽ rơi xuống đất vì động năng của nó không còn đủ lớn.
d. Thế năng đàn hồi của dây cung sẽ bằng 0 khi dây cung được thả hoàn toàn.
Câu 4. Khi nhìn thấy một cầu vồng sau cơn mưa, ánh sáng trắng từ mặt trời bị tán sắc qua các giọt nước, tạo ra dải màu từ đỏ đến tím.
a. Hiện tượng tạo cầu vồng là do ánh sáng trắng bị khúc xạ và tán sắc qua các giọt nước trong không khí.
b. Màu đỏ của cầu vồng luôn xuất hiện ở mép trong của cầu vồng, trong khi màu tím ở mép ngoài.
c. Cầu vồng được tạo thành khi ánh sáng mặt trời bị tán sắc và phản xạ toàn phần trong các giọt nước.
d. Cầu vồng chỉ xuất hiện khi mặt trời ở phía trước người quan sát.
PHẦN III. Câu trắc nghiệm yêu cầu trả lời ngắn. Thí sinh trả lời từ câu 1 đến câu 4.
Câu 1. Hai xe chở than có
, cùng chuyển động trên 2 tuyến đường rây song song nhau với
. Nếu xe 1 tăng vận tốc thêm 3 m/s thì
. Tìm độ lớn vận tốc v1, v2.
Câu 2. Một thấu kính hội tụ có tiêu cự f = 24 cm. Một vật phẳng nhỏ AB = 2 cm đặt vuông góc với trục chính và có A nằm ở trục chính của thấu kính. Phía sau thấu kính đặt một màn ảnh vuông góc với trục chính. Lúc đầu AB đặt tại M thì cho một ảnh rõ nét A1B1 trên màn cao bằng 1,2 cm. Di chuyển vật dọc theo trục chính lại gần thấu kính đến điểm N và di chuyển màn theo phương trục chính đến vị trí khác thì cho ảnh rõ nét A2B2 trên màn cao bằng 4 cm. Nếu đặt vật AB tại trung điểm K của MN thì cho ảnh trên màn có độ cao bao nhiêu?
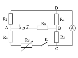
Câu 3. Cho mạch điện như hình vẽ. Đặt vào hai đầu mạch một hiệu điện thế U = 2V, các điện trở Ro = 0,5Ω; R1 = 1Ω; R2 = 2Ω; R3 = 6Ω; R4 = 0,5Ω; R5 là một biến trở có giá trị lớn nhất 2,5 Ω. Bỏ qua điện trở của ampe kế, dây nối và khóa K.

a. Khi khóa K mở, tính cường độ dòng điện qua mạch chính. Khi khóa K đóng, thay đổi giá trị của R5, xác định giá trị của R5 để:
b. Ampe kế chỉ 0,1A.
c. Ampe kế chỉ giá trị cực đại.
Câu 4. Khi có dòng điện I1 = 2A đi qua một dây dẫn trong một khoảng thời gian thì dây đó nóng lên đến nhiệt độ t1. Khi có dòng điện I2 = 4A đi qua thì dây đó nóng lên đến nhiệt độ t2 = 200°C. Khi có dòng điện I3 = 6A đi qua thì nó nóng lên đến nhiệt độ t3 = 250oC. Coi nhiệt độ môi trường xung quanh và điện trở dây dẫn là không đổi. Nhiệt lượng toả ra ở môi trường xung quanh tỷ lệ thuận với độ chênh nhiệt độ giữa dây dẫn và môi trường xung quanh. Tính nhiệt độ t1 khi dùng dòng điện I1.
–––Hết–––
– Thí sinh không được sử dụng tài liệu;
– Giám thị coi thi không giải thích gì thêm.
📚 Phần tiếp theo của tài liệu đã được tổng hợp trong file đính kèm, mời bạn tải về để đọc tiếp.
------------------------------------------------
Việc luyện tập với Đề minh họa tuyển sinh vào chuyên Lý lớp 10 - Đề 1 sẽ giúp học sinh làm quen với dạng đề nâng cao và củng cố kiến thức trọng tâm của Vật lý 9. Thường xuyên giải đề thi vào lớp 10 chuyên Vật lý có đáp án sẽ giúp nâng cao kỹ năng phân tích bài toán và tăng sự tự tin khi bước vào kỳ thi tuyển sinh.