Đề minh họa tuyển sinh vào chuyên Lý lớp 10 - Đề 3
Đề thi tuyển sinh vào 10 môn Vật lý - Có đáp án
Đề minh họa tuyển sinh vào chuyên Lý lớp 10 - Đề 3 được xây dựng dựa trên nội dung trọng tâm của chương trình Vật lý 9, giúp học sinh làm quen với cấu trúc đề thi và rèn luyện kỹ năng giải các dạng bài thường gặp. Tài liệu đề thi vào lớp 10 chuyên Vật lý có đáp án sẽ hỗ trợ học sinh tự luyện tập và đánh giá năng lực trước kỳ thi quan trọng.
|
ĐỀ MINH HỌA CẤU TRÚC ĐỀ THI TUYỂN SINH VÀO CHUYÊN LÝ LỚP 10 THPT Đề số 3
|
Môn: KHOA HỌC TỰ NHIÊN Thời gian làm bài: 50 phút
|
Họ tên thí sinh: ..............................................Số báo danh: .............................
PHẦN I. Câu trắc nghiệm nhiều phương án lựa chọn. Thí sinh trả lời từ câu 1 đến câu 18. Mỗi câu hỏi thí sinh chỉ chọn một phương án.
Câu 1. Vật có động năng lớn nhất là:
A. Một viên đạn có khối lượng 20 g đang bay ở tốc độ 300 m/s.
B. Một khúc gỗ có khối lượng 10 kg đang trôi trên sông ở tốc độ 3,6 km/h.
C. Một vận động viên có khối lượng 65 kg đang đi xe đạp ở tốc độ 18 km/h.
D. Một quả bóng có khối lượng 0,3 kg đang di chuyển với tốc độ 10,8 km/h
Câu 2. Hai bạn Nam và Hùng kéo nước từ giếng lên. Nam kéo gàu nước nặng gấp đôi, thời gian kéo gàu nước lên của Hùng chỉ bằng một nửa thời gian của Nam. So sánh công suất trung bình của Nam và Hùng.
A. Công suất của Nam lớn hơn vì gàu nước của Nam nặng gấp đôi.
B. Công suất của Hùng lớn hơn vì thời gian kéo của Hùng chỉ bằng một nửa thời gian kéo của Nam.
C. Công suất của Nam và Hùng là như nhau.
D. Không đủ căn cứ để so sánh.
Câu 3. Tia sáng truyền trong không khí tới gặp mặt thoáng một chất lỏng, chiết suất
. Hai tia phản xạ và khúc xạ vuông góc với nhau. Góc tới i có giá trị là
A. 60°. B. 30°. C. 45°. D. 50°.
Câu 4. Chiết suất khối thủy tinh hình cầu là 2, tia sáng đi từ không khí vào thủy tinh, sau đó lại từ thủy tinh ra không khí. Trong các hình vẽ sau đây, hình vẽ chính xác là:

A. Hình 1. B. Hình 2. C. Hình 3. D. Hình 4.
Câu 5. Trên giá đỡ của một kính lúp có ghi 5x. Đó là
A. một thấu kính hội tụ có tiêu cự 2,5 cm.
B. một thấu kính phân kì có tiêu cự 2,5 cm.
C. một thấu kính hội tụ có tiêu cự 5 cm.
D. một thấu kính phân kì có tiêu cự 5 cm.
Câu 6. Phát biểu nào sau đây là đúng?
A. Ánh sáng đơn sắc là ánh sáng bị tán sắc khi đi qua lăng kính.
B. Ánh sáng trắng là hỗn hợp của vô số ánh sáng đơn sắc có màu biến thiên liên tục từ đỏ đến tím.
C. Chỉ có ánh sáng trắng mới bị tán sắc khi truyền qua lăng kính.
D. Tổng hợp các ánh sáng đơn sắc sẽ luôn được ánh sáng trắng.
Câu 7. Vật AB đặt trước thấu kính hội tụ có tiêu cự f và cách thấu kính một khoảng
. Cho ảnh A’B’. Ảnh A’B’ là
A. ảnh ảo, cùng chiều, cao gấp 2 lần vật.
B. ảnh ảo, ngược chiều, cao gấp 2 lần vật.
C. ảnh thật, cùng chiều, cao gấp 2 lần vật.
D. ảnh thật, ngược chiều, cao gấp 2 lần vật.
Câu 8. Vật sáng AB đặt trước thấu kính hội tụ có tiêu cự f = 18cm cho ảnh ảo A’B’ cách AB một đoạn 24cm. Khi đó khoảng cách d từ vật đến thấu kính là
A. 12cm B. 15cm C. 16cm D. 8cm
Câu 9. Đoạn mạch gồm các điện trở mắc nối tiếp là đoạn mạch không có đặc điểm nào dưới đây?
A. Đoạn mạch có những điểm nối chung của nhiều điện trở.
B. Đoạn mạch có những điểm nối chung chỉ của hai điện trở.
C. Dòng điện chạy qua các điện trở của đoạn mạch có cùng cường độ.
D. Đoạn mạch có những điện trở mắc liên tiếp với nhau và không có mạch rẽ.
Câu 10. Đặt một hiệu điện thế UAB vào hai đầu đoạn mạch gồm hai điện trở R1 và R2 mắc song song. Hiệu điện thế giữa hai đầu mỗi điện trở tương ứng là U1, U2. Hệ thức nào sau đây là đúng?
A.
B. ![]()
C.
D. ![]()
Câu 11. Hai bóng đèn có các hiệu điện thế định mức lần lượt là U1 và U2.
Nếu công suất định mức của hai bóng đó bằng nhau thì tỷ số hai điện trở
là:
A.
B.
C.
D. ![]()
Câu 12. Cách làm nào dưới đây có thể tạo ra dòng điện cảm ứng?
A. Nối hai cực của pin vào hai đầu cuộn dây dẫn.
B. Nối hai cực của nam châm với hai đầu cuộn dây dẫn.
C. Đưa một cực của acquy từ ngoài vào trong một cuộn dây dẫn kín.
D. Đưa một cực của nam châm từ ngoài vào trong một cuộn dây dẫn kín.
Câu 13. Một học sinh nói rằng: “Điều kiện xuất hiện dòng điện cảm ứng trong một cuộn dây dẫn kín là chuyển động tương đối giữa nam châm và cuộn dây”. Lời phát biểu này đúng hay sai? Tại sao?
A. Đúng vì luôn có sự biến đổi số đường sức từ xuyên qua tiết diện của cuộn dây.
B. Sai vì có trường hợp chuyển động giữa nam châm và cuộn dây không làm cho số đường sức từ xuyên qua tiết diện cuộn dây biến thiên.
C. Đúng vì chuyển động giữa nam châm và cuộn dây không sinh ra sự biến đổi số đường sức từ xuyên qua tiết diện cuộn dây.
D. Sai vì luôn không có sự biến đổi số đường sức từ xuyên qua tiết diện của cuộn dây.
Câu 14. Dòng năng lượng trong hệ sinh thái được truyền qua:
A. quan hệ dinh dưỡng của các sinh vật trong chuỗi thức ăn
B. quan hệ dinh dưỡng giữa các sinh vật cùng loài trong quần xã
C. quan hệ dinh dưỡng của các sinh vật cùng loài và khác loài
D. quan hệ dinh dưỡng và nơi ở của các sinh vật trong quần xã
Dùng cho câu 15, 16, 17, 18: Cho mạch điện có sơ đồ như hình 4. Biết U = 36V không đổi; R1 = 8Ω; R2 =4Ω; R3 = 24Ω; R5 là một biến trở. Điện trở của ampe kế và dây nối, khóa K không đáng kể. Khoá K mở:

Câu 15. Khi R5 = 8Ω. Công suất tiêu thụ trên R5.
A. 12W B. 15W C. 16W D. 18W
Câu 16. Dịch chuyển con chạy của biến trở để ampe kế chỉ 0,6A. Tính R5 và công suất tiêu thụ trên đoạn mạch MN.
A. 24,91W B. 25,91W C. 24,92W D. 25,92W
Câu 17. Với giá trị nào của R5 thì công suất trên đoạn mạch MN cực đại?
A. 24 Ω B. 25 Ω C. 26 Ω D. 27 Ω
Câu 18. Theo câu 17, công suất tiêu thụ trên đoạn mạch AB khi đó là:
A. 53 W B. 54 W C. 57 W D. 56 W
PHẦN II. Câu trắc nghiệm đúng sai. Thí sinh trả lời từ câu 1 đến câu 4. Trong mỗi ý a), b), c), d) ở mỗi câu, thí sinh chọn đúng hoặc sai.
Câu 1. Một vật sáng AB là một đoạn thẳng nhỏ được đặt vuông góc với trục chính của một thấu kính hội tụ, xy là trục chính của thấu kính. Điểm A nằm trên trục chính và cách quang tâm O của thấu kính một khoảng OA bằng 15 cm. Một tia sáng đơn sắc đi qua B gặp thấu kính tại K (với OK = 2AB). Tia ló ra khỏi thấu kính KR có đường kéo dài đi qua điểm A như Hình 1.

a. Cách dựng ảnh A'B' của AB:
+ Từ B ta vẽ tia tới BO cho tia ló qua tiêu điểm.
+ trên đường kéo dài BO cắt tia AK tại ảnh ảo B'
+ Từ ảnh B' ta dựng đường thẳng vuông góc với trục chính xy, cắt xy tại ảnh ảo A'
+ Nối A' và B' ta được ảnh ảo A'B'
b. Tiêu cự của thấu kính là 30 cm.
c. Cho vật AB dịch chuyển ra xa khoảng a = 5 cm, dọc theo trục chính của thấu kính. Ảnh dịch chuyển theo chiều ra xa thấu kính.
d. Theo câu c, ảnh dịch chuyển thêm một khoảng 30 cm.
Câu 2. Cho ba điện trở R1, R2 và R3 = 10Ω được ghép với nhau thành một đoạn mạch AB như hình 2. Điện trở của đoạn mạch AB là 5 Ω.

a. Biết rằng, nếu đổi chỗ R2 với R3 thì điện trở của đoạn mạch AB là 3,5 Ω. Giá R1 là 5,5 Ω.
b. Theo câu a, giá trị R2 là 3,5 Ω.
c. Mắc nối tiếp đoạn mạch AB ban đầu với đoạn mạch BC chứa hộp X (trong X là bộ bóng đèn giống nhau). Đặt vào hai đầu mạch AC hiệu điện thể không đổi UAC = 220 V. Công suất lớn nhất của bộ bóng đèn là 2420W.
d. Một hộ gia đình kinh doanh trồng hoa để bán tết, sử dụng mạng điện như câu c để chiếu sáng vườn hoa. Giữ nguyên điện áp UAC = 220 V và công suất bộ đèn luôn lớn nhất. Biết trung bình mỗi ngày hoạt động liên tục trong 5h và giá bảng điện như sau:
|
Điện năng tiêu thụ (kW.h) |
0 đến 50
|
51 đến 100 |
101 đến 150 |
Trên 151 |
|
Giá tiền(VNĐ) 1500 |
1500 |
1800 |
2100 |
2500 |
Số tiền điện mà hộ gia đình phải trả từng tháng (30 ngày) là 1 880 000 VNĐ. Biết thuế VAT là 10%.
Câu 3. thí nghiệm về tán sắc ánh sáng, khi ánh sáng trắng chiếu qua một lăng kính, các màu sắc khác nhau được tách ra và có các góc lệch khác nhau.
a. Ánh sáng trắng là tập hợp tất cả các ánh sáng đơn sắc có màu khác nhau.
b. Các màu sắc bị tách ra trong thí nghiệm tán sắc đều có cùng bước sóng khi đi qua lăng kính.
c. Góc lệch của ánh sáng màu đỏ lớn hơn góc lệch của ánh sáng màu xanh trong lăng kính.
d. Khi ánh sáng trắng đi qua lăng kính, ánh sáng màu xanh bị lệch ít hơn ánh sáng màu tím.
Câu 4. Một nhà máy thủy điện dự định xây dựng một đập lớn để tận dụng năng lượng dòng chảy. Tuy nhiên, họ lo ngại về tác động đến môi trường và hệ sinh thái của khu vực. Xem xét các vấn đề sau:
a. Đập thủy điện có thể gây ảnh hưởng lớn đến hệ sinh thái sông và các loài cá.
b. Sử dụng năng lượng từ dòng chảy là phương án thân thiện nhất với môi trường so với các loại năng lượng tái tạo khác.
c. Việc xây dựng đập thủy điện có thể gây ra sự thay đổi lớn về địa hình và làm tăng nguy cơ động đất.
d. Thủy điện là nguồn năng lượng tái tạo duy nhất có thể cung cấp điện liên tục bất kể điều kiện thời tiết.
PHẦN III. Câu trắc nghiệm yêu cầu trả lời ngắn. Thí sinh trả lời từ câu 1 đến câu 3.
Câu 1. Một ống dẫn sáng hình trụ với lõi có chiết suất n1 = 1,5 và phần bọc ngoài có chiết suất
. Chùm tia tới hội tụ tại mặt trước của ống với góc 2α. Xác định α để tia sáng trong chùm đều truyền đi được trong ống?

Câu 2. Đặt một vật sáng có dạng đoạn thẳng AB trước một thấu kính hội tụ có quang tâm O; trục chính ∆ và có tiêu cự f = OF = 20cm.

a. Vật sáng AB vẫn đặt vuông góc với trục chính của thấu kính và cách thấu kính một đoạn OA = 12cm. Em hãy vận dụng kiến thức hình học để tìm khoảng cách từ vật đến ảnh.
b. Đặt vật sáng trên ở một phía của thấu kính, song song với trục chính và cách trục chính một đoạn h = 20 cm. Biết các điểm A và B cách thấu kính lần lượt
là 40 cm và 30 cm. Tính độ lớn ảnh của vật AB qua thấu kính.
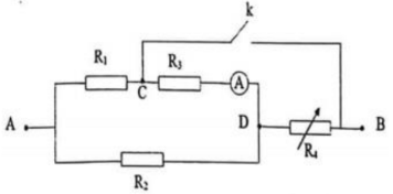
Câu 3. Cho mạch điện như sơ đồ hình vẽ. Biết: R1 = 45 Ω; R2 = 90 Ω; R3 = 15 Ω; R4 là một biến trở. Hiệu điện thế UAB không đổi. Bỏ qua điện trở của dây nối, ampe kế và khóa k.

a. Khóa k mở, điều chỉnh R4 = 24 Ω thì ampe kế chỉ 0,6 A. Tính hiệu điện thế UAB. Điều chỉnh R4 đến giá trị sao cho dù k đóng hay k mở số chỉ của ampe kế không thay đổi. Xác định:
b. Giá trị R4.
c. Số chỉ của cường độ dòng điện qua khóa k khi k đóng.
–––Hết–––
– Thí sinh không được sử dụng tài liệu;
– Giám thị coi thi không giải thích gì thêm.
📚 Phần tiếp theo của tài liệu đã được tổng hợp trong file đính kèm, mời bạn tải về để đọc tiếp.
------------------------------------------------
Việc luyện tập với Đề minh họa tuyển sinh vào chuyên Lý lớp 10 - Đề 3 sẽ giúp học sinh làm quen với dạng đề nâng cao và củng cố kiến thức trọng tâm của Vật lý 9. Thường xuyên giải đề thi vào lớp 10 chuyên Vật lý có đáp án sẽ giúp nâng cao kỹ năng phân tích bài toán và tăng sự tự tin khi bước vào kỳ thi tuyển sinh.