Đề minh họa tuyển sinh vào chuyên Lý lớp 10 - Đề 2
Đề thi tuyển sinh vào 10 môn Vật lý - Có đáp án
Đề minh họa tuyển sinh vào chuyên Lý lớp 10 - Đề 2 được xây dựng dựa trên nội dung trọng tâm của chương trình Vật lý 9, giúp học sinh làm quen với cấu trúc đề thi và rèn luyện kỹ năng giải các dạng bài thường gặp. Tài liệu đề thi vào lớp 10 chuyên Vật lý có đáp án sẽ hỗ trợ học sinh tự luyện tập và đánh giá năng lực trước kỳ thi quan trọng.
|
ĐỀ MINH HỌA CẤU TRÚC ĐỀ THI TUYỂN SINH VÀO CHUYÊN LÝ LỚP 10 THPT Đề số 2
|
Môn: KHOA HỌC TỰ NHIÊN Thời gian làm bài: 50 phút
|
Họ tên thí sinh: ..............................................Số báo danh: .............................
PHẦN I. Câu trắc nghiệm nhiều phương án lựa chọn. Thí sinh trả lời từ câu 1 đến câu 18. Mỗi câu hỏi thí sinh chỉ chọn một phương án.
Câu 1. Một vận động viên trượt tuyết từ trên vách núi trượt xuống, tốc độ trượt mỗi lúc một tăng. Như vậy, trong chuyển động của vận động viên
A. động năng tăng, thế năng tăng. B. động năng tăng, thế năng giảm.
C. động năng không đổi, thế năng giảm. D. động năng giảm, thế năng tăng.
Câu 2. Có hai động cơ điện dùng để đưa gạch lên cao. Động cơ thứ nhất kéo được 10 viên gạch, mỗi viên nặng 20 N lên cao 4 m. Động cơ thứ hai kéo được 20 viên gạch, mỗi viên nặng 10 N lên cao 8 m. Nếu gọi công của động cơ thứ nhất là A1 của động cơ thứ hai là A2 thì biểu thức nào dưới đây là đúng?
A.
B.
C.
D. ![]()
Câu 3. Một bản mặt song song có bề dày 10cm, chiết suất
được đặt trong không khí. Chiếu tới bản một tia sáng SI có góc tới
. Khoảng cách giữa giá của tia tới và tia ló là
A.
B.
C.
D. ![]()
Câu 4. Một khối bán trụ trong suốt có chiết suất
đặt trong không khí. Một chùm tia sáng hẹp nằm trong mặt phẳng của tiết diện vuông góc, chiếu tới khối bán trụ như hình vẽ.

Chọn phương án đúng.
A. Khi
thì tia khúc xạ ra ngoài không khí với góc khúc xạ ![]()
B. Khi
thì tia khúc xạ ra ngoài không khí với góc khúc xạ ![]()
C. Khi
thì tia khúc xạ đi là là trên mặt phân cách.
D. Khi
thì xảy ra hiện tượng phản xạ toàn phần tại O.
Câu 5. Có thể dùng kính lúp để quan sát
A. trận bóng đá trên sân vận động. B. một con vi trùng.
C. các chi tiết máy của đồng hồ đeo tay. D. kích thước của nguyên tử.
Câu 6. Chiếu một tia sáng đến lăng kính thì thấy tia ló ra là một tia sáng đơn sắc. Có thể kết luận tia sáng chiếu tới lăng kính là
A. ánh sáng trắng. B. ánh sáng đơn sắc.
C. tạp sắc. D. Ánh sáng đa sắc.
Câu 7. Một người quan sát vật AB qua một thấu kính phân kì, đặt cách mắt 8 cm thì thấy ảnh của mọi vật ở xa, gần đều hiện lên cách mắt trong khoảng 64 cm trở lại. Xác định tiêu cự của thấu kính phân kì
A. 40 cm. B. 64 cm. C. 56 cm. D. 72 cm.
Câu 8. Trên một biến trở con chạy có ghi Rb (100 Ω - 2 A). Phát biểu nào sau đây là đúng về con số 2 A?
A. Cường độ dòng điện lớn nhất được phép qua biến trở.
B. Cường độ dòng điện bé nhất được phép qua biến trở.
C. Cường độ dòng điện định mức của biến trở.
D. Cường độ dòng điện trung bình qua biến trở
Câu 9. Hai điện trở R1 và R2 mắc nối tiếp nhau trong một đoạn mạch. Biết R1 = 2R2, ampe kế chỉ 1,8A, hiệu điện thế giữa hai đầu đoạn mạch là UMN = 54 V. Điện trở R1 và R2 có giá trị lần lượt là
A. 20 Ω và 10 Ω. B. 20 Ω và 11 Ω.
C. 12 Ω và 20 Ω. D. 13 Ω và 20 Ω.
Câu 10. Ba điện trở R1, R2, R3 được mắc song song vào hai điểm A và B. Biết cường độ dòng điện qua R2 là 0,6A và R1 = 20 Ω, R2 = 30 Ω, R3 = 60 Ω. Cường độ dòng điện qua R1, R3 và qua mạch chính có giá trị lần lượt là
A. 0,9 A, 0,3 A và 1,8 A. B. 0,9 A, 0,3 A và 1,5 A.
C. 0,5 A, 0,3 A và 1,8 A. D. 0,9 A, 0,5 A và 1,8 A.
Câu 11. Một đoạn mạch có hiệu điện thế 2 đầu không đổi. Khi chỉnh điện trở của nguồn là 100 Ω thì công suất của mạch là 20 W. Khi chỉnh điện trở của mạch 50 Ω là thì công suất của mạch là
A. 10 W. B. 5 W. C. 40 W. D. 80 W.
Câu 12. Quan sát hình vẽ và cho biết khi nào kim của ampe kế sẽ bị lệch (Tức là xuất hiện dòng điện cảm ứng)?

Chọn trường hợp đúng trong các trường hợp sau
A. Dịch chuyển đoạn dây dẫn MN tịnh tiến xuống dưới.
B. Dịch chuyển đoạn dây dẫn MN tịnh tiến theo phương ngang.
C. Dịch chuyển đoạn dây dẫn MN tịnh tiến lên trên.
D. Cả 3 trường hợp, kim của ampe kế đều bị lệch.
Câu 13. Trong thí nghiệm như hình sau, hiện tượng gì xảy ra với đinh sắt khi ta đổi chiều dòng điện chạy vào nam châm điện?

A. Đinh sắt vẫn bị hút như trước. B. Đinh sắt quay một góc 900.
C. Đinh sắt quay ngược lại. D. Đinh sắt bị đẩy ra.
Câu 14. Vùng biển nào ở Việt Nam có tiềm năng năng lượng sóng biển lớn nhất?
A. Vùng bở biển miền Bắc từ Quảng Ninh đến Thanh Hóa
B. Vùng bờ biển miền Trung từ Đà Nẵng đến Ninh Thuận
C. Vùng bờ biển miền Trung từ Quảng Bình đến Quảng Nam
D. Vùng bờ biển miền Nam từ Bình Thuận đến Cà Mau
Câu 15. Đặt vào hai đầu điện trở R1 một hiệu điện thế U thì cường độ dòng điện chạy qua điện trở R1 là I: Đặt vào hai đầu điện trở R2 một hiệu điện thế 2U thì cường độ dòng điện chạy qua điện trở R2 là
. Đặt hiệu điện thể 25 V vào hai đầu đoạn mạch gồm điện trở R1, R2 nối tiếp nhau thì hiệu điện thế giữa hai đầu điện trở R2 có giá trị là
A. 25 V. B. 5V. C. 12,5 V. D. 20 V.
Dùng cho câu 16, 17, 18: Cho mạch điện như hình vẽ. Trong đó hiệu điện thế giữa AB là U = 24 V không đổi, điện trở R1 =12 Ω, R2 = 9 Ω, R3 là một biến trở, R4 = 6 Ω, dây nối và Ampe kế có điện trở không đáng kể.

Câu 16. Cho R3 = 6 Ω, giá trị cường độ dòng điện qua các điện trở R1, R3 lần lượt là
A. 3A, 2A. B. 2A, 3A. C. 1A, 2A. D. 2A, 1A.
Câu 17. Theo câu 16, số chỉ Ampe kế là:
A. 1 A. B. 2 A. C. 3 A. D. 4 A.
Câu 18. Thay Ampe kế bằng Vôn kế có điện trở rất lớn, thay đổi giá trị R3 đến khi số chỉ của Vôn kế là 18 V. Giá trị R3 lúc này là:
A. 13,1 Ω. B. 13,2 Ω. C. 13,3 Ω. D. 13,4 Ω.
PHẦN II. Câu trắc nghiệm đúng sai. Thí sinh trả lời từ câu 1 đến câu 4. Trong mỗi ý a), b), c), d) ở mỗi câu, thí sinh chọn đúng hoặc sai.
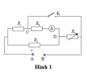
Câu 1. Cho mạch điện như hình 1.

Biết UAB = 90V; R1 = 40Ω; R2 = 90Ω; R4 =20Ω; R3 là một biến trở. Bỏ qua điện trở của ampe kế, dây nối và khóa K.
a. Khóa K mở, điện trở tương đương đoạn mạch AB:
.
b. Khóa K đóng, số chỉ của ampe kế là
.
c. Để số chỉ của ampe kế khi K mở bằng 2 lần số chỉ của ampe kế khi K đóng thì R3 = 20 Ω.
d. Khi khóa K đóng, điều chỉnh biến trở R3 để công suất tiêu thụ trên R3 đạt cực đại. Công suất cực đại đó có giá trị là
.
Câu 2. Một người đang nâng một thùng hàng từ mặt đất lên cao bằng một cần trục. Trong quá trình nâng, thùng hàng chịu tác động của trọng lực và ma sát trong cơ cấu của cần trục.
a. Công suất cần trục thực hiện trong quá trình nâng thùng hàng sẽ tăng nếu thời gian nâng kéo dài hơn.
b. Công thực hiện bởi cần trục phụ thuộc vào khối lượng của thùng hàng và độ cao mà nó được nâng lên.
c. Nếu cần trục nâng thùng hàng với tốc độ không đổi, lực nâng phải bằng với trọng lực tác dụng lên thùng hàng.
d. Ma sát trong hệ thống làm giảm công suất hiệu quả của cần trục, nhưng không ảnh hưởng đến tổng công mà cần trục phải thực hiện.
Câu 3. Trong một hệ thống cảm ứng từ, một cuộn dây được đặt bên trong từ trường thay đổi nhanh chóng. Khi dòng điện cảm ứng được sinh ra trong cuộn dây, nó được sử dụng để nạp năng lượng cho một bộ tụ điện.
a. Nếu tốc độ thay đổi của từ trường tăng, năng lượng tích lũy trong tụ điện sẽ tăng nhanh hơn.
b. Dòng điện cảm ứng sẽ lập tức ngừng khi từ trường không còn thay đổi, dù năng lượng tích trong tụ điện vẫn còn.
c. Nếu cuộn dây bị rút ngắn, dòng điện cảm ứng sẽ giảm do diện tích của cuộn dây giảm, từ đó làm giảm sự thay đổi từ thông.
d. Việc thêm một lõi sắt vào bên trong cuộn dây sẽ làm tăng cường độ dòng điện cảm ứng sinh ra.
Câu 4. Vật sáng AB có dạng một đoạn thẳng đặt vuông góc với trục chính xy của thấu kính L, A’B’ là ảnh của AB tạo bởi thấu kính L (Hình 4).

a. L là thấu kính hội tụ. Vì thấu kính cho ảnh ngược chiều vật.
b. Biết
. Giữ nguyên vị trí của L, dịch chuyển vật AB lại gần L một đoạn 6cm dọc theo trục chính với vận tốc không đổi
. Vận tốc trung bình ảnh B’ của B khi AB dịch chuyển là ![]()
c. Đặt sau L một thấu kính hội tụ L1 có cùng trục chính. Khi AB dịch chuyển dọc theo trục chính (AB luôn vuông góc với trục chính) thì ảnh A1B1 của AB tạo bởi hệ hai thấu kính có độ cao không đổi và lớn gấp 3 lần vật. Tiêu cự của thấu kính L1 là 16 cm.
d. Theo câu c, khoảng cách giữa hai thấu kính là 24cm.
PHẦN III. Câu trắc nghiệm yêu cầu trả lời ngắn. Thí sinh trả lời từ câu 1 đến câu 4.
Câu 1. Một thác nước cao 120 m có lưu lượng
khối lượng riêng của nước là
. Tính công suất cực đại mà ta có thể khai thác được của thác nước? Giả sử một máy phát điện sử dụng được 20% công suất của thác, thì cùng một lúc máy phát điện có thể thắp sáng bình thường tối đa bao nhiêu bóng điện 60 W?
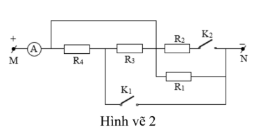
Câu 2. Cho mạch điện gồm các điện trở R1, R2, R3, R4 ampe kế A và hai khóa K1, K2 mắc như hình vẽ 2.

Hiệu điện thế U giữa hai điểm M, N không đổi, điện trở các dây nối, ampe kế và các khóa K không đáng kể.
a. Khi K1, K2 đều mở thì ampe kế chỉ giá trị I1. Khi K1 mở, K2 đóng thì ampe kế chỉ giá trị I2. Khi K1 đóng, K2 mở thì ampe kế chỉ giá trị I3. Khi K1, K2 đều đóng,
tìm biểu thức xác định số chỉ của ampe kế theo I1, I2 và I3.
b. Khóa K1 và K2 đều mở. Thay ampe kể bằng điện trở Ro và thay điện trở R1 bằng một biển trở Rx. Điều chỉnh biến trở đến giá trị Rx - a(Ω) thì công suất toả nhiệt trên biến trở là P1(W). Điều chỉnh biến trở đến giá trị Rx - b(Ω) thì công suất toả nhiệt trên biến trở là P2(W). Biết P1 = P2 = P(W). Xác định biểu thức của hiệu điện thế U theo a, b và P.
Câu 3. Một con kiến bò dọc theo trục chính của một thấu kính hội tụ có tiêu cự f=20cm. Biết thời điểm bắt đầu khảo sát con kiến ở vị trí A cách quang tâm O của thấu kính một đoạn OA = 50cm, coi tốc độ của con kiến là v = 2cm/s và không đổi trong quá trình chuyển động. Tính tốc độ trung bình của ảnh con kiến qua thấu kính trên trong thời gian 5s đầu tiên.
Câu 4. Một ấm đun nước bằng điện có 3 dây may so mắc song song, mỗi cái có điện trở Ro = 180Ω. Âm được mắc nối tiếp với điện trở R = 50Ω.
a. Hỏi thời gian cần thiết để đun sôi ấm đầy nước sẽ thay đổi như thế nào khi một trong 3 dây may so bị đứt.
b. Hỏi thời gian cần thiết để đun sôi ấm đầy nước sẽ thay đổi như thế nào khi hai trong 3 dây may so bị đứt.
–––Hết–––
– Thí sinh không được sử dụng tài liệu;
– Giám thị coi thi không giải thích gì thêm.
--------------------------------------------------------
📚 Phần tiếp theo của tài liệu đã được tổng hợp trong file đính kèm, mời bạn tải về để đọc tiếp.
------------------------------------------------
Việc luyện tập với Đề minh họa tuyển sinh vào chuyên Lý lớp 10 - Đề 2 sẽ giúp học sinh làm quen với dạng đề nâng cao và củng cố kiến thức trọng tâm của Vật lý 9. Thường xuyên giải đề thi vào lớp 10 chuyên Vật lý có đáp án sẽ giúp nâng cao kỹ năng phân tích bài toán và tăng sự tự tin khi bước vào kỳ thi tuyển sinh.