Đề thi chọn lớp khối 10 môn Vật lý trường THPT Yên Lạc 2, Vĩnh Phúc năm học 2016 - 2017
Đề thi chọn lớp khối 10 môn Vật lý
Đề thi chọn lớp khối 10 môn Vật lý trường THPT Yên Lạc 2, Vĩnh Phúc năm học 2016 - 2017 là đề kiểm tra khảo sát lớp 10 nhằm đánh giá chất lượng học sinh, nhằm phân loại học sinh thành các lớp để có phương hướng giảng dạy thích hợp. Mời quý thầy cô và các em cùng tham khảo.
Đề thi chọn lớp khối 10 môn Ngữ văn trường THPT Yên Lạc 2, Vĩnh Phúc năm học 2016 - 2017
Đề thi chọn lớp khối 10 môn Toán trường THPT Yên Lạc 2, Vĩnh Phúc năm học 2016 - 2017
| SỞ GD&ĐT VĨNH PHÚC TRƯỜNG THPT YÊN LẠC 2 ———**——— |
ĐỀ CHỌN LỚP KHỐI 10 NĂM HỌC 2016 -2017 MÔN: VẬT LÝ Thời gian làm bài: 90 phút, không kể thời gian giao đề. Đề thi gồm: 01 trang. ——————— |
Câu 1: Đặt vào hai đầu điện trở một hiệu điện thế U = 12 V thì cường độ dòng điện chạy qua nó là I = 0,4 A. Nếu hiệu điện thế đặt vào hai đầu điện trở đó tăng lên đến 18 V thì cường độ dòng điện chạy qua nó là bao nhiêu?
Câu 2: Cho mạch điện như hình vẽ. Trong đó R1 = 4 Ω, R2 = 10 Ω, R3 = 15 Ω. Ampe kế có điện trở rất nhỏ chỉ 1,5A

a, Tính điện trở tương đương của đoạn mạch AB.
b, Tính hiệu điện thế giữa hai điểm AC và AB.
Câu 3: Một bóng đèn dây tóc có ghi 12V – 6W. Giả sử điện trở của dây tóc bóng đèn không thay đổi khi thắp sáng.
a) Tìm điện trở của đèn và cường độ dòng điện qua đèn khi đèn sáng bình thường.
b) Bóng đèn được mắc vào hai điểm có hiệu điện thế 9V. Tính công suất của bóng đèn và điện năng tiêu thụ khi thắp sáng đèn trong 30 phút lên tục.
Câu 4: Đặt một vật sáng nhỏ AB cao 2cm vuông góc với trục chính của một thấu kính hội tụ tiêu cự 12cm, vật cách thấu kính 10cm.
a) Xác định vị trí, tính chất, độ cao của ảnh.
b) Để ảnh của vật thu được là ảnh thật cao 4 cm thì phải đặt vật cách thấu kính bao nhiêu?
Câu 5: Đặt một vật sáng nhỏ AB vuông góc với trục chính của thấu kính hội tụ tiêu cự f vật cho ảnh thật cao bằng vật. Di chuyển vật lại gần thấu kính 4cm thì ảnh của vật vẫn là ảnh thật nhưng cao gấp hai lần vật.
a) Tìm tiêu cự của thấu kính.
b) Ban đầu vật đặt cách thấu kính bao nhiêu?
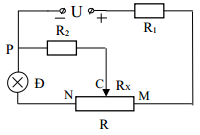
Câu 6: Cho mạch điện như hình vẽ

Nguồn điện U có hiệu điện thế không đổi là 21V, biến trở có điện trở tổng cộng R = 4,5Ω, R1 = 3Ω, R2 = 4,5 Ω, bóng đèn có điện trở không đổi RĐ = 4,5Ω.
Xác định giá trị của đoạn biến trở RX (từ M tới C) để đèn tối nhất.
Đáp án đề thi chọn lớp khối 10 môn Vật lý

