Giải VTH Khoa học tự nhiên 8 Kết nối tri thức bài 24
VnDoc xin giới thiệu bài Giải vở thực hành Khoa học tự nhiên 8 bài 24: Cường độ dòng điện và hiệu điện thế sách Kết nối tri thức hay, chi tiết sẽ giúp học sinh tham khảo để làm bài tập trong VTH Khoa học tự nhiên 8.
Bài: Cường độ dòng điện và hiệu điện thế
Bài 24.1 trang 11 Vở thực hành KHTN 8: Từ kết quả thí nghiệm ở Hình 24.1 SGK KHTN 8, rút ra nhận xét về mối quan hệ giữa độ sáng của bóng đèn, số chỉ trên ampe kế và mức độ mạnh yếu của dòng điện.
Lời giải:
Dòng điện càng mạnh (yếu) thì số chỉ ampe kế càng lớn (nhỏ) và bóng đèn sáng càng mạnh (yếu).
Bài 24.2 trang 12 Vở thực hành KHTN 8: Quan sát Hình 1.6 (trang 9 SGK KHTN 8) và cho biết khi sử dụng ampe kế để đo cường độ dòng điện, cần mắc ampe kế vào mạch điện như thế nào?
Lời giải:
Khi sử dụng ampe kế để đo cường độ dòng điện, ta cần mắc ampe kế vào mạch điện sao cho chốt dương (+) của ampe kế với cực dương (+) của nguồn điện. Chốt âm (-) của ampe kế mắc với thiết bị điện về phía cực âm (-) của nguồn điện.
Bài 24.3 trang 12 Vở thực hành KHTN 8: Từ kết quả thí nghiệm ở Hình 24.2 SGK KHTN 8, thực hiện các yêu cầu sau:
1. Rút ra nhận xét về khả năng sinh ra dòng điện của từng nguồn điện 1,5 V; 3 V; 4,5 V.
2. Số chỉ trên vôn kế có bằng giá trị ghi trên nguồn điện không?
Lời giải:
1. - Số chỉ ampe kế khi mắc nguồn điện 1,5 V nhỏ hơn số chỉ ampe kế khi mắc nguồn điện 3 V nhỏ hơn số chỉ ampe kế khi mắc nguồn điện 4,5 V.
- Nhận xét: Nguồn điện có số vôn càng lớn thì khả năng sinh ra dòng điện càng lớn.
2. Số chỉ trên vôn kế có bằng giá trị hiệu điện thế ghi trên nguồn điện vì hai chốt của vôn kế được mắc trực tiếp với hai cực của nguồn điện để đo hiệu điện thế của nguồn điện.
Bài 24.4* trang 12 Vở thực hành KHTN 8: Hãy hoàn thành bảng dưới đây.
|
Đại lượng |
Kí hiệu |
Đơn vị |
Dụng cụ đo |
|
Cường độ dòng điện |
|||
|
Hiệu điện thế |
Lời giải:
|
Đại lượng |
Kí hiệu |
Đơn vị |
Dụng cụ đo |
|
Cường độ dòng điện |
I |
Ampe (A) |
Ampe kế |
|
Hiệu điện thế |
U |
Vôn (V) |
Vôn kế |
Bài 24.5* trang 12 Vở thực hành KHTN 8: Nêu tên và tác dụng của các dụng cụ điện có trong sơ đồ mạch điện sau:

Lời giải:
Nguồn điện cung cấp năng lượng điện.
Bóng đèn sử dụng năng lượng điện để phát sáng.
Ampe kế dùng để đo cường độ dòng điện.
Vôn kế dùng để đo hiệu điện thế.
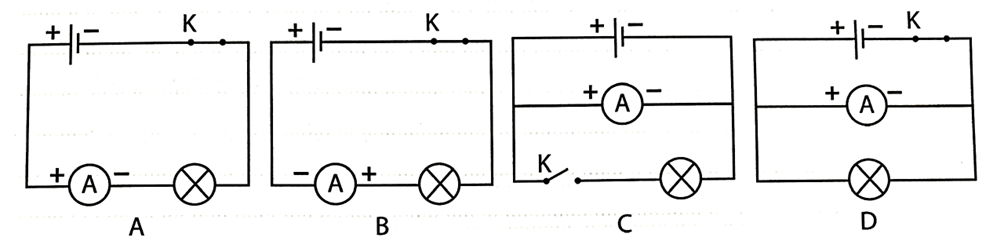
Bài 24.6* trang 13 Vở thực hành KHTN 8: Vôn kế trong sơ đồ nào dưới đây đo hiệu điện thế giữa hai cực của nguồn điện khi mạch để hở?

Lời giải:
Vôn kế ở hình A đo hiệu điện thế giữa hai cực của nguồn điện khi mạch để hở.
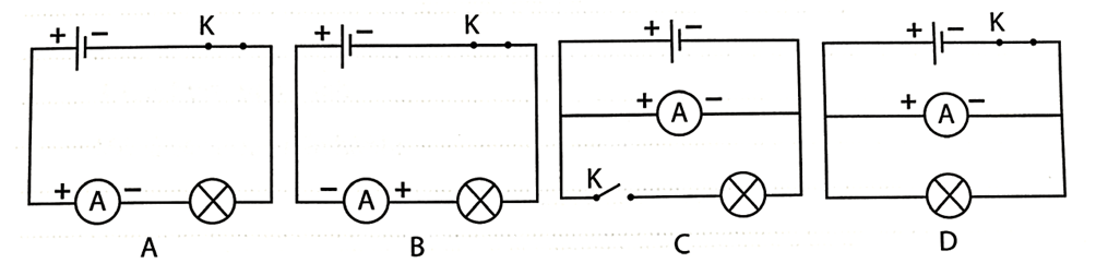
Bài 24.7* trang 13 Vở thực hành KHTN 8: Ampe kế trong sơ đồ nào dưới đây được mắc đúng để đo cường độ dòng điện chạy qua bóng đèn?

Lời giải:
Ampe kế trong sơ đồ A được mắc đúng để đo cường độ dòng điện chạy qua bóng đèn.
>>> Bài tiếp theo: Giải VTH Khoa học tự nhiên 8 Kết nối tri thức bài 25
Trên đây là toàn bộ lời giải Giải Vở thực hành KHTN lớp 8 bài 24: Cường độ dòng điện và hiệu điện thế Kết nối tri thức với cuộc sống. Các em học sinh tham khảo thêm KHTN lớp 8 Chân trời sáng tạo và KHTN lớp 8 Cánh Diều. VnDoc liên tục cập nhật lời giải cũng như đáp án sách mới của SGK cũng như SBT các môn cho các bạn cùng tham khảo.