Giải VTH Khoa học tự nhiên 8 Kết nối tri thức bài 25
Giải vở thực hành Khoa học tự nhiên 8 bài 25: Thực hành đo cường độ dòng điện và hiệu điện thế sách Kết nối tri thức hay, chi tiết sẽ giúp học sinh tham khảo để làm bài tập trong VTH Khoa học tự nhiên 8.
Bài: Thực hành đo cường độ dòng điện và hiệu điện thế
Bài 25.1 trang 13 Vở thực hành KHTN 8: Một học sinh cho rằng: “Bóng đèn tiêu thụ dòng điện, do đó cường độ dòng điện sẽ giảm sau khi đi qua bóng đèn”. Em có đồng ý với bạn học sinh đó không? Làm thế nào để kiểm tra ý kiến của mình?
Lời giải:
Em không đồng ý với bạn học sinh đó, để kiểm tra ta cần làm thí nghiệm đo cường độ dòng điện sử dụng ampe kế mắc với bóng đèn thành một mạch kín (như hình vẽ), khi có dòng điện chạy trong mạch ta sẽ biết được số chỉ ampe kế.
Bài 25.2 trang 13 Vở thực hành KHTN 8: Hoàn thành báo cáo thực hành: Đo cường độ dòng điện.
1. Mục đích thí nghiệm …………….
2. Chuẩn bị
Dụng cụ thí nghiệm: …………….
3. Các bước tiến hành
Mô tả các bước tiến hành: …………….
4. Kết quả thí nghiệm
Bảng 25.1. Bảng số liệu đo cường độ dòng điện
|
Lần đo |
I1 (A) vị trí 1 |
I2 (A) vị trí 2 |
|
Pin 1,5 V |
||
|
Pin 3 V |
||
|
Pin 6 V |
Dựa vào kết quả thí nghiệm, em có nhận xét gì về giá trị cường độ dòng điện tại vị trí 1 và vị trí 2.
Lời giải:
1. Mục đích thí nghiệm: Đo cường độ dòng điện trong mạch điện đơn giản.
2. Chuẩn bị
Dụng cụ thí nghiệm:
- Ba nguồn điện: 1,5 V; 3 V; 6 V.
- Bóng đèn pin: 6 V – 0,5 A.
- Một ampe kế có giới hạn đo từ 0,5 A trở lên và có độ chia nhỏ nhất là 0,01 A.
- Một công tắc.
- Dây nối.
3. Các bước tiến hành
Mô tả các bước tiến hành:
- Mắc mạch điện với nguồn điện là pin 1,5 V theo sơ đồ Hình 25.1. Khi đó công tắc đang ngắt, mạch hở.
- Đóng công tắc và đo giá trị cường độ dòng điện I1 chạy qua mạch ở vị trí (1) và ghi vào vở theo mẫu Bảng 25.1.
- Lặp lại thí nghiệm để đo cường độ dòng điện I2 tại vị trí (2) và ghi vào vở theo mẫu Bảng 25.1.
- Tiến hành lại thí nghiệm với nguồn điện là pin 3 V và pin 6 V.
4. Kết quả thí nghiệm
Bảng 25.1. Bảng số liệu đo cường độ dòng điện
|
Lần đo |
I1 (A) vị trí 1 |
I2 (A) vị trí 2 |
|
Pin 1,5 V |
3 A |
3 A |
|
Pin 3 V |
6 A |
6 A |
|
Pin 6 V |
12 A |
12 A |
Nhận xét: Giá trị cường độ dòng điện tại các vị trí 1, 2 là như nhau.
Bài 25.3 trang 15 Vở thực hành KHTN 8: Hoàn thành báo cáo thực hành: Đo hiệu điện thế.
1. Mục đích thí nghiệm …………….
2. Chuẩn bị
Dụng cụ thí nghiệm: …………….
3. Các bước tiến hành
Mô tả các bước tiến hành: …………….
4. Kết quả thí nghiệm
Bảng 25.2. Bảng số liệu đo hiệu điện thế
|
Lần đo |
Unguồn (V) |
U (V) |
|
Pin 1,5 V |
||
|
Pin 3 V |
Em có nhận xét gì về các giá trị của hiệu điện thế hai đầu bóng đèn và giá trị hiệu điện thế của nguồn?
Lời giải:
1. Mục đích thí nghiệm: Đo hiệu điện thế trong mạch điện đơn giản.
2. Chuẩn bị
Dụng cụ thí nghiệm:
- Ba nguồn điện: 1,5 V; 3 V.
- Bóng đèn pin: 6 V – 0,5 A.
- Một vôn kế có giới hạn đo là 6 V và có độ chia nhỏ nhất là 0,1 V.
- Một công tắc.
- Dây nối.
3. Các bước tiến hành
Mô tả các bước tiến hành:
- Đo giá trị hiệu điện thế của pin 1,5 V và ghi vào vở theo mẫu Bảng 25.2.
- Mắc vôn kế để đo hiệu điện thế hai đầu bóng đèn trong mạch điện theo Hình 25.2. Giá trị này chính là hiệu điện thế giữa hai vị trí (1) và (2) (Hình 25.2). Công tắc bị ngắt và mạch hở. Khi mắc mạch cần lưu ý nối chốt (+) của vôn kế với chốt có dòng điện đi vào bóng đèn; chốt (-) của vôn kế với chốt có dòng điện đi ra khỏi bóng đèn.
- Đóng công tắc, đọc giá trị hiệu điện thế trên bóng đèn U và ghi vào vở theo mẫu Bảng 25.2.
- Thay pin 1,5 V bằng pin 3 V và lặp lại thí nghiệm.
4. Kết quả thí nghiệm
Bảng 25.2. Bảng số liệu đo hiệu điện thế
|
Lần đo |
Unguồn (V) |
U (V) |
|
Pin 1,5 V |
1,5 V |
1,5 V |
|
Pin 3 V |
3 V |
3 V |
Nhận xét: Giá trị của hiệu điện thế hai đầu bóng đèn và giá trị hiệu điện thế của nguồn điện là bằng nhau.
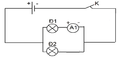
Bài 25.4* trang 16 Vở thực hành KHTN 8: Trong giờ thực hành, các bạn học sinh phải mắc một mạch điện song song gồm các dụng cụ sau: một nguồn điện, một công tắc, hai đèn Đ1 và Đ2, một ampe kế đo cường độ dòng điện qua đèn Đ1 và các dây nối. Vẽ sơ đồ mạch điện trên. Ghi rõ chốt của ampe kế.
Lời giải:

>>> Bài tiếp theo: Giải VTH Khoa học tự nhiên 8 Kết nối tri thức bài 26
Trên đây là toàn bộ lời giải Giải Vở thực hành KHTN lớp 8 bài 25: Thực hành đo cường độ dòng điện và hiệu điện thế Kết nối tri thức với cuộc sống. Các em học sinh tham khảo thêm KHTN lớp 8 Chân trời sáng tạo và KHTN lớp 8 Cánh Diều. VnDoc liên tục cập nhật lời giải cũng như đáp án sách mới của SGK cũng như SBT các môn cho các bạn cùng tham khảo.