Giao diện mới của VnDoc Pro: Dễ sử dụng hơn - chỉ tập trung vào lớp bạn quan tâm. Vui lòng chọn lớp mà bạn quan tâm: Lưu và trải nghiệm
Đóng
Điểm danh hàng ngày
  • Hôm nay +3
  • Ngày 2 +3
  • Ngày 3 +3
  • Ngày 4 +3
  • Ngày 5 +3
  • Ngày 6 +3
  • Ngày 7 +5
Bạn đã điểm danh Hôm nay và nhận 3 điểm!
Nhắn tin Zalo VNDOC để nhận tư vấn mua gói Thành viên hoặc tải tài liệu Hotline hỗ trợ: 0936 120 169
Phân loại: Tài liệu Tính phí
Tiểu Thái Giám Công nghệ Lớp 12

Hãy tính dòng điện pha và dòng điện dây của mỗi tải

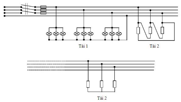
Có hai tải ba pha: Tải thứ nhất là 9 bóng đèn (số liệu của mỗi bóng đèn là p = 100 w, u = 220 V); tải thứ hai là một lò điện trở ba pha (điện trở mỗi pha R = 30 n, u = 380 V). Các tải trên đươc nối vào mạch điện ba pha bốn dây có điện áp 220/380 V.

a) Giải thích 220 V là điện áp gì? 380 V là đièn áp gì?

b) Xác định cách nối dây của mỗi tải thành hình sao hoặc hình tam giác) và giải thích vì sao phải nối như vậy ?

c) Vẽ cách nối dây của mạch điện ba pha trên

d) Tính dòng điện pha và dòng điện dây của mỗi tải.

2
Xác thực tài khoản!

Theo Nghị định 147/2024/ND-CP, bạn cần xác thực tài khoản trước khi sử dụng tính năng này. Chúng tôi sẽ gửi mã xác thực qua SMS hoặc Zalo tới số điện thoại mà bạn nhập dưới đây:

Số điện thoại chưa đúng định dạng!
Số điện thoại này đã được xác thực!
Bạn có thể dùng Sđt này đăng nhập tại đây!
Lỗi gửi SMS, liên hệ Admin
2 Câu trả lời
  • Mèo Ú
    Mèo Ú

    a)

    Điện áp U=220V gọi là điện áp pha
    U=380 V gọi là điện áp dây

    b) Tải thứ nhất nối hình sao có dây trung tính

    Tải thứ hai nối hình sao có dây trung tính hoặc nối hình tam giác.Đảm bảo cho điện áp mỗi pha của tải đúng trị số định mức.

    c) Vẽ cách nối dây của mạch điện ba pha trên

    Hãy tính dòng điện pha và dòng điện dây của mỗi tải

    d)

    Tải số 1:

    Do nối hình sao nên: Id=Ip=PU=100220=0,45AId=Ip=PU=100220=0,45A

    Tải số 2

    Do nối tam giác nên: Ip = Ud = 380V

    Dòng điện pha của tải:

    Ip = Up / R = 380/30=12,67A

    Dòng điện dây:

    Id = √3. Ip = √3.12,67 = 21,9A

    0 Trả lời 23/03/22
  • chang
    chang

    Trong bài Giải bài tập SGK Công nghệ 12 bài 23 có lời giải chi tiết ạ

    0 Trả lời 23/03/22

Công nghệ

Xem thêm