Giải SBT Khoa học tự nhiên 8 Kết nối tri thức bài 24
Với nội dung bài Giải sách bài tập Khoa học tự nhiên 8 bài 24: Cường độ dòng điện và hiệu điện thế chi tiết giúp học sinh dễ dàng xem và so sánh lời giải từ đó biết cách làm bài tập trong SBT Khoa học tự nhiên 8.
Bài: Cường độ dòng điện và hiệu điện thế
Bài 24.1 trang 64 Sách bài tập KHTN 8: Hình 24.1 là ảnh chụp một ampe kế. Hãy cho biết:
a) Giới hạn đo của ampe kế.
b) Độ chia nhỏ nhất của ampe kế.
c) Số chỉ của ampe kế khi kim ở vị trí (1).
d) Số chỉ của ampe kế khi kim ở vị trí (2).

Lời giải:
a) Giới hạn đo 3 A.
b) Độ chia nhỏ nhất 0,1 A.
c) 1,2 A.
d) 2,9 A.
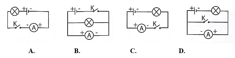
Bài 24.2 trang 65 Sách bài tập KHTN 8: Sơ đồ mạch điện nào dưới đây được mắc đúng

Lời giải:
Đáp án đúng là C
Chốt dương của ampe kế phải mắc với chốt dương của nguồn điện, chốt âm của ampe kế mắc với các thiết bị điện tới cực âm của nguồn điện.
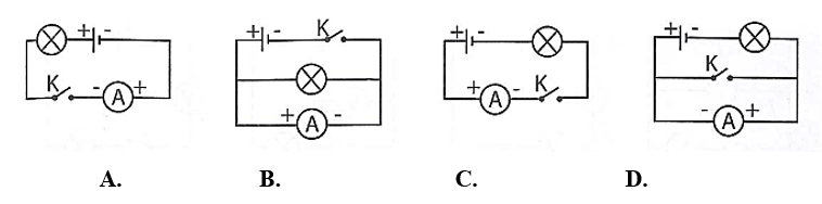
Bài 24.3 trang 65 Sách bài tập KHTN 8: Ampe kế trong sơ đồ nào dưới đây được mắc đúng để đo cường độ dòng điện chạy qua bóng đèn?

Lời giải:
Đáp án đúng là A
Chốt dương của ampe kế phải mắc với chốt dương của nguồn điện, chốt âm của ampe kế mắc với các thiết bị điện tới cực âm của nguồn điện.
Bài 24.4 trang 65 Sách bài tập KHTN 8: Khi mắc ampe kế vào mạch điện cần chú ý điều gì sau đây?
A. Chốt âm của ampe kế mắc vào cực dương của nguồn điện và chốt dương mắc với bóng đèn.
B. Không được mắc trực tiếp hai chốt của ampe kế trực tiếp vào nguồn điện.
C. Chốt dương của ampe kế mắc vào cực âm của nguồn điện và chốt âm mắc với bóng đèn.
D. Mắc trực tiếp hai chốt của ampe kế vào hai cực của nguồn điện.
Lời giải:
Đáp án đúng là B
Khi mắc ampe kế vào mạch điện cần chú ý không được mắc trực tiếp hai chốt của ampe kế trực tiếp vào nguồn điện.
Bài 24.5 trang 65 Sách bài tập KHTN 8: Trên một cầu chì có ghi 1 A. Con số này có ý nghĩa là:
A. Cường độ dòng điện đi qua cầu chì này từ 1 A trở lên thì dây chì sẽ đứt.
B. Cường độ dòng điện đi qua cầu chì này luôn lớn hơn 1 A.
C. Cường độ dòng điện đi qua cầu chì này luôn bằng 1 A.
D. Cường độ dòng điện đi qua cầu chì này luôn nhỏ hơn 1 A.
Lời giải:
Đáp án đúng là A
Trên một cầu chì có ghi 1 A. Con số này có ý nghĩa là cường độ dòng điện đi qua cầu chì này từ 1 A trở lên thì dây chì sẽ đứt.
Bài 24.6 trang 65 Sách bài tập KHTN 8: Để đo cường độ dòng điện đi qua một bóng đèn mắc trong một mạch điện kín gồm bóng đèn và nguồn điện, người ta có thể thực hiện bằng cách
A. thay bóng đèn mắc trong mạch bằng một ampe kế mắc vào chính mạch đó.
B. cắt dây dẫn trong mạch tại điểm nào đó và mắc ampe kế vào vị trí đó.
C. mắc ampe kế vào hai đầu bóng đèn.
D. thay nguồn điện bằng ampe kế.
Lời giải:
Đáp án đúng là B
Để đo cường độ dòng điện đi qua một bóng đèn mắc trong một mạch điện kín gồm bóng đèn và nguồn điện, người ta có thể thực hiện bằng cách cắt dây dẫn trong mạch tại điểm nào đó và mắc ampe kế vào vị trí đó.
Bài 24.7 trang 66 Sách bài tập KHTN 8: Vôn kế trong sơ đồ nào dưới đây có chỉ số bằng 0?

Lời giải:
Đáp án đúng là D
Hình A số chỉ vôn kế khác 0 do đo hiệu điện thế giữa hai đầu nguồn điện.
Hình B và C số chỉ vôn kế xấp xỉ 0 do mắc vôn kế nối tiếp mạch kín.
Bài 24.8 trang 66 Sách bài tập KHTN 8: Số vôn ghi trên mỗi bóng đèn hoặc trên mỗi dụng cụ điện có ý nghĩa gì?
A. Là giá trị của hiệu điện thế giữa hai dụng cụ đó khi có dòng điện chạy qua chúng.
B. Là giá trị của hiệu điện thế nhỏ nhất được phép đặt vào hai đầu dụng cụ đó.
C. Là giá trị của hiệu điện thế định mức cần phải đặt vào hai đầu dụng cụ đó để nó hoạt động bình thường.
D. Là giá trị của hiệu điện thế cao nhất không được phép đặt vào hai đầu dụng cụ đó.
Lời giải:
Đáp án đúng là C
Số vôn ghi trên mỗi bóng đèn hoặc trên mỗi dụng cụ điện là giá trị của hiệu điện thế định mức cần phải đặt vào hai đầu dụng cụ đó để nó hoạt động bình thường.
Bài 24.9 trang 66 Sách bài tập KHTN 8: Vôn kế trong sơ đồ nào dưới đây đo hiệu điện thế giữa hai cực của nguồn điện khi mạch để hở?

Lời giải:
Đáp án đúng là A
Vôn kế trong sơ đồ A đo hiệu điện thế giữa hai cực của nguồn điện khi mạch để hở.
>>> Bài tiếp theo: Giải SBT Khoa học tự nhiên 8 Kết nối tri thức bài 25
Trên đây là toàn bộ lời giải Giải SBT KHTN lớp 8 bài 24: Cường độ dòng điện và hiệu điện thế Kết nối tri thức với cuộc sống. Các em học sinh tham khảo thêm KHTN lớp 8 Chân trời sáng tạo và KHTN lớp 8 Cánh Diều. VnDoc liên tục cập nhật lời giải cũng như đáp án sách mới của SGK cũng như SBT các môn cho các bạn cùng tham khảo.