Giải SBT Khoa học tự nhiên 8 Kết nối tri thức bài 25
Chúng tôi xin giới thiệu bài Giải sách bài tập Khoa học tự nhiên 8 bài 25: Thực hành đo cường độ dòng điện và hiệu điện thế chi tiết giúp học sinh dễ dàng xem và so sánh lời giải từ đó biết cách làm bài tập trong SBT Khoa học tự nhiên 8.
Bài: Thực hành đo cường độ dòng điện và hiệu điện thế
Bài 25.1 trang 66 Sách bài tập KHTN 8: Ampe kế đang để ở thang đo 1,5 A. Cường độ dòng điện đo được trong ampe kế ở hình 25.1 là:

A. 900 mA.
B. 0,9 A.
C. 0,45 A.
D. 45 mA.
Lời giải:
Đáp án đúng là C
Cường độ dòng điện đo được trong ampe kế ở hình 25.1 là 0,45A.
Bài 25.2 trang 67 Sách bài tập KHTN 8: Ampe kế đang để ở thang đo 0,3 A. Cường độ dòng điện đo được trong ampe kế ở hình 25.2 là:

A. 1,2 mA.
B. 120 mA.
C. 12 mA.
D. 1,2 A.
Lời giải:
Đáp án đúng là B
Cường độ dòng điện đo được trong ampe kế ở hình 25.2 là 120 mA.
Bài 25.3 trang 67 Sách bài tập KHTN 8: Ampe kế đang để ở thang đo 0,6 A. Cường độ dòng điện đo được trong ampe kế ở hình 25.3 là:

A. 1,5 A.
B. 0,15 A.
C. 0,3 A.
D. 3,0 A.
Lời giải:
Đáp án đúng là C
Cường độ dòng điện đo được trong ampe kế ở hình 25.3 là 0,3 A.
Bài 25.4 trang 67 Sách bài tập KHTN 8: Ampe kế đang để ở thang đo 0,003 A. Cường độ dòng điện đo được trong ampe kế ở hình 25.4 là:

A. 0,0045 A.
B. 1,5 A.
C. 15 mA.
D. 1,5 mA.
Lời giải:
Đáp án đúng là D
Cường độ dòng điện đo được trong ampe kế ở hình 25.4 là 1,5 mA.
Bài 25.5 trang 68 Sách bài tập KHTN 8: Dùng ampe kế có giới hạn đo 5 A, trên mặt số được chia là 25 khoảng nhỏ nhất. Khi đo cường độ dòng điện trong mạch điện, kim chỉ thị ở khoảng thứ 16. Cường độ dòng điện đo được là:
A. 32 A.
B. 0,32 A.
C. 1,6 A.
D. 3,2 A.
Lời giải:
Đáp án đúng là D
Một khoảng có giá trị 5/25=0,2A
Kim chỉ thị ở khoảng thứ 16 thì cường độ dòng điện là 16 . 0,2 = 3,2 A.
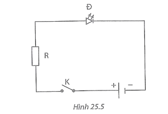
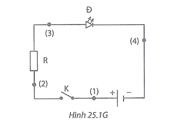
Bài 25.6 trang 68 Sách bài tập KHTN 8: Để đo cường độ dòng điện qua điốt phát quang Đ trong hình 25.5, có thể mắc ampe kế vào những vị trí nào? Vẽ sơ đồ mạch điện tương ứng với mỗi trường hợp.

Lời giải:
Có thể mắc ở 4 vị trí (1), (2), (3), (4) như hình 25.1G

Bài 25.7 trang 68 Sách bài tập KHTN 8: Hình 25.6 (1, 2, 3, 4) là vị trí các kim trên ampe kế. Điền giá trị cường độ vào bảng số liệu tương ứng với các thang đo khác nhau:
a) Hình 25.6 (1).

b) Hình 25.6 (2).

c) Hình 25.6 (3).

d) Hình 25.6 (4).

Lời giải:

Bài 25.8 trang 69 Sách bài tập KHTN 8: Hình 25.7 (1, 2, 3, 4) là vị trí các kim trên vôn kế. Điền giá trị hiệu điện thế đo được vào bảng số liệu tương ứng với các thang đo khác nhau:
a) Hình 25.7 (1).

b) Hình 25.7 (2).

c) Hình 25.7 (3).

d) Hình 25.7 (4).

Lời giải:

Bài 25.9 trang 70 Sách bài tập KHTN 8: Ghép một đoạn câu ở cột trái với một đoạn câu ở cột phải để thành một câu có nội dung đúng:
|
1. Hai cực của nguồn điện |
a) là giá trị của hiệu điện thế định mức để nó hoạt động bình thường. |
|
2. Số vôn ghi trên dụng cụ điện |
b) là giá trị hiệu điện thế nhỏ nhất mà nó có thể cung cấp. |
|
3. Số vôn ghi trên nguồn điện |
c) chỉ xuất hiện khi đèn có một hiệu điện thế đặt vào hai đầu của nó. |
|
4. Dòng điện chạy qua bóng đèn |
d) là hai vật dẫn được nhiễm điện khác nhau và giữa chúng có một hiệu điện thế. |
|
e) là giá trị của hiệu điện thế giữa hai cực của nó khi chưa mắc vào mạch. |
Lời giải:
1 - d, 2 – a, 3 – e, 4 – c.
Bài 25.10 trang 70 Sách bài tập KHTN 8: Chọn cách đo hiệu điện thế giữa hai cực của nguồn điện khi mạch điện hở trong các phương án sau:
A. Mắc vôn kế song song với hai cực của nguồn điện; cực dương của vôn kế nối với cực dương, cực âm của vôn kế nối với cực âm của nguồn điện.
B. Mắc vôn kế song song với hai cực của nguồn điện; cực dương của vôn kế nối với cực âm, cực âm của vôn kế nối với cực dương của nguồn điện.
C. Mắc vôn kế nối tiếp với hai cực của nguồn điện; cực dương của vôn kế nối với cực dương, cực âm của vôn kế nối với cực âm của nguồn điện.
D. Mắc vôn kế nối tiếp với hai cực của nguồn điện; cực dương của vôn kế nối với cực âm, cực âm của vôn kế nối với cực dương của nguồn điện.
Lời giải:
Đáp án đúng là A
Cách đo hiệu điện thế giữa hai cực của nguồn điện khi mạch điện hở là mắc vôn kế song song với hai cực của nguồn điện; cực dương của vôn kế nối với cực dương, cực âm của vôn kế nối với cực âm của nguồn điện.
Bài 25.11 trang 71 Sách bài tập KHTN 8: Trên một bóng đèn có ghi 6 V. Khi đặt vào hai đầu bóng đèn này hiệu điện thế U1 = 2 V thì dòng điện chạy qua đèn có cường độ I1, khi hiệu điện thế U2 = 5 V thì dòng điện chạy qua đèn có cường độ I2.
a) Hãy so sánh I1 và I2. Giải thích vì sao có thể so sánh kết quả như vậy.
b) Phải đặt vào hai đầu bóng đèn một hiệu điện thế là bao nhiêu thì bóng đèn sáng bình thường?
Lời giải:
a) I1 < I2. Khi hiệu điện thế đặt vào hai đầu bóng đèn tăng thì cường độ dòng điện chạy qua bóng đèn tăng.
b) U = 6 V thì bóng đèn sáng bình thường.
Bài 25.12 trang 71 Sách bài tập KHTN 8: Hình 25.8 là sơ đồ cấu tạo của một ampe kế dựa trên nguyên tắc dãn nở vì nhiệt, trong đó dây kim loại HD (có thể dãn nở khi nóng lên), được cố định vào hai chiếc đinh. R là một ròng rọc cố định gắn với kim chỉ của ampe kế. Em hãy mô tả nguyên tắc hoạt động của ampe kế này.

Lời giải:
Khi đoạn kim loại HD nóng lên, nở ra, lò xo sẽ kéo quay kim làm kim lệch sang bên phải, dòng điện càng mạnh, sợi dây càng nóng, kim lệch càng nhiều.
>>> Bài tiếp theo: Giải SBT Khoa học tự nhiên 8 Kết nối tri thức bài 26
Trên đây là toàn bộ lời giải Giải SBT KHTN lớp 8 bài 25: Thực hành đo cường độ dòng điện và hiệu điện thế Kết nối tri thức với cuộc sống. Các em học sinh tham khảo thêm KHTN lớp 8 Chân trời sáng tạo và KHTN lớp 8 Cánh Diều. VnDoc liên tục cập nhật lời giải cũng như đáp án sách mới của SGK cũng như SBT các môn cho các bạn cùng tham khảo.