Giao diện mới của VnDoc Pro: Dễ sử dụng hơn - chỉ tập trung vào lớp bạn quan tâm. Vui lòng chọn lớp mà bạn quan tâm: Lưu và trải nghiệm
Đóng
Điểm danh hàng ngày
  • Hôm nay +3
  • Ngày 2 +3
  • Ngày 3 +3
  • Ngày 4 +3
  • Ngày 5 +3
  • Ngày 6 +3
  • Ngày 7 +5
Bạn đã điểm danh Hôm nay và nhận 3 điểm!
Nhắn tin Zalo VNDOC để nhận tư vấn mua gói Thành viên hoặc tải tài liệu Hotline hỗ trợ: 0936 120 169
Phân loại: Tài liệu Tính phí
Xác thực tài khoản!

Theo Nghị định 147/2024/ND-CP, bạn cần xác thực tài khoản trước khi sử dụng tính năng này. Chúng tôi sẽ gửi mã xác thực qua SMS hoặc Zalo tới số điện thoại mà bạn nhập dưới đây:

Số điện thoại chưa đúng định dạng!
Số điện thoại này đã được xác thực!
Bạn có thể dùng Sđt này đăng nhập tại đây!
Lỗi gửi SMS, liên hệ Admin
3 Câu trả lời
  • Bọ Cạp
    Bọ Cạp

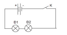
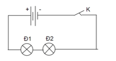
    Ví dụ về đoạn mạch điện gồm các thiết bị điện mắc nối tiếp trong thực tế.

    - Đèn điện và công tắc: Trong hệ thống chiếu sáng trong nhà hoặc ngoài trời, đèn điện và công tắc thường được mắc nối tiếp để tắt mở đèn cho tiện.

    Nêu một số ví dụ về đoạn mạch điện gồm các thiết bị điện mắc nối tiếp trong thực tế

    - Máy tính và máy in: Trong một văn phòng, máy tính và máy in thường được mắc nối tiếp thông qua ổ cắm điện. Khi máy tính hoạt động, nó cung cấp nguồn điện cho máy in khi chúng được kết nối với cùng một ổ cắm.

     Nêu một số ví dụ về đoạn mạch điện gồm các thiết bị điện mắc nối tiếp trong thực tế

    0 Trả lời 19/09/24
  • Bảo Ngân
    Bảo Ngân

    Đèn trang trí cây thông,...

    0 Trả lời 19/09/24
  • Bánh Quy
    0 Trả lời 19/09/24

Khoa Học Tự Nhiên

Xem thêm