Bộ đề thi học kì 2 Công nghệ 9 năm 2026
Bộ đề thi học kì 2 Công nghệ 9 có đáp án
Bộ đề thi học kì 2 Công nghệ 9 năm 2025 được biên soạn theo cấu trúc mới năm 2025, giúp các em học sinh ôn tập, củng cố kiến thức chuẩn bị tốt cho kì thi học kì 2 lớp 9 sắp tới. Đề thi có đáp án kèm theo cho các bạn so sánh đối chiếu sau khi làm xong. Sau đây mời các bạn tải về tham khảo.
1. Đề thi học kì 2 Công nghệ 9 Lắp đặt mạng điện trong nhà KNTT
I. TRẮC NGHIỆM: (7.0 điểm)
1. Chọn đáp án đúng nhất: (5.0 điểm)
Câu 1: Tiêu chí nào sau đây để lựa chọn dây dẫn trong mạch điện?
A. Mức điện áp.
B. Loại điện áp.
C. Cường độ dòng điện tiêu thụ.
D. Loại vật liệu cách điện.
Câu 2: Vật liệu cách điện nào dưới đây thường được dùng cho mạng điện trong nhà?
A. Băng dính cách điện.
B. Ống đồng cách điện.
C. Ống kim loại cách điện.
D. Ống bạc cách điện.
Câu 3: Bước đầu tiên cần thực hiện khi tính toán chi phí lắp đặt mạng điện trong nhà là gì?
A. Lập bảng thống kê số lượng thiết bị.
B. Lập bảng thống kê số lượng vật liệu.
C. Nghiên cứu sơ đồ lắp đặt mạng điện.
D. Lập bảng tính toán chi phí.
Câu 4: “Xác định dây dẫn, thiết bị và dụng cụ điện” được thực hiện ở bước nào dưới đây?
A. Nghiên cứu sơ đồ lắp đặt mạng điện.
B. Lập bảng kê số lượng thiết bị.
C. Lập bảng kê số lượng vật liệu.
D. Lập bảng tính toán chi phí.
Câu 5: Bước cuối cùng cần thực hiện khi tính toán chi phí mạng điện trong nhà là gì?
A. Lập bảng kê số lượng thiết bị.
B. Nghiên cứu sơ đồ lắp đặt mạng điện.
C. Lập bảng tính toán chi phí.
D. Lập bảng kê số lượng vật liệu.
Câu 6: Tại sao dòng điện định mức của thiết bị đóng cắt thường được tính bằng 130% dòng điện tính toán?
A. Để bù trường hợp thiết bị điện tắt nguồn.
B. Để bù trường hợp thiết bị điện khởi động.
C. Để tiết kiệm năng lượng điện.
D. Để dòng điện chạy ổn định.
Câu 7: Tại sao phải lựa chọn dây dẫn điện phù hợp với công suất mạng điện trong nhà?
A. Để đảm bảo an toàn điện và truyền tải tốt nhất điện năng, tiết kiệm chi phí đầu tư cho công trình.
B. Để đảm bảo an toàn điện và truyền tải ít điện năng, tốn nhiều chi phí đầu tư cho công trình.
C. Để đảm bảo an toàn điện và truyền tải tốt nhất điện năng, tốn nhiều chi phí đầu tư cho công trình.
D. Để đảm bảo an toàn điện và để dòng điện được ổn định, tiết kiệm chi phí đầu tư cho công trình.
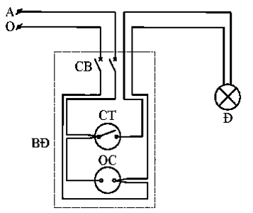
Câu 8: Sơ đồ ở hình bên không chứa thiết bị nào dưới đây?

A. Cầu chì.
B. Công tơ điện.
C. Ổ lấy điện.
D. Nguồn điện.
Câu 9: Sơ đồ ở hình bên không chứa thiết bị nào dưới đây?

A. Bóng đèn.
B. Aptomat.
C. Ổ cắm.
D. Quạt trần.
Câu 10: Để vặn chặt các bu lông thì cần phải chọn dụng cụ nào để tránh nguy cơ tiếp xúc trực tiếp với điện gây nguy hiểm?
A. Ampe kìm.
B. Tua vít.
C. Bút thử điện.
D. Cờ lê có cán cách điện.
Câu 11: Khi cần tuốt vỏ nhựa cách điện dây dẫn, nên sử dụng dụng cụ nào để đảm bảo thao tác dễ dàng, đúng kĩ thuật và không ảnh hưởng đến lõi dây dẫn?
A. Bút thử điện.
B. Kìm cách điện.
C. Kìm tuốt dây điện.
D. Tua vít.
Câu 12: Khi lắp đặt mạng điện trong nhà cần lựa chọn những thiết bị nào?
A. Dây dẫn điện và biến áp.
B. Bộ chia mạch và biến áp.
C. Thiết bị đóng cắt và thiết bị lấy điện.
D. Các loại đèn và quạt điện.
Câu 13: Đáp án nào dưới đây không phải là đối tượng lao động của ngành nghề liên quan tới lắp đặt mạng điện trong nhà?
A. Thiết bị, vật liệu, dụng cụ dùng cho lắp đặt mạng điện trong nhà.
B. Thiết bị đóng cắt và lấy điện trong gia đình.
C. Dụng cụ đo điện cơ bản.
D. Mạng điện được lắp đặt trong nhà.
Câu 14: Đáp án nào dưới đây không phải là đối tượng lao động của ngành nghề liên quan tới lắp đặt mạng điện trong nhà?
A. Nguồn điện một chiều và xoay chiều điện áp thấp.
B. Các loại đồ dùng điện.
C. Bản thiết kế sơ đồ lắp đặt mạng điện.
D. Dụng cụ đo điện cơ bản.
Câu 15: Nhiệm vụ nào dưới đây không phải là nhiệm vụ chủ yếu của kĩ thuật viên kĩ thuật điện liên quan quan tới lắp đặt mạng điện trong nhà?
A. Kiểm tra bản thiết kế, sơ đồ nối dây, thông số kĩ thuật để xác định trình tự và phương pháp hoạt động.
B. Lắp ráp, lắp đặt, thử nghiệm, hiệu chỉnh, sửa đổi và sửa chữa các thiết bị điện và lắp đặt để phù hợp với các quy định và yêu cầu an toàn.
C. Thiết kế và chuẩn bị kế hoạch chi tiết lắp đặt điện và mạch điện theo các thông số kĩ thuật đã cho.
D. Lập kế hoạch phương án lắp đặt, kiểm tra các cài đặt đã hoàn thành về an toàn và kiểm soát hoặc thực hiện vận hành ban đầu các thiết bị hoặc mạng điện mới.
Câu 16: Bước nào dưới đây là bước đầu tiên cần thực hiện khi đánh giá khả năng, sở thích của bản thân có phù hợp với ngành nghề liên quan đến lắp đặt mạng điện trong nhà?
A. Tự đánh giá khả năng của bản thân xem có phù hợp với đặc điểm người lao động làm trong ngành nghề liên quan đến lắp đặt mạng điện trong nhà.
B. Tìm hiểu vai trò, vị trí của ngành nghề; tìm hiểu đặc điểm, yêu cầu của ngành nghề liên quan đến lắp đặt mạng điện trong nhà đối với người lao động.
C. Tự đánh giá sở thích của bản thân xem có phù hợp với đặc điểm người lao động làm trong ngành nghề liên quan đến lắp đặt mạng điện trong nhà.
D. Tự đánh giá sở thích của bản thân xem có phù hợp với yêu cầu đối với người lao động làm trong ngành nghề liên quan đến lắp đặt mạng điện trong nhà.
Câu 17: Nhiệm vụ nào dưới đây không phải là nhiệm vụ chính của kĩ sư điện?
A. Chỉ định lắp đặt và ứng dụng điện trong các tòa nhà và các công trình khác.
B. Xác định phương pháp bảo trì và sửa chữa các mạng điện và thiết bị điện dân dụng.
C. Thiết lập các tiêu chuẩn, quy trình kiểm soát để giám sát hiệu suất và an toàn của các hệ thống, động cơ, thiết bị phát và phân phối điện.
D. Kiểm tra bản thiết kế, sơ đồ nối dây, thông số kĩ thuật để xác định trình tự và phương pháp hoạt động.
Câu 18: Kĩ sư điện là gì?
A. Là người thực hiện nhiệm vụ kĩ thuật để hỗ trợ nghiên cứu và thiết kế, vận hành, bảo trì và sửa chữa hệ thống điện.
B. Là người thực hiện lắp đặt, kiểm tra, bảo trì và sửa chữa hệ thống dây điện, thiết bị điện.
C. Là người tiến hành nghiên cứu, tư vấn, thiết kế, chỉ đạo xây dựng, vận hành, bảo dưỡng và sửa chữa hệ thống điện.
D. Là người kiểm tra hệ thống điện, thiết bị và linh kiện để xác định mối nguy hiểm, lỗi.
Câu 19: Thợ điện là gì?
A. Là người thực hiện lắp đặt, kiểm tra, bảo trì và sửa chữa hệ thống dây điện, thiết bị điện.
B. Là người tiến hành nghiên cứu, tư vấn, thiết kế, chỉ đạo xây dựng, vận hành, bảo dưỡng và sửa chữa hệ thống điện.
C. Là người thực hiện nhiệm vụ kĩ thuật để hỗ trợ nghiên cứu và thiết kế, vận hành, bảo trì và sửa chữa hệ thống điện.
D. Là người thiết kế và chuẩn bị kế hoạch chi tiết lắp đặt điện và mạch điện theo các thông số kĩ thuật đã cho.
Câu 20: Kĩ thuật viên kĩ thuật điện là gì?
A. Là người xác định phương pháp bảo trì và sửa chữa các mạng điện và thiết bị điện dân dụng.
B. Là người thực hiện nhiệm vụ kĩ thuật để hỗ trợ nghiên cứu và thiết kế, vận hành, bảo trì và sửa chữa hệ thống điện.
C. Là người thực hiện lắp đặt, kiểm tra, bảo trì và sửa chữa hệ thống dây điện, thiết bị điện.
D. Là người tiến hành nghiên cứu, tư vấn, thiết kế, chỉ đạo xây dựng, vận hành, bảo dưỡng và sửa chữa hệ thống điện.
Trắc nghiệm dạng ĐÚNG – SAI (2.0 điểm)
Câu 21:Chọn ĐÚNG hoặc SAI cho phát biểu về những tiêu chí nào quan trọng khi chọn dây dẫn điện?
|
PHÁT BIỂU |
ĐÚNG |
SAI |
|
A. Tiết diện dây phải đủ lớn để đảm bảo an toàn và không bị quá tải. |
x |
|
|
B. Có thể sử dụng bất kỳ loại dây nào, không cần quan tâm đến chất lượng. |
|
x |
|
C. Lớp vỏ cách điện phải đảm bảo an toàn, phù hợp với môi trường sử dụng. |
x |
|
|
D. Chỉ cần chọn dây điện có màu sắc đẹp mà không cần quan tâm đến chất liệu. |
|
x |
Câu 22:Chọn ĐÚNG hoặc SAI cho các phát biểu về Khi hoàn thành bảng dự toán chi phí lắp đặt mạng điện trong nhà, cần thực hiện điều gì tiếp theo?
|
PHÁT BIỂU |
ĐÚNG |
SAI |
|
A. Kiểm tra lại toàn bộ danh mục vật tư, thiết bị để đảm bảo đủ số lượng. |
x |
|
|
B. Tính tổng chi phí và so sánh với ngân sách dự kiến. |
x |
|
|
C. Không cần kiểm tra lại vì bảng dự toán đã lập sẵn. |
|
x |
|
D. Mua ngay toàn bộ vật tư mà không cần xác minh giá cả. |
|
x |
TỰ LUẬN: (3.0 điểm)
Câu 23: Tóm tắt quy trình tính toán chi phí cho một mạng điện trong nhà đơn giản?
Câu 24: Hãy đề xuất 6 thách thức mà các kỹ sư phải đối mặt trong quá trình lắp đặt mạng điện trong nhà?
Xem đáp án trong file tải
2. Đề thi học kì 2 Công nghệ 9 Lắp đặt mạng điện trong nhà Cánh diều
A. PHẦN TRẮC NGHIỆM: (7,0 điểm)
I. PHẦN TRẮC NGHIỆM KHÁCH QUAN: (3,0 điểm)
Mỗi câu hỏi trong phần này có kèm theo phương án trả lời A, B, C, D. Em hãy chọn phương án trả lời đúng nhất theo yêu cầu từng câu hỏi rồi ghi vào giấy làm bài.
Câu 1: Đây là kí hiệu của thiết bị điện nào?

A. Công tắc 3 cực.
B. Công tắc 2 cực.
C. Ổ cắm điện.
D. Bóng đèn sợi đốt.
Câu 2. Đây là kí hiệu của thiết bị điện nào?

A. Dây trung tính
B. Dây pha.
C. Bảng điện
D. Aptomat 2 cực.
Câu 3. Bước đầu tiên trong quy trình lắp đặt mạng điện trong nhà?
A. Tìm hiểu sơ đồ nguyên lí.
B. Vẽ sơ đồ lắp đặt.
C. Chuẩn bị thiết bị, dụng cụ, vật liệụ
D. Lắp đặt mạng điện.
Câu 4. Mạch điện đèn cầu thang như hình dưới đây có thể điều khiển một bóng đèn ở mấy vị trí?

A. 1 vị trí.
B. 3 vị trí.
C. 2 vị trí.
D. 4 vị trí.
Câu 5. Quan sát hình sau đây và cho biết bảng điện sau gồm những thiết bị điện nào?

A. 1 cầu chì, 1 công tắc, 1 ổ cắm điện, 1 bóng đèn.
B. 1 aptomat, 1 công tắc, 1 phích cắm, 1 bóng đèn.
C. 1 cầu dao, 1 công tắc, 1 ổ cắm, 1 bóng đèn.
D. 1 aptomat, 1 công tắc hai cực, 1 ổ cắm điện, 1 bóng đèn.
Câu 6. Yêu cầu cần đạt ở bước “Tìm hiểu sơ đồ lắp đặt và bố trí thiết bị điện trên bảng điện” là gì?
A. Thiết bị được bố trí đúng vị trí theo sơ đồ lắp đặt.
B. Dây dẫn được nối theo đúng sơ đồ lắp đặt.
C. Thiết bị điện lắp trên bảng điện đúng vị trí, chắc chắn.
D. An toàn, tiết kiệm trong khi đo cắt nẹp nhựa và dây dẫn.
Câu 7. Quan sát hình sau và cho biết đây là loại sơ đồ nào?

A. Sơ đồ nguyên lí
B. Sơ đồ lắp đặt
C. Sơ đồ minh họa
D. Sơ đồ cấu tạo
Câu 8. Nội dung nào sau đây không phải yêu cầu khi thực hành lắp đặt mạng điện trong nhà?
A. Chuẩn bị vật liệu, dụng cụ, thiết bị cần thiết, phù hợp với nội dung thực hành.
B. Dây dẫn và đường ống sáng tạo.
C. Các thiết bị được bố trí đúng sơ đồ lắp đặt.
D. Thực hiện đúng các bước thực hành
Câu 9. Tại sao cần phải tuân thủ đúng sơ đồ lắp đặt mạng điện trong nhà?
A. Để đảm bảo tính thẩm mĩ cho ngôi nhà
B. Để đảm bảo an toàn và hiệu quả hoạt động của hệ thống điện
C. Để sử dụng ít thiết bị hơn
D. Để có thể thay đổi dễ dàng hơn sau khi lắp đặt
Câu 10. Khi lắp đặt mạng điện trong nhà, đường dây dẫn điện nên bố trí như thế nào?
A. Đặt dây dẫn điện chồng lên nhau
B. Bố trí dây dẫn điện tự do mà không cần theo sơ đồ nào
C. Bố trí đường dây điện theo nguyên tắc thuận tiện và an toàn
D. Đặt dây điện ở những nơi ẩm ướt
Câu 11. Nghề nào dưới đây liên quan trực tiếp đến việc lắp đặt mạng điện trong nhà?
A. Thợ mộc
B. Thợ cơ khí
C. Thợ điện
D. Thợ sơn
Câu 12. Người thợ điện cần có kĩ năng gì để lắp đặt mạng điện trong nhà?
A. Kĩ năng vận hành máy móc nặng
B. Kĩ năng vẽ thiết kế nội thất
C. Kĩ năng đấu nối, lắp đặt các thiết bị điện và đọc hiểu sơ đồ điện
D. Kĩ năng xây dựng và thi công nhà cửa
PHẦN TRẮC NGHIỆM KHÁCH QUAN ĐÚNG SAI (4,0 điểm)
(Các em trả lời từ câu 13 đến câu 16. Trong mỗi ý a, b, c, d ở mỗi câu, thí sinh chọn đúng hoặc sai ghi vào giấy làm bài thi)
Câu 1. Đèn xi nhanh trong xe máy có sử dụng mạch điện. Em hãy nhận định các phát biểu nào dưới đây đúng¸phát biểu nào sai?
|
Phát biểu |
Đúng |
Sai |
|
a) Đèn xi nhanh trong xe máy được sử dụng mạch điện 1 công tắc 2 cực điều khiển 2 đèn |
|
|
|
b) Đèn xi nhanh trong xe máy được sử dụng mạch điện 2 công tắc 2 cực điều khiển 2 đèn |
|
|
|
c) Đèn xi nhanh trong xe máy được sử dụng mạch điện 1 công tắc 3 cực điều khiển 2 đèn |
|
|
|
d) Đèn xi nhanh trong xe máy được sử dụng mạch điện 2 công tắc 3 cực điều khiển 2 đèn |
|
|
Câu 2. Cách mắc cầu chì nào sau đây đúng, cách mắc cầu chì nào sai?
|
Phát biểu |
Đúng |
Sai |
|
a) Cầu chì trong mạch điện được mắc nối tiếp với công tắc |
|
|
|
b) Cầu chì trong mạch điện được mắc trên dây pha |
|
|
|
c) Cầu chì trong mạch điện được mắc sau đồ dùng điện |
|
|
|
d) Cầu chì trong mạch điện được mắc trên dây trung tính |
|
|
Câu 3 Nêu nhận định của em về phạm vi sử dụng của mạch điện 1 công tắc 3 cực điều khiển 2 đèn?
|
Phát biểu |
Đúng |
Sai |
|
a) Mạch điện 1 công tắc 3 cực điều khiển 2 đèn được sử dụng trong đèn bàn học lúc học và lúc ngủ |
|
|
|
b) Mạch điện 1 công tắc 3 cực điều khiển 2 đèn được sử dụng trong mạch đèn cầu thang |
|
|
|
c) Mạch điện 1 công tắc 3 cực điều khiển 2 đèn được sử dụng trong mạch đèn hành lang |
|
|
|
d) Mạch điện 1 công tắc 3 cực điều khiển 2 đèn được sử dụng trong mạch đèn trang trí |
|
|
Câu 4. Nêu vai trò của cầu chì?
|
Phát biểu |
Đúng |
Sai |
|
a) Cầu chì có vai trò bảo vệ đồ dùng điện khi có sự cố sảy ra |
|
|
|
b) Cầu chì có vai trò ngắt dòng điện trong mạch khi quá tải hoặc ngắn mạch |
|
|
|
c) Cầu chì có vai trò bật, tắt đồ dùng điện |
|
|
|
d) Cầu chì có vai trò dẫn điện qua các thiết bị và đồ dùng điện |
|
|
PHẦN TỰ LUẬN: (3,0 điểm)
Câu 1. (1 điểm) Em hãy nêu các nhiệm vụ chủ yếu kĩ sư điện liên quan tới lắp đặt mạng điện trong nhà?
Câu 2. (2 điểm) Nêu một số loại vật liệu cách điện của mạng điện trong nhà và cho biết chúng dùng trong trường hợp nào? Tại sao?
Xem đáp án trong file tải