Theo Nghị định 147/2024/ND-CP, bạn cần xác thực tài khoản trước khi sử dụng tính năng này. Chúng tôi sẽ gửi mã xác thực qua SMS hoặc Zalo tới số điện thoại mà bạn nhập dưới đây:
Thư Anh Lê
Công nghệ
Lớp 12
Công chúa béo
Công nghệ
Lớp 12
+ Dựa trên nguyên lí cảm ứng điện từ.
+ Hệ số biến áp pha:
Kp=Up1/Up2=N1/N2
Với N1, N2 là số vòng dây 1 pha của sơ cấp và thứ cấp.
+ Hệ số biến áp dây:
Kd=Ud1/Ud2
Cu Bin
Công nghệ
Lớp 12
- Máy điện xoay chiều ba pha là máy điện làm việc với dòng điện xoay chiều ba pha.
- Phân loại
+ Máy điện tĩnh: Khi làm việc không có bộ phận nào chuyển động.
+ Máy điện quay: Khi làm việc có bộ phận chuyển động tương đối với nhau
- Máy phát điện: Biến cơ năng thành điện năng.
- Động cơ điện: Biến điện năng thành cơ năng.
Gọi N1, N2 lần lượt là số vòng dây mỗi pha của cuộn sơ cấp và cuộn thứ cấp.
U1, U2 lần lượt là điện áp sơ cấp và thứ cấp của máy biến áp.
Hệ số biến áp của máy biến áp một pha là:
k = U1/U2 = N1/N2
Bởi vì:
- Tải của mỗi hộ gia đình là khác nhau. Nhờ có dây trung tính nên điện áp pha trên mỗi tải không vượt quá điện áp định mức.
- Thuận tiện cho việc sử dụng nguồn điện vì nối hình sao tạo ra hai trị số điện áp khác nhau Ud và Up.
Chàng phi công
Công nghệ
Lớp 12
Công dụng của máy biến áp ba pha mà em biết:
- Sử dụng trong trạm biến áp để phân phối điện từ trung ương về địa phương.
- Sử dụng trong phòng thí nghiệm.
- Sử dụng trong máy ổn áp giúp ổn định dòng điện sử dụng trong gia đình.
- ....
Cà Rốt
Công nghệ
Lớp 12
Tiểu Thái Giám
Công nghệ
Lớp 12
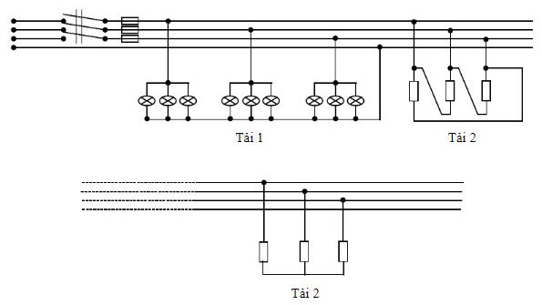
a)
Điện áp U=220V gọi là điện áp pha
U=380 V gọi là điện áp dây
b) Tải thứ nhất nối hình sao có dây trung tính
Tải thứ hai nối hình sao có dây trung tính hoặc nối hình tam giác.Đảm bảo cho điện áp mỗi pha của tải đúng trị số định mức.
c) Vẽ cách nối dây của mạch điện ba pha trên

d)
Tải số 1:
Do nối hình sao nên: Id=Ip=PU=100220=0,45AId=Ip=PU=100220=0,45A
Tải số 2
Do nối tam giác nên: Ip = Ud = 380V
Dòng điện pha của tải:
Ip = Up / R = 380/30=12,67A
Dòng điện dây:
Id = √3. Ip = √3.12,67 = 21,9A
Hươu Con
Công nghệ
Lớp 12
Id = √3 Ip, Ud = Up = 380V
⇒ Ip = Id/√3 = 80 : /√3 = 41,2 A
⇒ R mỗi pha = UP / IP = 380/ 41,2 = 9,22 (ΩΩ)
Sói già
Công nghệ
Lớp 12
Tác dụng của dây trung tính trong mạch điện ba pha bốn dây là:
- Tạo ra hai trị số điện áp khác nhau → thuân tiện cho việc sử dụng đồ điện.
- Giúp điện áp trên các tải hầu như vẫn giữ được bình thường, không vượt quá điện áp định mức.
Cún ngốc nghếch
Công nghệ
Lớp 12
* Mạch điện ba pha gồm nguồn điện ba pha, đường dây ba pha và các tải ba pha.
* Chức năng của chúng:
- Nguồn điện ba pha: để tạo ra dòng điện xoay chiều ba pha.
- Đường dây ba pha: dẫn điện.
- Các tải ba pha: Tiêu thụ điện năng.
Thần Rồng
Công nghệ
Lớp 12
Khi nối nguồn điện hình sao sẽ cho 2 giá trị điện áp nên ta có thể đấu nối các tải ở 2 cấp điện áp khác nhau.
Ví dụ nguồn điện cấp cho các hộ gia đình thường có các giá trị điện áp:
- Up = 220 V cấp cho các thiết bị điện sinh hoạt: bóng điện, quạt, tivi, tủ lạnh,...
- Ud = 380 V cấp cho động cơ điện 3 pha: máy sát gạo,...