Đoạn mạch nối tiếp
Chuyên đề Vật lý lớp 9: Đoạn mạch nối tiếp, được sưu tầm và biên soạn kỹ lưỡng dành cho học sinh và quý thầy cô. Nội dung chuyên đề tập trung hệ thống hóa các kiến thức trọng tâm về cường độ dòng điện, hiệu điện thế và điện trở tương đương trong sơ đồ nối tiếp. Bên cạnh lý thuyết căn bản, tài liệu còn cung cấp các dạng bài tập vận dụng từ cơ bản đến nâng cao, giúp các em học sinh rèn luyện kỹ năng giải bài toán điện học một cách chính xác và hiệu quả. Đây chắc chắn là nguồn tham khảo giá trị giúp các em củng cố nền tảng và bứt phá điểm số trong môn Vật lý 9.
Chuyên đề: Đoạn mạch nối tiếp
A. Lý thuyết
I. TÓM TẮT LÍ THUYẾT
1. Cường độ dòng điện và hiệu điện thế trong đoạn mạch nối tiếp
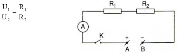
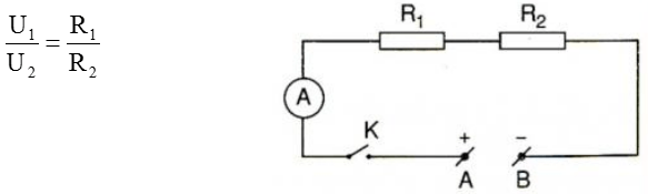
- Đoạn mạch gồm n điện trở mắc nối tiếp được biểu diễn như hình vẽ:

Trong đó: R1, R2,...,Rn là các điện trở
UAB là hiệu điện thế hai đầu đoạn mạch
U1, U2,...,Un lần lượt là hiệu điện thế trên mỗi điện trở
I1, I2,...,In lần lượt là cường độ dòng điện qua mỗi điện trở
IAB là cường độ dòng điện qua mạch chính
+ Cường độ dòng điện chạy qua đoạn mạch bằng cường độ dòng điện chạy qua từng điện trở:
IAB = I1 = I2 = ... = In
+ Hiệu điện thế giữa hai đầu đoạn mạch gồm các điện trở mắc nối tiếp bằng tổng các hiệu điện thế giữa hai đầu mỗi điện trở thành phần:
UAB = U1 + U2 + ... + Un
- Trong đoạn mạch gồm hai điện trở mắc nối tiếp, hiệu điện thế giữa hai đầu mỗi điện trở tỉ lệ thuận với điện trở đó.

2. Điện trở tương đương của đoạn mạch nối tiếp
Điện trở tương đương (Rtđ) của một đoạn mạch gồm nhiều điện trở là một điện trở có thể thay thế cho các điện trở đó, sao cho với cùng một hiệu điện thế thì cường độ dòng điện chạy qua đoạn mạch vẫn có giá trị như trước.
Điện trở tương đương của đoạn mạch bằng tổng các điện trở thành phần.
Với đoạn mạch gồm n điện trở mắc nối tiếp: Rtđ = R1 + R2 +...+ Rn
3. Ứng dụng thực tế
Dãy đèn trang trí gồm nhiều bóng đèn sợi đốt nhỏ mắc nối tiếp nhau. Trong dãy đèn trang trí có một bóng đèn gọi là bóng chớp. Trong bóng đèn này có gắn một băng kép (thanh lưỡng kim nhiệt). Băng kép này tạo thành một công tắc nhiệt C. Ban đầu công tắc này đóng nên khi nối dây đèn vào nguồn điện, dòng điện đi qua dây đèn khiến các đèn trong dãy sáng. Đèn sáng lên sẽ khiến công tắc C ngắt mạch. Do các đèn mắc nối tiếp nên các đèn trong dãy đều tắt. Sau đó đèn nguội đi, công tắc C lại đóng mạch và các đèn lại sáng lên. Quá trình này cứ thế lặp đi lặp lại khiến dãy đèn nháy tắt liên tục.
B. Trắc nghiệm & Tự luận
Câu 1: Kết luận nào sau đây là đúng khi nói về hiệu điện thế giữa hai đầu đoạn mạch mắc nối tiếp?
Trong đoạn mạch mắc nối tiếp, hiệu điện thế giữa hai đầu đoạn mạch:
A. bằng hiệu điện thế giữa hai đầu mỗi điện trở thành phần.
B. bằng tổng hiệu điện thế giữa hai đầu mỗi điện trở thành phần.
C. bằng các hiệu điện thế giữa hai đầu mỗi điện trở thành phần.
D. luôn nhỏ hơn tổng các hiệu điện thế giữa hai đầu mỗi điện trở thành phần.
Trong đoạn mạch mắc nối tiếp, hiệu điện thế giữa hai đầu đoạn mạch bằng tổng hiệu điện thế giữa hai đầu mỗi điện trở thành phần
→ Đáp án B
Câu 2: Cho đoạn mạch gồm điện trở R1 mắc nối tiếp với điện trở R2 mắc vào mạch điện. Gọi I, I1, I2 lần lượt là cường độ dòng điện của toàn mạch, cường độ dòng điện qua R1, R2. Biểu thức nào sau đây đúng?
A. I = I1 = I2 B. I = I1 + I2
C. I ≠ I1 = I2 D. I1 ≠ I2
Biểu thức đúng: I = I1 = I2
→ Đáp án A
Câu 3: Đoạn mạch gồm các điện trở mắc nối tiếp là đoạn mạch không có đặc điểm nào dưới đây?
A. Đoạn mạch có những điểm nối chung của nhiều điện trở.
B. Đoạn mạch có những điểm nối chung chỉ của hai điện trở.
C. Dòng điện chạy qua các điện trở của đoạn mạch có cùng cường độ.
D. Đoạn mạch có những điện trở mắc liên tiếp với nhau và không có mạch rẽ.
Đoạn mạch có những điểm nối chung của nhiều điện trở thì có thể là mạch rẽ nhánh, phân nhánh ⇒ không phải mạch nối tiếp
→ Đáp án A
Câu 4: Đặt một hiệu điện thế UAB vào hai đầu đoạn mạch gồm hai điện trở R1 và R2 mắc nối tiếp. Hiệu điện thế giữa hai đầu mỗi điện trở tương ứng là U1, U2. Hệ thức nào sau đây là không đúng?
A. RAB = R1 + R2
B. IAB = I1 = I2
C. 
D. UAB = U1 + U2
→ Đáp án C
Câu 5: Ba điện trở có các giá trị là 10Ω, 20Ω, 30Ω. Có bao nhiêu cách mắc các điện trở này vào mạch có hiệu điện thế 12V để dòng điện trong mạch có cường độ 0,4A?
A. Chỉ có 1 cách mắc
B. Có 2 cách mắc
C. Có 3 cách mắc
D. Không thể mắc được
Điện trở của đoạn mạch là: 
⇒ Có 3 cách mắc các điện trở đó vào mạch:
Cách1: Chỉ mắc điện trở R = 30Ω trong đoạn mạch
Cách 2: Mắc hai điện trở R = 10Ω và R = 20Ω nối tiếp nhau trong đoạn mạch.
Cách 3: Mắc ba điện trở R = 10Ω nối tiếp nhau.
→ Đáp án C
Câu 6: Một mạch điện gồm 3 điện trở R1 = 2Ω , R2 = 5Ω , R3 = 3Ω mắc nối tiếp. Cường độ dòng điện chạy trong mạch là 1,2A. Hiệu điện thế hai đầu mạch là:
A. 10V B. 11V C. 12V D. 13V
Điện trở mạch: R = R1 + R2 + R3 = 2 + 5 + 3 = 10Ω
Hiệu điện thế hai đầu mạch là: U = I.R = 1,2.10 = 12V
→ Đáp án C
Câu 7: Cho hai điện trở R1 và R2, biết R2 = 3R1 và R1 = 15 Ω . Khi mắc hai điện trở này nối tiếp vào hai điểm có hiệu điện thế 120V thì dòng điện chạy qua nó có cường độ là:
A. 2A B. 2,5A C. 4A D. 0,4A
Ta có R2 = 3R1 = 3.15 = 45 Ω
Điện trở mạch là: R = R1 + R2 = 15 + 45 = 60 Ω
Cường độ dòng điện là: 
→ Đáp án A
Câu 8: Hai điện trở R1 = 15 , R2 = 30 mắc nối tiếp nhau trong một đoạn mạch. Phải mắc nối tiếp thêm vào đoạn mạch một điện trở R3 bằng bao nhiêu để điện trở tương đương của đoạn mạch là 55?
Điện trở tương đương: ![]()
Khi mắc nối tiếp thêm điện trở R3 thì điện trở tương đương của mạch là:
Câu 9: Hai điện trở R1 và R2 mắc nối tiếp nhau trong một đoạn mạch. Biết R1 = 2R2, ampe kế chỉ 1,8A, hiệu điện thế giữa hai đầu đoạn mạch là UMN = 54V. Tính R1 và R2.
Điện trở tương đương của đoạn mạch: ![]()
Mặt khác:

Câu 10: Đoạn mạch gồm điện trở R1 = 3Ω, R2 = 8Ω, điện trở R3 có thể thay đổi được giá trị. Hiệu điện thế UAB = 36V.
a) Cho R3 = 7 Ω. Tính cường độ dòng điện trong mạch.
b) Điều chỉnh R3 đến một giá trị R’ thì thấy cường độ dòng điện giảm đi hai lần so với ban đầu. Tính giá trị của R’ khi đó.
Điện trở tương đương của đoạn mạch: R123 = R1 + R2 + R3 = 3 + 8 + 7 = 18 Ω
Cường độ dòng điện trong mạch: 
Vì cường độ dòng điện giảm 2 lần nên điện trở tương đương tăng 2 lần.
Ta có: R1 + R2 + R’ = 2.R123 = 36 ⇒ R’ = 36 – 3 – 8 = 25 Ω
Trên đây VnDoc đã giới thiệu tới các bạn lý thuyết Vật lý 9: Đoạn mạch nối tiếp. Để có kết quả cao hơn trong học tập, VnDoc xin giới thiệu tới các bạn học sinh tài liệu Chuyên đề Vật lý 9, Giải bài tập Vật lý lớp 9, Giải bài tập Vật Lí 9, Tài liệu học tập lớp 9 mà VnDoc tổng hợp và giới thiệu tới các bạn đọc