Đoạn mạch song song
VnDoc giới thiệu Chuyên đề Vật lý 9: Đoạn mạch song song, tài liệu được biên soạn công phu nhằm hỗ trợ quý thầy cô và các em học sinh trong quá trình dạy và học. Nội dung chuyên đề hệ thống hóa toàn diện lý thuyết về cường độ dòng điện, hiệu điện thế và điện trở tương đương trong sơ đồ song song, kèm theo các dạng bài tập vận dụng từ cơ bản đến nâng cao. Đây là nguồn tham khảo giá trị giúp các em nắm vững bản chất vật lý, rèn luyện kỹ năng giải bài tập chính xác và đạt kết quả cao trong các bài kiểm tra. Mời thầy cô và các em cùng khám phá.
Chuyên đề: Đoạn mạch song song
A. Lý thuyết
I. TÓM TẮT LÍ THUYẾT
1. Cường độ dòng điện và hiệu điện thế trong đoạn mạch song song
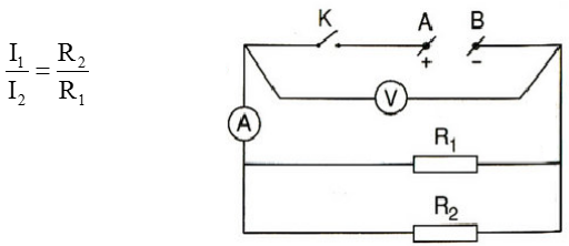
- Đoạn mạch gồm n điện trở mắc song song được biểu diễn như hình vẽ:

Trong đó: R1, R2,...,Rn là các điện trở
UAB là hiệu điện thế hai đầu đoạn mạch
I1, I2,...,In lần lượt là cường độ dòng điện qua mỗi điện trở
IAB là cường độ dòng điện qua mạch chính
+ Cường độ dòng điện chạy trong mạch chính bằng tổng cường độ dòng điện chạy trong các đoạn mạch rẽ:
IAB = I1 + I2 +...+ In
+ Hiệu điện thế giữa hai đầu đoạn mạch gồm các điện trở mắc song song bằng hiệu điện thế giữa hai đầu mỗi đoạn mạch rẽ:
UAB = U1 = U2 = ... = Un
- Trong đoạn mạch gồm hai điện trở mắc song song, cường độ dòng điện chạy qua mỗi điện trở tỉ lệ nghịch với điện trở đó.

2. Điện trở tương đương của đoạn mạch song song
Đối với đoạn mạch gồm hai điện trở mắc song song thì nghịch đảo của điện trở tương đương bằng tổng các nghịch đảo của từng điện trở thành phần:

Mở rộng với đoạn mạch gồm n điện trở mắc song song:

3. Liên hệ thực tế
Những đường dây điện trung thế, cao thế chạy ngoài trời thường không có vỏ bọc cách điện. Chim chóc khi bay thường hay đậu lên những đường dây điện này mà không bị điện giật chết ⇒ Khi chim đậu lên đường dây điện, cơ thể chim tạo thành một điện trở mắc song song với đoạn dây điện giữa hai chân chim. Do điện trở Rc của cơ thể chim lớn hơn rất nhiều so với điện trở Rđ của đoạn dây dẫn giữa hai chân chim nên cường độ dòng điện qua cơ thể chim rất nhỏ và không gây tác hại đến chim.
B. Trắc nghiệm & Tự luận
Câu 1: Cho đoạn mạch gồm điện trở R1 mắc nối tiếp với điện trở R2 mắc vào mạch điện. Gọi U, U1, U2 lần lượt là hiệu điện thế của toàn mạch, hiệu điện thế qua R1, R2. Biểu thức nào sau đây đúng?
A. U = U1 = U2
B. U = U1 + U2
C. U ≠ U1 = U2
D. U1 ≠ U2
Hiệu điện thế hai đầu đoạn mạch song song bằng hiệu điện thế hai đầu mỗi đoạn mạch rẽ
→ Đáp án A
Câu 2: Phát biểu nào dưới đây không đúng đối với đoạn mạch gồm các điện trở mắc song song?
A. Cường độ dòng điện trong mạch chính bằng tổng cường độ dòng điện trong các mạch rẽ.
B. Hiệu điện thế giữa hai đầu đoạn mạch bằng tổng các hiệu điện thế giữa hai đầu mỗi điện trở mắc trong đoạn mạch.
C. Hiệu điện thế giữa hai đầu đoạn mạch bằng hiệu điện thế giữa hai đầu mỗi điện trở mắc trong đoạn mạch.
D. Hiệu điện thế giữa hai đầu mỗi điện trở mắc trong đoạn mạch tỉ lệ thuận với điện trở đó.
Hiệu điện thế hai đầu đoạn mạch song song bằng hiệu điện thế hai đầu mỗi đoạn mạch rẽ
→ Đáp án B
Câu 3: Biểu thức nào sau đây xác định điện trở tương đương của đoạn mạch có hai điện trở R1, R2 mắc song song?

→ Đáp án A
Câu 4: Đặt một hiệu điện thế UAB vào hai đầu đoạn mạch gồm hai điện trở R1 và R2 mắc song song. Hiệu điện thế giữa hai đầu mỗi điện trở tương ứng là U1, U2. Hệ thức nào sau đây là đúng?
A. RAB = R1 + R2
B. IAB = I1 = I2
C. 
D. UAB = U1 + U2
→ Đáp án C
Câu 5: Hai điện trở R1 và R2 được mắc song song với nhau, trong đó R1 = 6, dòng điện mạch chính có cường độ I = 1,2A và dòng điện đi qua điện trở R2 có cường độ I2 = 0,4A. Tính R2.
A. 10 Ω B. 12 Ω C. 15 Ω D. 13 Ω
Ta có:

→ Đáp án B
Câu 6: Một đoạn mạch gồm hai điện trở R1 = 6 Ω , R2 = 3 Ω mắc song song với nhau vào hai điểm có hiệu điện thế 6V. Điện trở tương đương và cường độ dòng điện qua mạch chính là:
A. R = 9 Ω , I = 0,6A
B. R = 9 Ω , I = 1A
C. R = 2 Ω , I = 1A
D. R = 2 Ω , I = 3A
Điện trở mắc song song nên 
Cường độ dòng điện: 
→ Đáp án D
Câu 7: Cho hai điện trở, R1 = 15 chịu được dòng điện có cường độ tối đa 2A và R2 = 10 chịu được dòng điện có cường độ tối đa 1A. Hiệu điện thế tối đa có thể đặt vào hai đầu đoạn mạch gồm R1 và R2 mắc song song là:
A. 40V B. 10V C. 30V D. 25V
Vì R2 = 10 chịu được dòng điện có cường độ tối đa 1A nên I2 = 1A
Hiệu điện thế tối đa có thể đặt vào hai đầu đoạn mạch gồm R1 và R2 mắc song song là: U = U1 = U2 = R2.I2 = 10.1 = 10V
→ Đáp án B
Câu 8: Ba điện trở R1, R2, R3 được mắc song song vào hai điểm A và B. Biết cường độ dòng điện qua R2 là 0,6A và R1 = 20 Ω , R2 = 30 Ω , R3 = 60 Ω . Tính cường độ dòng điện qua R1, R3 và qua mạch chính.
Điện trở tương đương của đoạn mạch:

Từ (1) và (2) ![]()
Câu 9: Cho sơ đồ mạch điện như hình vẽ. Biết R1 = 2.R2 = 3R3, hiệu điện thế giữa hai đầu AB là 48V. Tính R1, R2, R3 biết ampe kế chỉ 1,6A.


Câu 10: Một đoạn dây dẫn có điện trở 100 Ω , đặt vào hai đầu dây dẫn một hiệu điện thế có giá trị không đổi U = 36V.
a) Tính cường độ dòng điện qua đoạn dây.
b) Muốn cường độ dòng điện chạy trong mạch là 1,5A thì ta có thể làm:
- Cắt đoạn dây trên bỏ bớt đi một phần và tính điện trở của phần cắt bớt bỏ đó.
- Cắt đoạn dây dẫn trên thành hai đoạn, mỗi đoạn có điện trở là R1 và R2 (R1 > R2), sau đó ghép chúng lại song song với nhau rồi đặt chúng vào hiệu điện thế nói trên. Tính R1 và R2.
a) Cường độ dòng điện qua đoạn dây: 
b) Khi cường độ dòng điện là 1,5A thì điện trở của mạch khi đó là:
