Bài tập về công suất điện và điện năng
Trong chương trình Vật lý lớp 9, chuyên đề Công suất điện và điện năng đóng vai trò quan trọng trong việc giúp học sinh hiểu rõ về hiệu suất sử dụng điện trong đời sống và kỹ thuật. Tài liệu dưới đây tổng hợp đầy đủ các dạng bài tập về công suất điện và điện năng, kèm theo lời giải chi tiết, hướng dẫn phân tích đề bài, công thức áp dụng và cách trình bày khoa học. Đây là nguồn tài liệu hữu ích giúp học sinh ôn luyện, nắm vững kiến thức và chuẩn bị tốt cho các kỳ kiểm tra, thi học kỳ cũng như ôn thi vào lớp 10.
Bài tập công suất điện và điện năng
A. Công thức tính công suất điện, tính điện năng
1. Công thức tính công suất điện
a. Định nghĩa:
Công suất có được xác định bằng tích của hiệu điện thế 2 đầu đoạn mạch với cường độ dòng điện qua nó.

Đơn vị của công suất là oát (W).
Ngoài ra cũng thường sử dụng các đơn vị kilôoát (kW), mêgaoát (MW).
1 kW = 1000 W, 1 MW = 1000000 W
2. Công thức tính điện năng
Định nghĩa:
Số đo phần điện năng chuyển hóa sang các dạng năng lương khác trong một đoạn mạch điện được gọi là công của dòng điện sản ra trong đoạn mạch đó.
Công thức: A = Pt = UIt
Trong đó: U là hiệu điện thế tính bằng đơn vị V
- I là cường độ dòng điện tính bằng đơn vị A
- P là công suất của dòng điện tính bằng đơn vị W
- T là thời gian tính bằng đơn vị s
- A là công của dòng điện tính bằng đơn vị J. Ngoài ra người ta còn dùng đơn vị Ws hoặc KWh.
- 1 kJ = 1000 J, 1 Wh = 3600 J, 1 kWh = 3600000 J
* Lưu ý:
- Trên mỗi dụng cụ dùng điện hay trên mỗi đèn điện người ta có ghi hiệu điện thế và công suất định mức của chúng.
- Khi xét đèn điện hay các thiết bị điện hoạt động bình thường hay không ta so sánh hiệu điện thế thực tế với hiệu điện thế định mức, hoặc so sánh cường độ dòng điện thực tế với cường độ dòng điện định mức
- Nếu Ut t <Uđm (hoặc Itt < Iđm): Thiết bị hoạt động yếu, đèn sáng mờ.
- Nếu Utt = Uđm (hoặc Itt = Iđm): Thiết bị hoạt độngbình thường, đèn sáng bình thường
- Nếu Utt > Uđm ( hoặc Itt > Iđm): Thiết bị hoạt động mạnh, đèn sáng quá sáng

3. Phương pháp tính công suất điện và tính điện năng
1. Tính công suất điện
a) Tính công suất điện của một điện trở hay một đoạn mạch

b) Tính công suất điện của một dụng cụ khi hoạt động ở hiệu điện thế khác với hiệu điện thế định mức
- Tính điện trở theo công thức: 
- Tính công suất: 
2. Tính điện năng
a) Tính điện năng tiêu thụ của dụng cụ:
A = P.t = U.I.t = I2.R.t
b) Tính điện năng có ích của động cơ
Aci = H.Atp
Trong đó H là hiệu suất của động cơ
Atp là công do dòng điện sinh ra
Lưu ý: Khi tính tiền điện hay điện năng với đơn vị là kWh thì ta đổi đơn vị tính của công suất P theo kW và của thời gian t theo giờ (h).
B. Bài tập tính công suất điện và điện năng có đáp án chi tiết
Câu 1: Điện năng không thể biến đổi thành
A. Cơ năng B. Nhiệt năng C. Hóa năng D. Năng lượng nguyên tử
Hướng dẫn
Điện năng không thể biến đổi thành năng lượng nguyên tử
→ Đáp án D
Câu 2: Công suất điện cho biết
A. khả năng thực hiện công của dòng điện.
B. năng lượng của dòng điện.
C. lượng điện năng sử dụng trong một đơn vị thời gian.
D. mức độ mạnh, yếu của dòng điện.
Hướng dẫn
Công suất điện cho biết lượng điện năng sử dụng trong một đơn vị thời gian.
→ Đáp án C
Câu 3: Một bàn là được sử dụng với hiệu điện thế 220V thì tiêu thụ một lượng điện năng là 990 kJ trong 15 phút, cường độ dòng điện chạy qua dây nung của bàn là khi đó là bao nhiêu?
A. 5A B. 10A C. 15A D. 20A
Hướng dẫn
A = 990 kJ = 990000 J
t = 15 phút = 900 s
Cường độ dòng điện chạy qua dây nung là:
\(A = U.I.t \Rightarrow I = \frac{A}{{U.t}} = \frac{{990000}}{{220.900}} = 5\left( A \right)\)
→ Đáp án A
Câu 4: Cho hai điện trở có giá trị R1 = 2R2. Nếu mắc hai điện trở nối tiếp nhau và đặt vào hai đầu đoạn mạch hiệu điện thế U thì công của dòng điện thay đổi như thế nào so với khi hai điện trở mắc song song?
A. tăng 4 lần B. giảm 4,5 lần
C. tăng 2 lần D. giảm 3 lần
Hướng dẫn
Gọi
\(R = {R_2}\)
Khi mắc song song
\({R_{m1}} = \frac{{{R_1}.{R_2}}}{{{R_1} + {R_2}}} = \frac{{2R}}{3}\)
Công của dòng điện
\({A_1} = UIt = \frac{{{U^2}}}{R}.t = \frac{{3{U^2}}}{{2R}}.t\)
Khi mắc nối tiếp
\({R_{m2}} = 2R + R = 3R\)
Công của dòng điện
\({A_2} = UIt = \frac{{{U^2}}}{R}.t = \frac{{{U^2}}}{{3R}}.t\)
Ta có:
\(\frac{{{A_1}}}{{{A_2}}} = \frac{{3.3}}{2} = \frac{9}{2} = 4,5\)
Vậy
\({A_1} = 4,5{A_2}\)
→ Đáp án B
Câu 5: Cho đoạn mạch gồm hai điện trở mắc song song. Biết hiệu điện thế hai đầu đoạn mạch là UAB = 24V; giá trị các điện trở R1 = R2 = 8Ω . Trong thời gian 12 phút, công của dòng điện sản ra trong mạch là:
A. 103680J B. 1027,8J C. 712,8J D. 172,8J
→ Đáp án A
Câu 6: Trên bếp điện có ghi 220V – 880W
a) Cần dùng bếp ở hiệu điện thế là bao nhiêu để nó hoạt động bình thường? Tính cường độ dòng điện chạy qua bếp khi đó.
b) Tính điện năng mà bếp hoạt động bình thường trong 3 giờ.
c) Khi bếp hoạt động, điện năng được biến đổi thành các dạng năng lượng nào? Tính công suất hao phí, biết hiệu suất của bếp là 80%.
Câu 7: Khi mắc một bóng điện vào hiệu điện thế 220V thì dòng điện chạy qua nó có cường độ là 250mA.
a) Tính điện trở và công suất của bóng khi đó.
b) Bóng này được sử dụng trung bình 5 giờ trong một ngày. Tính điện năng và số tiền phải trả mà bóng tiêu thụ trong 30 ngày theo đơn vị Jun và số đếm tương ứng của công tơ điện. Biết giá tiền điện phải trả là 1000 đồng/1 chữ.
Hay A = 8,25.1000.3600 = 29700000 J
Số tiền phải trả trong 30 ngày là: T = 8,25.1000 = 8250 đồng
Câu 8: Có hai điện trở 60Ω và 120Ω được mắc song song vào hai điểm A, B. Cường độ dòng điện qua mạch chính là 1,8A. Tính:
a) Hiệu điện thế và công suất tiêu thụ của đoạn AB.
b) Cường độ dòng điện qua mỗi điện trở.
c) Nếu 2 điện trở đó mắc nối tiếp thì công suất tiêu thụ của đoạn mạch lúc đó như thế nào so với khi chúng mắc song song? Hiệu điện thế giữa hai đầu A, B vẫn không đổi.
Vậy khi hai điện trở mắc nối tiếp với nhau, công suất tiêu thụ của chúng nhỏ hơn 4,5 lần so với khi chúng mắc song song với nhau.
Câu 9: Một gia đình dùng mạng điện có hiệu điện thế 220V để thắp sáng nhưng trong nhà lại chỉ có 3 bóng đèn: Đ1 (110V – 40W), Đ2 (110V – 40W), Đ3 (110V – 80W).
a) Muốn các bóng đèn đều sáng bình thường phải mắc chúng vào mạng điện theo sơ đồ nào? Tính cường độ dòng điện qua mỗi bóng.
b) Muốn mắc 3 bóng đèn đó song song với nhau cũng vào mạng điện như trên thì phải mắc thêm một điện trở phụ R theo sơ đồ nào và có trị số là bao nhiêu để chúng sáng bình thường.
a) Muốn các bóng đèn đều sáng bình thường phải mắc chúng vào mạng điện theo sơ đồ như hình vẽ:

Điện trở các bóng đèn và của đoạn AB:
\({R_{AB}} = \frac{{{R_1}}}{2} + {R_3} = \frac{{{{110}^2}}}{{2.40}} + \frac{{{{110}^2}}}{{80}} = 302,5\left( \Omega \right)\)
Cường độ dòng điện qua mỗi bóng đèn:
\(\begin{matrix}
{I_3} = {I_{AB}} = \dfrac{{220}}{{302,5}} \approx 0,73\left( A \right) \hfill \\
{I_1} = {I_2} = \dfrac{{0,73}}{2} = 0,365\left( A \right) \hfill \\
\end{matrix}\)
b. Mắc mạch điện như hình vẽ:

Điện trở đoạn AC:
\(\begin{matrix}
\dfrac{1}{{{R_{AC}}}} = \dfrac{1}{{{R_1}}} + \dfrac{1}{{{R_2}}} + \dfrac{1}{{{R_3}}} \hfill \\
\Leftrightarrow \dfrac{1}{{{R_{AC}}}} = \dfrac{{40}}{{{{110}^2}}} + \dfrac{{40}}{{{{110}^2}}} + \dfrac{{80}}{{{{110}^2}}} = \dfrac{{160}}{{{{110}^2}}} \hfill \\
\Leftrightarrow {R_{AC}} = \dfrac{{{{110}^2}}}{{160}} = 75,625\left( \Omega \right) \hfill \\
\end{matrix}\)
Để các bóng đèn sáng bình thường thì: UR = UAC = 110V tức là R = RAC = 75,625 Ω
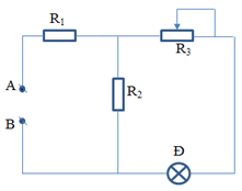
Câu 10: Cho mạch điện như hình vẽ:

Mạch được nối với một nguồn điện có hiệu điện thế không đổi UAB = 18V. Cho biết R1 = 4,2 Ω, R2 = 6 Ω. R3 là một biến trở. Trên bóng đèn Đ có ghi 6V – 3W.
a) Cho R3 = 12Ω , tìm công suất tiêu thụ của đèn Đ.
b) Để đèn Đ sáng bình thường thì ta phải di chuyển con chạy C về phía nào? Tính phần biến trở R’3 tham gia vào mạch điện lúc đó.
Ta vẽ lại mạch điện như hình vẽ:

b) Khi đèn sáng đúng định mức thì Ud = 6V, Id = 0,5A
Gọi x là điện trở tương đương của đoạn mạch CB
Vì đoạn AC nối tiếp với CB nên ta có:

Mà U1 = Um – U2 = 18 – U2 (2)
Từ (1) và (2) ta suy ra:

Mà ta lại có: U2 = I2.R2 = (Im – Idmd).R2 = (Im – 0,5).6
⇒ U2 = 6Im – 3 (4)
Thế (4) vào (3) ta được: (4,2 + x).(6Im – 3) = 18.x
⇔ 6Im.(4,2 + x) – 12,6 – 3x = 18x
\(\begin{matrix}
\Leftrightarrow 6.\dfrac{{18}}{{4,2 + x}}.\left( {4,2 + x} \right) - 12,6 = 21x \hfill \\
\Leftrightarrow 95,4 = 21x \hfill \\
\Leftrightarrow x \approx 4,5\left( \Omega \right) \hfill \\
\end{matrix}\)
Mà:
\(\begin{matrix}
x = 4,5 = \dfrac{{\left( {{R_3}' + {R_d}} \right).{R_2}}}{{{R_3}' + {R_d} + {R_2}}} = \dfrac{{\left( {{R_3}' + 12} \right).6}}{{{R_3}' + 12 + 6}} \hfill \\
\Leftrightarrow 6.{R_3}' + 72 = 4,5{R_3}' + 81 \hfill \\
\Leftrightarrow 1,5{R_3}' = 9 \Leftrightarrow {R_3}' = 6\left( \Omega \right) \hfill \\
\end{matrix}\)
Câu 11. Một bóng đèn có ghi 220V-100W. Nếu mắc đèn vào nguồn điện có hiệu điện thế 110V thì công suất của tiêu thụ của đèn là bao nhiêụ
Hướng dẫn
Điện trở của đèn: R=
\(\frac{{U^{2}}_{dm}}{P_{dm}} = \frac{220^{2}}{100}
= 484\Omega\)
Công suất tiêu thụ của đèn: P=
\(\frac{U^{2}}{R} = \frac{110^{2}}{484} =
25W\)
Câu 12. Có 2 bóng đèn điện, trong đó: Đ1: 220V-75W ; Đ2 : 220V- 25W.
ạ Nếu mắc nối tiếp 2 bóng đèn vào 2 điểm có hiệu điện thế 220V thì đèn nào sáng hơn. Tính công suất của mỗi bóng và công suất của đoạn mạch.
b. Nếu mắc song song chúng vào 2 điểm có hiệu điện thế 220V thì đèn nào sáng hơn Tính công suất của đoạn mạch.
Hướng dẫn
Điện trở của đèn 1: R1=
\(\frac{{U^{2}}_{1dm}}{P_{1dm}} = \frac{200^{2}}{75}
= 645,3\Omega\)
Điện trở của đèn 2: R2=
\(\frac{{U^{2}}_{2dm}}{P_{2dm}} = \frac{220^{2}}{25}
= 1936\Omega\)
a. Khi mắc 2 đèn nối tiếp vào 2 điểm có hiệu điện thế 220V thì cường độ dòng điện qua mỗi đèn:
Int=
\(\frac{U}{R_{nt}} =
\frac{U}{R_{1} + R_{2}} = \frac{220}{645,3 + 1936} = 0,085A\)
Cường độ dòng điện định mức của đèn 1: I1đm=
\(\frac{P_{1dm}}{U_{1dm}} = \frac{75}{220} =
0,34A\)
Cường độ dòng điện định mức của đèn 2: I2đm=
\(\frac{P_{2dm}}{U_{2dm}} = \frac{25}{220} =
0,1136A\)
So sánh Int với I1đm và I2đm ta thấy:
Int < I1đm: Đèn 1 sáng mờ.
Int < I2đm: Đèn 1 sáng mờ
Công suất của đèn 1: P1=R1I2= 645,3.(0,085)2=4,66W
Công suất của đèn 2: P2=R2.I2= 1936.(0,085)2=14W
Công suất của đoạn mạch:Pnt=P1+P2=4,66+14=18,66W
b. Khi mắc 2 đèn song song vào giữa 2 điểm có hiệu điện thế 220V
- Đèn 1 có công suất 75W (Vì Utt = Uđm) ; Đèn 2 có công suất 25W (vì Utt=Uđm)
Vậy đèn 1 sáng hơn đèn 2. Cả hai đèn đều sáng bình thường.
Công suất tiêu thụ của đoạn mạch: P//=P1+P2= 75+25=100W
------------------------------------------------------
Hy vọng rằng với tuyển chọn bài tập công suất điện và điện năng lớp 9 có đáp án chi tiết, các em học sinh sẽ có thêm tài liệu luyện tập hiệu quả, từ đó củng cố kiến thức nền tảng và nâng cao kỹ năng giải bài tập Vật lý. Đừng quên theo dõi các chuyên đề Vật lý lớp 9 khác tại website để học tập toàn diện và tự tin đạt kết quả cao trong các kỳ thi sắp tới.