Biến trở - Điện trở dùng trong kĩ thuật
Chuyên đề Vật lý lớp 9: Biến trở - Điện trở dùng trong kĩ thuật được VnDoc sưu tầm và giới thiệu tới các bạn học sinh cùng quý thầy cô tham khảo. Nội dung tài liệu sẽ giúp các bạn học sinh học tốt môn Vật lý lớp 9 hiệu quả hơn. Mời các bạn tham khảo.
Chuyên đề: Biến trở - Điện trở dùng trong kĩ thuật
A. Lý thuyết
I. TÓM TẮT LÍ THUYẾT
1. Biến trở
- Biến trở là điện trở có thể thay đổi được trị số và có thể sử dụng để điều chỉnh cường độ dòng điện trong mạch.
- Cấu tạo gồm hai bộ phận chính:
+ Con chạy hoặc tay quay
+ Cuộn dây bằng hợp kim có điện trở suất lớn
- Kí hiệu

- Hoạt động: Khi di chuyển con chạy (hoặc tay quay) thì sẽ làm thay đổi chiều dài của cuộn dây có dòng điện chạy qua ⇒ làm thay đổi điện trở của biến trở.
2. Các loại biến trở thường dùng
Có nhiều cách phân loại biến trở:
- Phân loại biến trở theo chất liệu cấu tạo:
+ Biến trở dây quấn (B, C)
+ Biến trở than (A)
- Phân loại biến trở theo bộ phận điều chỉnh:
+ Biến trở con chạy (B)
+ Biến trở tay quay (A, C)
3. Các điện trở thường dùng trong kĩ thuật
a) Cấu tạo
Các điện trở được chế tạo bằng một lớp than hay lớp kim loại mỏng phủ ngoài một lõi cách điện (thường bằng sứ).
b) Nhận dạng cách ghi trị số điện trở
- Cách 1: Trị số được ghi trên điện trở

- Cách 2: Trị số được thể hiện bằng các vòng màu sơn trên điện trở

Cách tính toán giá trị điện trở:
+ Đối với điện trở 4 vạch màu:
• Vạch màu thứ nhất: Chỉ giá trị hàng chục trong giá trị điện trở
• Vạch màu thứ hai: Chỉ giá trị hàng đơn vị trong giá trị điện trở
• Vạch màu thứ ba: Chỉ hệ số nhân với giá trị số mũ của 10 dùng nhân với giá trị điện trở
• Vạch màu thứ 4: Chỉ giá trị sai số của điện trở
+ Đối với điện trở 5 vạch màu:
• Vạch màu thứ nhất: Chỉ giá trị hàng trăm trong giá trị điện trở
• Vạch màu thứ hai: Chỉ giá trị hàng chục trong giá trị điện trở
• Vạch màu thứ ba: Chỉ giá trị hàng đơn vị trong giá trị điện trở
• Vạch màu thứ 4: Chỉ hệ số nhân với giá trị số mũ của 10 dùng nhân với giá trị điện trở
• Vạch màu thứ 5: Chỉ giá trị sai số của điện trở

Ví dụ:
- Điện trở ở vị trí bên trái có giá trị được tính như sau: R = 45 × 102 Ω = 4,5 KΩ bởi vì vàng tương ứng với 4, xanh lục tương ứng với 5, và đỏ tương ứng với giá trị số mũ 2. Vòng màu cuối cho biết sai số của điện trở có thể trong phạm vi 5% ứng với màu kim loại vàng.
- Điện trở ở vị trí giữa có giá trị được tính như sau: R = 380 × 103 Ω = 380 KΩ bởi vì cam tương ứng với 3, xám tương ứng với 8, đen tương ứng với 0, và cam tương ứng với giá trị số mũ 3. Vòng màu cuối cho biết giá trị sai số là 2% ứng với màu đỏ.
- Điện trở ở vị trí bên phải có giá trị được tính như sau: R = 527 × 104 Ω = 5270 KΩ bởi vì xanh lục tương ứng với 5, đỏ tương ứng với 2, và tím tương ứng với 7, vàng tương ứng với số mũ 4, và nâu tương ứng với sai số 1%. Vòng màu cuối cho biết sự thay đổi giá trị của điện trở theo nhiệt độ là 10 PPM/°C.
B. Trắc nghiệm & Tự luận
Câu 1: Biến trở là:
A. điện trở có thể thay đổi trị số và dùng để điều chỉnh chiều dòng điện trong mạch.
B. điện trở có thể thay đổi trị số và dùng để điều chỉnh cường độ và chiều dòng điện trong mạch.
C. điện trở có thể thay đổi trị số và dùng để điều chỉnh cường độ dòng điện trong mạch.
D. điện trở không thay đổi trị số và dùng để điều chỉnh cường độ dòng điện trong mạch.
Biến trở là điện trở có thể thay đổi trị số và dùng để điều chỉnh cường độ dòng điện trong mạch
→ Đáp án C
Câu 2: Hiệu điện thế trong mạch điện có sơ đồ dưới được giữ không đổi. Khi dịch chuyển con chạy của biến trở dần về đầu N thì số chỉ của ampe kế sẽ thay đổi như thế nào?

A. Giảm dần đi
B. Tăng dần lên
C. Không thay đổi
D. Lúc đầu giảm dần, sau đó tăng dần lên
Khi dịch chuyển con chạy của biến trở dần về đầu N thì điện trở của mạch sẽ tăng lên, mà hiệu điện thế không đổi ⇒ số chỉ của ampe kế IA sẽ giảm dần đi.
→ Đáp án A
Câu 3: Biến trở không có kí hiệu trong hình vẽ nào dưới đây?

Hình B không phải là kí hiệu của biến trở
→ Đáp án B
Câu 4: Câu phát biểu nào dưới đây là không đúng về biến trở?
A. Biến trở là điện trở có thể thay đổi trị số.
B. Biến trở là dụng cụ có thể được dùng để thay đổi cường độ dòng điện.
C. Biến trở là dụng cụ có thể được dùng để thay đổi hiệu điện thế giữa hai đầu dụng cụ điện.
D. Biến trở là dụng cụ có thể được dùng để thay đổi chiều dòng điện trong mạch.
Biến trở là dụng cụ không thể được dùng để thay đổi chiều dòng điện trong mạch.
→ Đáp án D
Câu 5: Trước khi mắc biến trở vào mạch để điều chỉnh cường độ dòng điện thì cần điều chỉnh biến trở có giá trị nào dưới đây?
A. Có giá trị 0
B. Có giá trị nhỏ
C. Có giá trị lớn
D. Có giá trị lớn nhất
Trước khi mắc biến trở vào mạch để điều chỉnh cường độ dòng điện thì cần điều chỉnh biến trở có giá trị lớn nhất, như vậy cường độ dòng điện qua mạch sẽ nhỏ nhất.
Khi chỉnh biến trở, điện trở của mạch sẽ giảm dần nên cường độ dòng điện trong mạch sẽ tăng dần ⇒ tránh được hư hỏng thiết bị trong mạch.
→ Đáp án D
Câu 6: Trên một biến trở có ghi 30Ω – 2,5A. Các số ghi này có ý nghĩa nào dưới đây?
A. Biến trở có điện trở nhỏ nhất là 30 Ω và chịu được dòng điện có cường độ nhỏ nhất là 2,5A.
B. Biến trở có điện trở nhỏ nhất là 30 Ω và chịu được dòng điện có cường độ lớn nhất là 2,5A.
C. Biến trở có điện trở lớn nhất là 30 Ω và chịu được dòng điện có cường độ lớn nhất là 2,5A.
D. Biến trở có điện trở lớn nhất là 30 Ω và chịu được dòng điện có cường độ nhỏ nhất là 2,5A.
Các số ghi này có ý nghĩa: Biến trở có điện trở lớn nhất là 30 Ω và chịu được dòng điện có cường độ lớn nhất là 2,5A.
→ Đáp án C
Câu 7: Một bóng đèn có hiệu điện thế định mức 2,5V và cường độ dòng điện định mức 0,4A được mắc với một biến trở con chạy để sử dụng với nguồn điện có hiệu điện thế không đổi 12V. Để đèn sáng bình thường thì phải điều chỉnh biến trở có điện trở là bao nhiêu?
A. 33,7 Ω B. 23,6 Ω C. 23,75 Ω D. 22,5 Ω
Đèn sáng bình thường khi biến trở có điện trở là:

→ Đáp án C
Câu 8: Người ta dùng dây nicrom có điện trở suất là 1,1.10-6 Ω .m và có đường kính tiết diện là d1 = 0,8mm để quấn một biến trở có điện trở lớn nhất là 20 Ω . Tính độ dài l của đoạn dây nicrom cần dùng để quấn biến trở nói trên.
A. 91,3cm B. 91,3m C. 913mm D. 913cm
Tiết diện của dây nicrom:

→ Đáp án D
Câu 9: Cuộn dây của một biến trở con chạy được làm bằng hợp kim Nikêlin có điện trở suất 0,4.10-6 Ω .m, có tiết diện đều là 0,6 mm2 và gồm 500 vòng quấn quanh lõi sứ trụ tròn đường kính 4 cm. Hiệu điện thế lớn nhất được phép đặt lên hai đầu cuộn dây của biến trở là 67V. Hỏi biến trở này chịu được dòng điện có cường độ lớn nhất là bao nhiêu?
Điện trở lớn nhất của biến trở là:

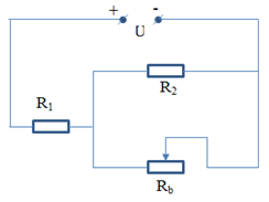
Câu 10: Một biến trở Rb có giá trị lớn nhất là 30Ω được mắc với hai điện trở R1 = 15Ω và R2 = 10Ω thành mạch có sơ đồ như hình vẽ. Trong đó hiệu điện thế không đổi U = 4,5V. Hỏi khi điều chỉnh biến trở thì cường độ dòng điện chạy qua điện trở R1 có giá trị lớn nhất Imax và nhỏ nhất Imin là bao nhiêu?


Trên đây VnDoc đã giới thiệu tới các bạn lý thuyết Vật lý 9: Biến trở - Điện trở dùng trong kĩ thuật. Để có kết quả cao hơn trong học tập, VnDoc xin giới thiệu tới các bạn học sinh tài liệu Chuyên đề Vật lý 9, Giải bài tập Vật lý lớp 9, Giải bài tập Vật Lí 9, Tài liệu học tập lớp 9 mà VnDoc tổng hợp và giới thiệu tới các bạn đọc