Bồi dưỡng học sinh giỏi Vật lý 9: Bài tập Công suất điện có đáp án chi tiết
Bài tập Công suất điện Vật lý 9 có đáp án chi tiết
Trong chương trình bồi dưỡng học sinh giỏi Vật lý 9, phần Công suất điện là một chuyên đề quan trọng, giúp học sinh hiểu rõ mối liên hệ giữa điện năng và hiệu suất sử dụng trong thực tế. Để hỗ trợ học sinh nắm vững kiến thức và rèn luyện kỹ năng giải bài tập, bài viết này cung cấp hệ thống bài tập Công suất điện Vật lý 9 có đáp án chi tiết. Với lời giải từng bước rõ ràng, phân tích cụ thể, đây là tài liệu hữu ích cho các em đang ôn thi HSG Vật lý 9, đồng thời cũng là nguồn tham khảo hiệu quả cho giáo viên trong quá trình giảng dạy và bồi dưỡng học sinh giỏi.
A. Công thức công suất điện
a) Định nghĩa công suất của dòng diện
Công suất có được xác định bằng tích của HĐT 2 đầu đoạn mạch với cường độ dòng điện qua nó.
b) Công thức tính công suất
P = U.I
Ngoài ra người ta còn dùng các công thức khác đó là: P = RI2 Hoặc P = U2/R
* Lưu ý:
- Trên mỗi dụng cụ dùng điện hay trên mỗi đèn điện người ta có ghi hiệu điện thế và công suất định mức của chúng.
- Khi xét đèn điện hay các thiết bị điện hoạt động bình thường hay không ta so sánh HĐT thực tế với HĐT định mức, hoặc so sánh cường độ dòng điện thực tế với cường độ dòng điện định mức
- Nếu Utt<Uđm ( hoặc Itt<Iđm): Thiết bị hoạt động yếu, đèn sáng mờ.
- Nếu Utt=Uđm ( hoặc Itt=Iđm): Thiết bị hoạt độngbình thường, đèn sáng bình thường
- Nếu Utt>Uđm ( hoặc Itt>Iđm): Thiết bị hoạt động mạnh, đèn sáng quá sáng
B. Bài tập ví dụ minh họa tính công suất điện có hướng dẫn
Bài tập 1. Cho mạch điện như hình H2:

Khi chỉ đóng khoá K1 thì mạch điện tiêu thụ công suất là P1, khi chỉ đóng khoá K2 thì mạch điện tiêu thụ công suất là P2, khi mở cả hai khoá thì mạch điện tiêu thụ công suất là P3. Hỏi khi đóng cả hai khoá, thì mạch điện tiêu thụ công suất là bao nhiêu?
Hướng dẫn giải
Khi chỉ đóng khoá K1: P1=
\(\frac{U^{2}}{R_{3}} \Rightarrow \frac{1}{R_{3}} =
\frac{P_{1}}{U^{2}}\) (1)
* Khi chỉ đóng khoá K2: P2=
\(\frac{U^{2}}{R_{1}}\)
\(\Rightarrow \frac{1}{R_{1}} =
\frac{P_{2}}{U^{2}}\) (2)
* Khi mở cả hai khoá K1 và K2: P3=
\(\frac{U^{2}}{R_{1} + R_{2} +
R_{3}} \Rightarrow\)
R1+R2+R3 =
\(\frac{U^{2}}{P_{3}}\) (3)
* Khi đóng cả hai khoá K1và K2: P =
\(\frac{U^{2}}{R_{td}}\)=U2
\(\left( \frac{1}{R_{1}} + \frac{1}{R_{2}} +
\frac{1}{R_{3}} \right)\) (4)
* Từ (3) ta có: R2=U2
\(\left( \frac{1}{P_{3}} - \frac{1}{P_{2}} -
\frac{1}{P_{1}} \right) \Rightarrow \frac{1}{R_{2}} =
\frac{P_{1}P_{2}P_{3}}{U^{2}\left( P_{1}P_{2} - P_{1}P_{3} - P_{2}P_{3}
\right)}\) (5)
* Thay các giá trị từ (1), (2), (5) vào (4) ta được:
P = P1+P2+
\(\frac{P_{1}P_{2}P_{3}}{P_{1}P_{2} - P_{1}P_{3} -
P_{2}P_{3}}\)
Bài tập 2. Cho mạch điện như hình vẽ.

Đèn Đ1 ghi 100V–Pđm1, Đèn Đ2 ghi 125V–Pđm2 (Số ghi công suất hai đốn bị mờ). UMN = 150V (không đổi).
Khi các khóa K1, K2 đóng, K3 mở. Ampe kế chỉ 0, 3A. Khi khóa K2, K3 đóng, K1 mở ampe kế chỉ 0,54A. Tính công suất định mức của mỗi đèn? Bỏ qua sự phụ thuộc của điện trở đèn vào nhiệt độ. Điện trở ampe kế và dây nối không đáng kể.
Hướng dẫn giải
- Khi các khoá K1, K2 đóng, K3 mở mạch điện chỉ còn đèn Đ1.
- Công suất tiêu thụ của Đ1 lúc đó là: P1 =UMNIA1=150.0,3=45(W).
Điện trở của đèn 1 sẽ là:
\(\alpha\). Công suất định mức của đèn 1 là: Pđm1=
\(\alpha\)
- Khi các khoá K2, K3 đóng, K1 mở thì hai bóng đèn mắc song song với nhau vào hiệu điện thế 150V.
- Khi đó ta có công suất tiêu thụ của toàn mạch là:
P = U.IA2=150.0,54=81(W).
- Công suất tiêu thụ của đèn 1 lúc này là: P1=
\(\alpha\).
- Vậy công suất tiêu thụ của đèn 2 lúc này là: P2=81-45=36(W).
Điện trở của đèn 2 sẽ là: R2=
\(\alpha\)/ P2=1502/36=625(
\(\alpha\))
\(\alpha\)
Công suất định mức của đèn 2 là: Pđm2=
\(\alpha\)
C. Bài tập tự rèn luyện tính công suất có đáp án
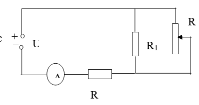
Bài tập 1: Cho mạch điện như hình vẽ:

Biết rằng U = 16 V, R0 = 4
\(\Omega\), R1 = 12
\(\Omega\), Rx là giá trị tức thời của một biến trở đủ lớn, ampe kế A và dây nối có điện trở không đáng kể.
a. Tính Rx sao cho công suất tiêu thụ trên nó bằng 9 W và tính hiệu suất của mạch điện. Biết rằng tiêu hao năng lượng trên R1, Rx là có ích, trên R0 là vô ích.
b. Với giá trị nào của Rx thì công suất tiêu thụ trên nó là cực đại.
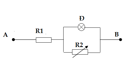
Bài tập 2: Cho mạch điện như hình vẽ bên.

Biết R1 = 4
\(\Omega\), bóng đèn Đ loại: 6V – 3W, R2 là một biến trở.
Hiệu điện thế UAB = 10 V (không đổi).
a. Xác định R2 để đèn sáng bình thường.
b. Xác định R2 để công suất tiêu thụ trên đoạn mạch mắc song song đạt cực đại. Tìm giá trị đó.
Bài tập 3. Người ta cần truyền tải một công suất điện 100kW đi xa 90km, với điều kiện hao phí do năng suất tỏa nhiệt trên đường truyền dây không vượt quá 2% công suất cần truyền đi. Người ta dùng dây dẫn bằng đồng có điện trở suất và khối lượng riêng lần lượt là 1,7.10-8 Ωm và 8900kg/m3. Tính khối lượng của dây dẫn khi truyền điện năng dưới hiệu điện thế U=6kV.
Bài tập 4. Hai điện trở R= 4Ω và r mắc nối tiếp vào hai đầu hiệu điện thế U = 24V. Khi thay đổi giá trị của r thì công suất tỏa nhiệt trên r thay đổi và đạt giá trị cực đại. Tính giá trị cực đại đó.
Bạn muốn xem toàn bộ tài liệu? Hãy nhấn Tải về ngay!
---------------------------------------------
Như vậy, thông qua hệ thống bài tập Công suất điện Vật lý 9 có đáp án chi tiết, các em học sinh không chỉ rèn luyện kỹ năng tính toán mà còn củng cố tư duy logic và khả năng vận dụng kiến thức vào thực tế. Đây là tài liệu hỗ trợ đắc lực cho quá trình bồi dưỡng học sinh giỏi Vật lý 9, giúp các em chuẩn bị tốt nhất cho các kỳ thi quan trọng. Để đạt kết quả cao, các em cần kết hợp việc luyện tập thường xuyên, nắm chắc công thức, và vận dụng linh hoạt vào nhiều dạng bài tập khác nhau. Hãy coi đây là hành trang hữu ích để tự tin chinh phục môn Vật lý và đạt thành tích xuất sắc trong các kỳ thi học sinh giỏi.