Tài liệu bồi dưỡng học sinh giỏi Vật lý 9 Chuyên đề Điện học có đáp án
Tài liệu ôn thi HSG Vật lý 9 có đáp án đầy đủ và chi tiết
Trong chương trình Vật lý 9, chuyên đề Điện học luôn là một phần kiến thức quan trọng và thường xuyên xuất hiện trong các đề thi học sinh giỏi cũng như các kỳ thi tuyển sinh vào lớp 10. Để học tốt và đạt điểm cao, học sinh không chỉ cần nắm vững lý thuyết mà còn phải thành thạo các dạng bài tập vận dụng, đặc biệt là những dạng bài nâng cao về định luật Ôm, công suất điện, điện trở, và mạch điện phức tạp. Bài viết này giới thiệu bộ tài liệu bồi dưỡng học sinh giỏi Vật lý 9 chuyên đề Điện học kèm đáp án chi tiết, giúp các em củng cố kiến thức, rèn luyện kỹ năng giải bài tập và tự tin chinh phục các đề thi học sinh giỏi.
A. Công thức phần điện học
1. Định luật Ohm
Cường độ dòng điện chạy qua dây dẫn tỉ lệ thuận với hiệu điện thế đặt vào hai đầu dây và tỉ lệ nghịch với điện trở của dây.
\(I=\frac{U}{R}\)
I: Cường độ dòng điện (A).
U: Hiệu điện thế (V).
R: Điện trở (Ω).
2. Đoạn mạch nối tiếp
Cường độ dòng điện: I = I1 = I2.
Hiệu điện thế: U = U1 + U2 .
Điện trở tương đương: Rtd = R1 + R2.
Hiệu điện thế tỉ lệ thuận với điện trở:
\(\frac{U_{1}}{U_{2}} =
\frac{R_{1}}{R_{2}}\)
3. Đoạn mạch song song
I = I1 + I2
U = U1 = U2
\(\frac{1}{R_{td}} = \frac{1}{R_{1}} +
\frac{1}{R_{2}}\) =>
\(R_{td} =
\frac{R_{1}.R_{2}}{R_{1} + R_{2}}\)
Cường độ dòng điện tỉ lệ nghịch với điện trở:
\(\frac{I_{1}}{I_{2}} =
\frac{R_{2}}{R_{1}}\)
4. Công thức tính điện trở
\(R = \rho\frac{l}{S}\)
\(\rho\): điện trở suất (Ωm).
l: chiều dài của dây (m)
S: tiết diện của dây dẫn (m2 ).
1mm= 1 .10-6 m2 ; d = 2r =>
\(r = \frac{d}{2}\)
S = 3,14 .r2
d: đường kính
r: bán kính của dây.
\(D = \frac{m}{V}\)
D: khối lượng riêng (kg / m3)
m: khối lượng của dây (kg)
V: thể tích của dây (m3)
\(l = \frac{V}{S}\)
l: chiều dài của dây (m)
V: thể tích của dây (m3)
S: tiết diện của dây (m2)
B. Bài tập minh họa phần điện học có đáp án
Bài tập 1. Cho mạch điện như hình H1:

Biết vôn kế V1 chỉ 6V, vôn kế V2 chỉ 2V, các vôn kế giống nhau. Xác định UAD.
Hướng dẫn giải
Gọi điện trở các vôn kế là Rv, các dòng điện trong mạch như hình vẽ:

Theo sơ đồ mạch điện ta có:
UMN = IR + Uv1 = IR + 6 (1)
Uv1 = I1R + Uv2 = I1R + 2
Từ (2) ta có: I1 =
\(\frac{4}{R}\) (2)
Theo sơ đồ ta có: I1 = I2 + Iv2 =
\(\frac{U_{v2}^{}}{R} +
\frac{U_{v2}}{R_{v}}\) =
\(\frac{2}{R}
+ \frac{2}{R_{v}}\) (3)
Từ (2) và (3) ta có:
\(\frac{4}{R}\) =
\(\frac{2}{R} + \frac{2}{R_{v}}
\Rightarrow\) Rv = R
Theo sơ đồ ta có: I = I1 + Iv1 thay số : I =
\(\frac{4}{R}\)+
\(\frac{6}{R_{v}}\) =
\(\frac{10}{R}\) (4)
Thay (4) vào (1) ta có: UAD = 16(V)
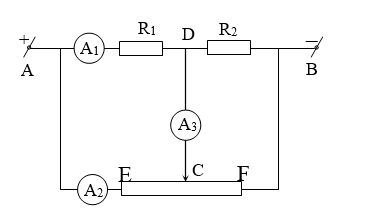
Bài tập 2. Cho mạch điện như hình vẽ. Biết UAB không đổi, R1 = 18 Ω, R2 = 12 Ω, biến trở có điện trở toàn phần là Rb = 60 Ω, điện trở của dây nối và các ampe kế không đáng kể.

Xác định vị trí con chạy C sao cho:
a. Ampe kế A3 chỉ số không.
b. Hai ampe kế A1, A2 chỉ cùng giá trị.
c. Hai ampe kế A1, A3 chỉ cùng giá trị.
Hướng dẫn giải
Kí hiệu hình vẽ như sau:
a. Ampe kế 3 chỉ 0, ta có mạch cầu cân bằng
R1/ REC =R2 /RCF = (R1 + R2) /Rb
=> REC = R1. Rb / (R1 + R2) = 36Ω
\(\Rightarrow\) REC / Rb = 3/5.
Vậy con chạy C nằm ở vị trí cách E là 3/5 EF.
b. Hai ampe kế A1 và A2 chỉ cùng giá trị
UAC = I1 .R1 = I2 .REC vì I1 = I2 nên R1 = REC = 18 Ω, RFC = 42Ω
Vậy con chạy C ở vị trí sao cho EC/EF = 3/10.
c. Hai ampe kế A1 và A3 chỉ cùng giá trị
* Trường hợp 1: Dòng qua A3 chạy từ D đến C
I1 = I3 => I5 = I1 – I3 = 0 => UCB = 0
Điều này chỉ xảy ra khi con chạy C trùng F
Trường hợp 2: Dòng qua A3 chạy từ C đến D
I5 = I1 + I3 = 2I1
UAC = I1. R1 = I2 . REC => I1/I2 = REC/ 18 (1)
UCB = I5. R2 = I4 . RCF với RCF = 60 - REC
I5 =2 I1 và I4 = I2 - I3 = I2 - I1
=> 2I1/( 60 - REC) = (I2 - I1)/ 12
=> I1/ I2 = ( 60 - REC)/ (84- REC) (2)
Từ (1) và (2) ta có: R2EC - 102REC + 1080 = 0
Giải phương trình ta được REC = 12Ω
Bài tập 3. Cho mạch điện có sơ đồ như hình vẽ. Hiệu điện thế hai đầu đoạn mạch được giữ không đổi là U = 7 V; các điện trở R1 = 3
\(\Omega\), R2 = 6
\(\Omega\); MN là một dây dẫn điện có chiều dài l = 1,5 m, tiết diện không đổi S = 0,1 mm2, điện trở suất
\(\rho\) = 4.10 -7
\(\Omega\)m. Bỏ qua điện trở của ampe kế và của các dây nối.

a, Tính điện trở R của dây dẫn MN.
b, Xác định vị trí điểm C để dòng điện qua ampe kế theo chiều từ D đến C và có cường độ 1/3 A.
Hướng dẫn giải
a, Điện trở của dây MN: RMN =
\(\rho\frac{l}{S}\) =
\(\frac{4.10^{- 7}.1,5}{10^{- 7}}\) = 6 (
\(\Omega\)).
b, Gọi I1 là cường độ dòng điện qua R1, I2 là cường độ dòng điện qua R2 và Ix là cường độ dòng điện qua đoạn MC với RMC = x.

- Do dòng điện qua ampe kế theo chiều từ D đến C nên I1 > I2, ta có:
\(U_{R_{1}} = \ R_{1}I_{1}\ = \
3I_{1}^{}\);
\(U_{R_{2}} = \
R_{2}I_{2}\ = \ 6(I_{1}\ - \ \frac{1}{3})\);
- Từ
\(U_{MN}\ = \ \ U_{MD} + \ U_{DN} = \
\ U_{R_{1}} + \ U_{R_{2}}\ = \ 7\ (V)\),
ta có phương trình:
\(3I_{1}\ + \
6(I_{1}\ - \ \frac{1}{3})\ = \ \ 7\)
\(\Rightarrow\) I1 = 1 (A)
- Do R1 và x mắc song song nên:
\(I_{x}\ = \ \frac{I_{1}R_{1}}{x}\ = \
\frac{3}{x}\).
- Từ UMN = UMC + UCN = 7
\(\Rightarrow\)
\(x.\frac{3}{x}\ + \ (6\ - \ x)(\frac{3}{x}\ + \
\frac{1}{3})\ = \ 7\)
\(\Rightarrow\) x2 + 15x – 54 = 0 (*)
- Giải phương trình (*) và lấy nghiệm dương x = 3 (
\(\Omega\)).
Vậy con chạy C ở chính giữa dây MN.
C. Bài tập tự rèn luyện phần điện học có hướng dẫn giải
Bài tập 1. Cho mạch điện có sơ đồ như hình vẽ:

Biết: R1 = 30
\(\Omega\); R2 = 60
\(\Omega\) ; R3 = 90
\(\Omega\). Điện trở của Ampe kế nhỏ không đáng kể. Hiệu điện thế UAB = 150V.
a. Cho R4 = 20
\(\Omega\) thì Ampe kế chỉ bao nhiêu?
b. Điều chỉnh R4 để Ampe kế chỉ số 0. Tính trị số R4 khi đó?
Bài tập 2. Có n điện trở được mắc song song với nhau:
R1 = 1
\(\rho\) ; R2 =
\(\rho\rho\) ; R3 =
\(\rho\rho\)... Rn =
\(\rho\)
Hãy tính điện trở tương đương của toàn mạch.
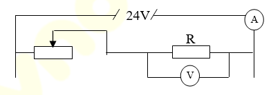
Bài tập 3. Cho mạch điện như hình vẽ nguồn điện có hiệu điện thế không đổi 24V.

a. Điều chỉnh con chạy của biến trở để vôn kế chỉ 12V thì Ampe kế chỉ 1ê. Hỏi khi đó biến trở có điện trở là bao nhiêu?
b. Phải điều chỉnh biến trở có điện trở là bao nhiêu để vôn kế chỉ 3V.
Tài liệu quá dài để hiển thị hết — hãy nhấn Tải về để xem trọn bộ!
-------------------------------------------------------------------------
Việc luyện tập với tài liệu bồi dưỡng học sinh giỏi Vật lý 9 chuyên đề Điện học có đáp án sẽ giúp học sinh rèn luyện tư duy logic, khả năng phân tích và giải quyết vấn đề nhanh chóng, chính xác. Đây là tài liệu tham khảo hữu ích dành cho học sinh đang trong giai đoạn ôn thi học sinh giỏi Vật lý 9 hoặc chuẩn bị bước vào kỳ thi vào lớp 10.
👉 Để đạt hiệu quả cao, học sinh nên kết hợp ôn tập lý thuyết, luyện tập thường xuyên với các bài tập có lời giải chi tiết, đồng thời tham khảo thêm các chuyên đề khác trong Vật lý 9 như Quang học, Điện từ học, và Cơ học. Sự chuẩn bị kỹ lưỡng sẽ giúp các em tự tin, đạt kết quả cao và khẳng định năng lực của bản thân trong các kỳ thi quan trọng.