Đề thi thử tốt nghiệp THPT 2025 môn Công nghệ công nghiệp bám sát đề minh họa - Đề 10
Đề thi thử bám sát đề minh họa 2025 môn Công nghệ công nghiệp - Đề 10
Đề thi thử tốt nghiệp THPT Quốc gia 2025 môn Công nghệ công nghiệp bám sát đề minh họa - Đề 10 có đáp án được VnDoc.com tổng hợp gồm có 24 câu hỏi trắc nghiệm, 4 câu hỏi đúng sai. Thí sinh làm bài trong thời gian 50 phút. Đề có đáp án kèm theo. Mời các bạn cùng theo dõi bài viết dưới đây để có thêm tài liệu ôn thi kì thi THPT Quốc gia nhé.
1. Đề thi thử tốt nghiệp môn Công nghệ
PHẦN I. Câu trắc nghiệm nhiều phương án lựa chọn. Thí sinh trả lời từ câu 1 đến câu 24. Mỗi câu hỏi thí sinh chỉ chọn một đáp án.
Câu 1. Hoạt động thường kì để kiểm tra các thông số kĩ thuật, hiệu chỉnh khi có sai số và vệ sinh thiết bị điện nhằm duy trì hệ thống điện hoạt động bình thường là công việc của nghề
A. Thiết kế điện.
B. Bảo dưỡng điện.
C. Vận hành điện.
D. Lắp đặt điện.
Câu 2. Hệ thống điện quốc gia gồm
A. nguồn điện.
B. lưới điện, tủ điện, nguồn điện.
C. hộ tiêu thụ, nguồn điện.
D. nguồn điện, lưới điện, tải tiêu thụ.
Câu 3. Cho mạch điện ba pha đối xứng, tải nối theo hình tam giác có điện áp dây Ud = 380 V. Tải ba pha có điện trở ở mỗi pha là R = 40 Ω. Xác định giá trị dòng điện ba pha, dòng điện dây và điện áp pha của mạch điện.
A. Ip = 9,5 A; Id = 16,45 A; Up = 380 V.
B. Ip = 9,5 A; Id = 9,5 A; Up = 380 V.
C. Ip = 9,5 A; Id = 16,45 A; Up = 220 V.
D. Ip = 16,45 A; Id = 16,45 A; Up = 380 V.
Câu 4. Nhận định nào sau đây là đúng nhất về đặc điểm của mạng điện sản xuất quy mô nhỏ?
A. Tải thường phân bố tập trung.
B. Dùng một máy biến áp riêng hoặc lấy điện từ đường dây hạ áp 380/220V.
C. Mạng chiếu sáng cũng được lấy từ đường dây hạ áp của cơ sở sản xuất.
D. Tải thường phân bố tập trung, dùng một máy biến áp riêng hoặc lấy điện từ đường dây hạ áp 380/220V, mạng chiếu sáng cũng được lấy từ đường dây hạ áp của cơ sở sản xuất.
Câu 5. Trong các phương pháp sản xuất điện năng, phương pháp nào phụ thuộc vào điều kiện môi trường tự nhiên và thời tiết?
A. Nhiệt năng, năng lượng gió, năng lượng mặt trời.
B. Nhiệt điện, năng lượng hạt nhân.
C. Thủy năng, năng lượng gió, năng lượng mặt trời.
D. Năng lượng hạt nhân, năng lượng gió.
Câu 6. Quan sát hình sau và cho biết đây là kí hiệu của:

A. Công tơ điện
B. Dây dẫn
C. Aptomat
D. Đèn sợi đốt
Câu 7. Sơ đồ lắp đặt cho biết
A. vị trí và cách lắp đặt từng phần tử của hệ thống trong thực tế.
B. cách hoạt động từng phần tử của hệ thống điện trong gia đình.
C. mối quan hệ điện của các phần tử trong hệ thống điện.
D. tổng điện năng tiêu thụ của các thiết bị trong hệ thống điện.
Câu 8. Trong lựa chọn thiết bị và đồ dùng điện, để đảm bảo tiết kiệm điện năng, cần lựa chọn thiết bị và đồ dùng điện có
A. chức năng hẹn giờ.
B. có công suất lớn.
C. thời gian bảo hành lâu.
D. giá thành thấp.
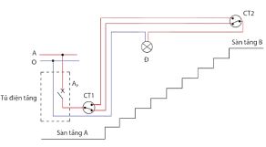
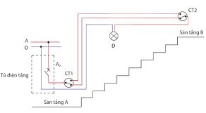
Câu 9. Hình dưới đây là một sơ đồ lắp đặt mạch điều khiển đèn cầu thang. Để điều khiển đèn chiếu sáng, thì sử dụng thiết bị nào?

A. Cầu dao.
B. Công Tắc.
C. Aptomat.
D. Ổ cắm.
Câu 10. Để đảm bảo an toàn khi sử dụng thiết bị điện trong gia đình, chúng ta nên làm điều gì sau đây?
A. Sử dụng chung một ổ cắm điện cho nhiều thiết bị điện công suất lớn.
B. Tiếp xúc trực tiếp với các thiết bị điện khi tay đang ướt.
C. Rút phích cắm thiết bị điện bằng cách kéo dây dẫn.
D. Tắt cầu dao tổng trước khi tiến hành sửa chữa các thiết bị điện.
Câu 11. Lĩnh vực kĩ thuật liên quan đến nghiên cứu và ứng dụng linh kiện điện tử, vi điều khiển,... để chế tạo ra sản phẩm phục vụ đời sống và sản xuất là
A. kĩ thuật điện.
B. kĩ thuật điện tử.
C. cơ khí.
D. xây dựng.
Câu 12. Hình vẽ sau đây là kí hiệu của linh kiện điện tử nào sau đây?

A. Transisto NPN.
B. Transisto PNP.
C. Vi mạch tổ hợp.
D. Đi-ốt chỉnh lưu.
Câu 13. Một trong những ứng dụng phổ biến của kỹ thuật điện tử trong y tế là gì?
A. Quản lý hồ sơ bệnh nhân.
B. Thiết kế và phát triển thiết bị chẩn đoán hình ảnh.
C. Cung cấp thuốc điều trị .
D. Xây dựng cơ sở vật chất cho bệnh viện.
Câu 14. Hãy cho biết tín hiệu được biễu diễn như hình dưới đây thuộc loại tín hiệu nào?

A. Tín hiệu tương tự.
B. Tín hiệu số.
C. Tín hiệu sóng mang.
D. Tín hiệu sóng sau khi điều chế.
Câu 15. Trên bo mạch lập trình vi điều khiển, các tín hiệu từ cảm biến thường được đưa vào thông qua khối
A. xử lí trung tâm.
B. đầu vào.
C. bộ nhớ RAM.
D. dao động.
Câu 16. Khối đảm nhận chức năng lưu trữ các câu lệnh, số liệu trong vi điều khiển là
A. bộ xử lí trung tâm.
B. bộ vi xử lí.
C. bộ nhớ.
D. khối đầu vào/ra
Câu 17. Đặc trưng cho cuộc cách mạng công nghiệp lần thứ nhất là
A. năng lượng điện và sản xuất hàng loạt.
B. công nghệ thông tin và tự động hóa.
C. động cơ hơi nước và cơ giới hóa.
D. công nghệ số và trí tuệ nhân tạo.
Câu 18. Công nghệ mới đầu tiên được giới thiệu là
A. công nghệ CAD/CAM/CNC.
B. công nghệ in 3D.
C. công nghệ nano.
D. công nghệ năng lượng tái tạo.
Câu 19. Trên bản vẽ kĩ thuật có ghi tỉ lệ 5:1 thì đó là tỉ lệ nào sau đây?
A. Tỉ lệ phóng to.
B. Tỉ lệ thu nhỏ.
C. Tỉ lệ nguyên hình.
D. Tỉ lệ giảm 5 lần.
Câu 20. Hình cắt có mấy phân loại?
A. 2.
B. 3.
C. 4.
D. 5.
Câu 21. Gia công cơ khí là quá trình
A. tạo ra sản phẩm.
B. thiết kế sản phẩm.
C. hoàn thiện sản phẩm.
D. bảo dưỡng sản phẩm.
Câu 22. Trong ngành cơ khí, hợp kim dùng để chế tạo thép không gỉ là
A. gang và thép carbon.
B. nhôm và hợp kim nhôm.
C. đồng và hợp kim đồng
D. nickel và hợp kim nickel.
Câu 23. Trong động cơ đốt trong, hệ thống làm mát có nhiệm vụ
A. đưa dầu bôi trơn đến các bề mặt làm việc của các chi tiết để giảm ma sát và nhiệt độ giữa các chi tiết.
B. giữ cho nhiệt độ của các chi tiết trong động cơ không vượt quá giới hạn cho phép khi làm việc.
C. xử lí và giảm bớt nồng độ chất độc hại trong khí thải của động cơ trước khi thải ra môi trường bên ngoài.
D. làm quay trục khuỷu động cơ đến số vòng quay nhất định để động cơ có thể tự nổ máy được.
Câu 24. Trên ô tô, nguồn động lực được sử dụng phổ biến nhất hiện nay là
A. động cơ đốt trong
B. Động cơ điện
C. động cơ hơi nước
D. Động cơ gas
PHẦN II. Câu trắc nghiệm Đúng - Sai. Thí sinh trả lời từ câu 1 đến câu 4. Trong mỗi ý a), b), c), d) thí sinh chọn đúng hoặc sai.
Câu 1. Một phân xưởng sản xuất sử dụng hệ thống điện xoay chiều ba pha bốn dây với điện áp dây là 380V. Nhân viên kĩ thuật cần đấu nối 9 bóng đèn (điện áp định mức 220V) để chiếu sáng nhà xưởng. Các bóng đèn có công suất bằng nhau và cần được mắc sao cho đảm bảo độ sáng ổn định, an toàn và tiết kiệm năng lượng. Nhân viên kĩ thuật đã đưa ra hai phương án đấu mạch:
- Mắc nối tiếp tất cả các bóng đèn vào một pha.
- Mắc song song 3 bóng đèn trên mỗi pha.
Nhân viên đưa ra các nhận định sau về các phương án đấu mạch.
A. Các bóng đèn cần được mắc vào điện áp pha (220V) chứ không thể mắc trực tiếp vào điện áp dây (380V).
B. Nếu mắc nối tiếp cả 9 bóng đèn trên một pha thì tất cả bóng đèn sẽ sáng đều và an toàn.
C. Khi mắc song song 3 bóng đèn trên mỗi pha (đấu hình sao) thì dòng điện pha sẽ lớn hơn dòng điện dây.
D. Nếu công suất của mỗi bóng đèn là 100W và chọn dây dẫn bằng đồng có j = 5A/mm2 thì dây dẫn cần chọn phải có tiết diện tối thiểu là 0,5mm2.
Câu 2. Một gia đình nhận thấy hóa đơn tiền điện tăng cao do sử dụng nhiều thiết bị điện như ti vi, tủ lạnh, quạt điện, bóng đèn sợi đốt, nhưng không kiểm tra định kì hệ thống điện trong nhà. Đặc biệt, nhiều thiết bị được để ở chế độ chờ, không rút điện khi không sử dụng hoặc sử dụng các bóng đèn sợi đốt để thắp sáng sân vườn vào buổi tối. Bên cạnh đó, ổ cắm điện của gia đình không được bảo trì thường xuyên, dẫn đến nguy cơ chập cháy nên gia đình đac quyết định nhờ tư vấn để áp dụng các biện pháp an toàn và tiết kiệm điện năng.
A. Thay thế bóng đèn sợi đốt bằng bóng đèn LED vì bóng đèn LED có giá thành rẻ hơn đèn sợi đốt và cả hai loại đèn này tiêu thụ điện năng như nhau.
B. Chỉ cần tắt công tắc trên thiết bị điện sẽ không còn tiêu thụ điện năng.
C. Hệ thống dây dẫn điện cũ trong nhà không cần kiểm tra thường xuyên nếu thiết bị vẫn hoạt động bình thường.
D. Lắp đặt cảm biến ánh sáng tự động bật/ tắt đền trong gia đình có thể vừa đảm bảo tiết kiệm điện, vừa tăng độ an toàn khi sử dụng.
Câu 3. Kĩ thuật điện tử mang lại nhiều tiện ích, đóng vai trò quan trọng trong việc nâng cao chất lượng cuộc sống gia đình và chất lượng sinh hoạt cộng đồng. Đã có những đánh giá về vai trò của kĩ thuật điện tử đối với đời sống con người.
A. Mô hình chăm sóc, khám chữa bệnh từ xa được triển khai nhờ sự phát triển của kĩ thuật điện tử.
B. Các thiết bị sử dụng năng lượng mặt trời cũng được nghiên cứu, ứng dụng ngày càng rộng rãi trong gia đình.
C. Hệ thống chiếu sáng công cộng được cải tiến tiết kiệm điện nhờ sử dụng các đèn LED giúp giảm lượng điện tiêu thụ.
D. Ngày nay, các đồ dùng và thiết bị điện tử thông minh ngày càng được nghiên cứu và chế tạo chỉ nhằm phục vụ cuộc sống của con người.
Câu 4. Một máy đo độ ẩm của đất cho hệ thống trồng rau tự động: Nếu độ ẩm thấp, máy tự động mở van nước để tưới cây trồng. Khi độ ẩm đạt đến mức cho phép, bơm tự ngắt, khi độ ẩm cao, máy báo âm thanh và đèn báo động để nông dân kịp thời can thiệp trực tiếp vào việc chăm sóc cây trồng.
A. Tín hiệu vào của máy đo độ ẩm là tín hiệu số.
B. Bộ nhớ của vi điều khiển có nhiệm vụ lưu trữ chương trình và thông tin dữ liệu.
C. Tín hiệu ra là tín hiệu tương tự được quy đổi theo công thức thành dòng điện.
D. Bộ xử lý trung tâm được dùng để lập trình phải là bộ xử lý có dung lượng thật lớn.
2. Đáp án đề thi thử tốt nghiệp môn Công nghệ
PHẦN I. Câu trắc nghiệm nhiều phương án lựa chọn. Thí sinh trả lời từ câu 1 đến câu 24. Mỗi câu hỏi thí sinh chỉ chọn một phương án. (Mỗi câu trả lời đúng thí sinh được 0,25 điểm).
|
Câu hỏi |
Đáp án |
Câu hỏi |
Đáp án |
|
1 |
B |
13 |
B |
|
2 |
D |
14 |
A |
|
3 |
A |
15 |
B |
|
4 |
D |
16 |
A |
|
5 |
C |
17 |
C |
|
6 |
A |
18 |
C |
|
7 |
A |
19 |
A |
|
8 |
A |
20 |
B |
|
9 |
B |
21 |
A |
|
10 |
D |
22 |
D |
|
11 |
B |
23 |
B |
|
12 |
C |
24 |
A |
PHẦN II. Câu trắc nghiệm đúng sai. Thí sinh trả lời từ câu 1 đến câu 4. Trong mỗi ý A, B, C, D ở mỗi câu, thí sinh chọn đúng hoặc sai.
Điểm tối đa của 01 câu hỏi là 1 điểm.
- Thí sinh chỉ lựa chọn chính xác 01 ý trong 1 câu hỏi được 0,1 điểm.
- Thí sinh chỉ lựa chọn chính xác 02 ý trong 1 câu hỏi được 0,25 điểm.
- Thí sinh chỉ lựa chọn chính xác 03 ý trong 1 câu hỏi được 0,50 điểm.
- Thí sinh chỉ lựa chọn chính xác 04 ý trong 1 câu hỏi được 1 điểm.
|
Câu |
Lệnh hỏi |
Đáp án (Đ – S) |
Câu |
Lệnh hỏi |
Đáp án (Đ – S) |
|
1 |
a) |
Đ |
3 |
a) |
Đ |
|
b) |
S |
b) |
S |
||
|
c) |
S |
c) |
Đ |
||
|
d) |
Đ |
d) |
S |
||
|
2 |
a) |
S |
4 |
a) |
S |
|
b) |
S |
b) |
Đ |
||
|
c) |
S |
c) |
Đ |
||
|
d) |
Đ |
d) |
S |