Đề thi thử tốt nghiệp THPT 2025 môn Công nghệ Công nghiệp lần 2 Sở GD&ĐT Thái Nguyên
Thi THPT Quốc gia 2025
Lớp:
THPT Quốc gia
Môn:
Công Nghệ
Dạng tài liệu:
Đề thi
Loại:
Tài liệu Lẻ
Loại File:
PDF
Phân loại:
Tài liệu Tính phí

Mã đề 0601 Trang 1/4
SỞ GIÁO DỤC VÀ ĐÀO TẠO
TỈNH THÁI NGUYÊN
ĐỀ THI CHÍNH THỨC
(Đề thi có 04 trang)
THI THỬ TỐT NGHIỆP THPT NĂM 2025 (ĐỢT 2)
MÔN: CÔNG NGHỆ - CÔNG NGHIỆP
Thời gian làm bài: 50 phút, không kể thời gian phát đề
Họ và tên thí sinh: ……………………………………………………………….
Số báo danh: ……………………………………………………………………..
PHẦN I. Thí sinh trả lời từ câu 1 đến câu 24. Mỗi câu hỏi thí sinh chỉ chọn một phương án.
Câu 1. Một mạch điện trong hệ thống điện gia đình có sơ đồ như hình bên. Sơ đồ này có
A. 01 aptomat, 01 công tắc hai cực, 02 công tắc ba cực, 01 bóng đèn sợi đốt.
B. 01 aptomat, 01 công tắc hai cực, 02 công tắc ba cực, 01 bóng đèn huỳnh quang.
C. 01 cầu chì, 01 công tắc hai cực, 02 công tắc ba cực, 01 bóng đèn huỳnh quang.
D. 01 cầu chì, 01 công tắc hai cực, 02 công tắc ba cực, 01 bóng đèn sợi đốt.
Câu 2. Một mạch logic có sơ đồ như hình bên. Sơ đồ mạch logic này gồm:
A. 01 cổng NOT, 02 cổng NAND và 01 cổng OR.
B. 01 cổng NOT, 02 cổng AND và 01 cổng OR.
C. 01 cổng NOT, 02 cổng OR và 01 cổng AND.
D. 01 cổng NOT, 02 cổng AND và 01 cổng NOR.
Câu 3. Một trong các phương pháp gia công không phoi là
A. mài. B. đúc. C. phay. D. tiện.
Câu 4. Khi thiết kế, lắp đặt mạch điện cung cấp điện cho bình nóng lạnh cần lựa chọn aptomat như thế nào để
đảm bảo an toàn điện?
A. Lựa chọn aptomat có dòng điện định mức lớn hơn 1,2 lần dòng điện tính toán của mạch điện.
B. Lựa chọn aptomat có dòng điện định mức nhỏ hơn 1,2 lần dòng điện tính toán của mạch điện.
C. Lựa chọn aptomat có dòng điện định mức bằng dòng điện tính toán của mạch điện.
D. Lựa chọn aptomat có dòng điện định mức lớn hơn 2,5 lần dòng điện tính toán của mạch điện.
Câu 5. Kí hiệu thể hiện loại điện trở nào?
A. Điện trở quang. B. Biến trở. C. Điện trở nhiệt. D. Điện trở cố định.
Câu 6. Trong mạng điện sản xuất quy mô nhỏ, điện áp ra của máy biến áp ở cấp điện áp
A. cao áp. B. trung áp. C. siêu cao áp. D. hạ áp.
Câu 7. Trong chu trình làm việc của động cơ xăng 4 kì, kì nào piston đi từ điểm chết dưới lên điểm chết trên,
cả 2 xupap đều đóng, thể tích hòa khí trong xi lanh giảm, áp suất và nhiệt độ tăng?
A. Kì cháy – giãn nở. B. Kì thải. C. Kì nén. D. Kì nạp.
Câu 8. Đang sử dụng quạt điện, bỗng nhiên Toàn thấy có mùi khét lạ và lập tức phát hiện ra mùi lạ đó từ quạt
điện. Việc đầu tiên Toàn cần làm là
A. xoay chiếc quạt điện để kiểm tra. B. đẩy quạt điện ra xa chỗ ngồi.
C. đẩy chiếc quạt ra xa các đồ vật khác. D. nhanh chóng ngắt nguồn điện cho quạt.
Câu 9. Trên vỏ của một thiết bị điện gia đình có ghi: Cu – 220 V – 1,0 mm
2
. Thiết bị điện đó là
A. công tơ điện. B. dây dẫn điện. C. ổ cắm điện. D. cầu dao điện.
Mã đề thi: 0601

Mã đề 0601 Trang 2/4
Câu 10. Hình dưới đây là hình biểu diễn ba chiều của một vật thể đơn giản. Theo
hướng chiếu như trên hình vẽ, hình chiếu đứng của vật thể là:
A. . B. . C. . D. .
Câu 11. Một mạch logic tổ hợp có sơ đồ như hình bên. Mạch có ba đầu vào là A, B, C, một đầu ra là Q, đầu
ra của hai cổng AND, NOT là M, N. Tại một thời điểm, các đầu vào có giá trị
A = 0, B = 1, C = 1 thì các đầu ra M, N, Q có giá trị là
A. M = 1, N = 0, Q = 1. B. M = 1, N = 1, Q = 1.
C. M = 0, N = 0, Q = 0 D. M = 0, N = 1, Q = 1.
Câu 12. Người có bằng đại học chuyên ngành kĩ thuật điện tử, biết dùng phần mềm Proteus để vẽ mạch nguyên
lí, mạch in, mô phỏng các hoạt động của mạch điện tử có thể làm việc ở vị trí kĩ sư thuộc nhóm ngành nghề
A. thiết kế điện tử. B. lắp đặt thiết bị điện tử.
C. vận hành thiết bị điện tử. D. sửa chữa thiết bị điện tử.
Câu 13. Một kỹ sư đang nghiên cứu tài liệu và các giải pháp, sản phẩm đã có để làm rõ đối tượng sử dụng sản
phẩm, các giải pháp đã có, những yếu tố khoa học và công nghệ có thể sử dụng trong thiết kế, chế tạo sản
phẩm. Kỹ sư này đang thực hiện hoạt động nào trong quy trình thiết kế kĩ thuật?
A. Tìm hiểu tổng quan. B. Kiểm tra, đánh giá. C. Xác định vấn đề. D. Lập hồ sơ kỹ thuật.
Câu 14. Nguồn điện được tạo ra từ sự dịch chuyển của khối không khí là
A. điện gió. B. điện hạt nhân. C. điện mặt trời. D. nhiệt điện.
Câu 15. Vật liệu cơ khí có màu trắng bạc, có độ dẻo cao, khối lượng riêng nhỏ, tính dẫn điện và dẫn nhiệt cao,
chống ăn mòn tốt là
A. gang. B. hợp kim nhôm. C. hợp kim đồng. D. thép.
Câu 16. Đặc trưng của cuộc cách mạng công nghiệp lần thứ nhất là
A. công nghệ số và trí tuệ nhân tạo. B. động cơ hơi nước và cơ giới hóa.
C. năng lượng điện và sản xuất hàng loạt. D. công nghệ thông tin và tự động hóa.
Câu 17. Hình bên là sơ đồ mạch ứng dụng của khuếch đại thuật toán. Nếu biết giá trị các điện trở R
1
, R
2
và
điện áp vào U
vào
thì giá trị điện áp ra U
ra
được tính theo công thức
A. U
ra
= (R
2
/R
1
)U
vào
. B. U
ra
= (1 + R
2
/R
1
)U
vào
.
C. U
ra
= - (1 + R
2
/R
1
)U
vào
. D. U
ra
= - (R
2
/R
1
)U
vào
.
Câu 18. Tín hiệu âm thanh sau khi đi qua microphone sẽ được biến đổi thành
A. tín hiệu âm thanh liên tục. B. tín hiệu âm thanh rời rạc.
C. tín hiệu điện rời rạc. D. tín hiệu điện liên tục.
Câu 19. Trong bo mạch lập trình vi điều khiển, nơi lưu trữ và thực thi các chương trình phần mềm được nạp
từ máy tính vào bo mạch là
A. khối tín hiệu vào/ra. B. khối dao động. C. vi điều khiển. D. khối truyền thông.
Câu 20. Gia đình An dự định lắp bình nước nóng có công suất 2500 W. Nhà tư vấn khuyên cần phải dùng
aptomat để đóng – cắt và bảo vệ và nên chọn loại có dòng điện định mức lớn hơn ít nhất 1,2 lần dòng điện của
mạch điện cung cấp cho bình nóng lạnh. An nên chọn aptomat có dòng điện định mức là
A. 25 A. B. 10 A. C. 16 A. D. 20 A.

Mã đề 0601 Trang 3/4
Câu 21. Đường dây truyền tải, phân phối điện thuộc lưới điện quốc gia, có cấp điện áp 35 kV là đường dây
A. trung áp. B. siêu cao áp. C. cao áp. D. hạ áp.
Câu 22. Cuộn cảm có bốn vạch màu lần lượt là: Nâu – đen – cam – nhũ bạc có giá trị điện cảm là
A. 10 mH ± 5%. B. 10 mH ± 10%. C. 10 μH ± 5%. D. 10 μH ± 10%.
Câu 23. Một vật thể có hình chiếu đứng và hình chiếu bằng như hình bên. Trong các hình dưới
đây, hình nào là hình chiếu trục đo của vật thể đó?
A. . B. . C. . D. .
Câu 24. Trong hệ thống cơ khí động lực, bộ phận cung cấp năng lượng cho hệ thống hoạt động là
A. máy công tác. B. hệ thống làm mát. C. hệ thống truyền lực. D. nguồn động lực.
PHẦN II. Thí sinh trả lời từ câu 1 đến câu 4. Trong mỗi ý a), b), c), d) ở mỗi câu, thí sinh chọn đúng
hoặc sai.
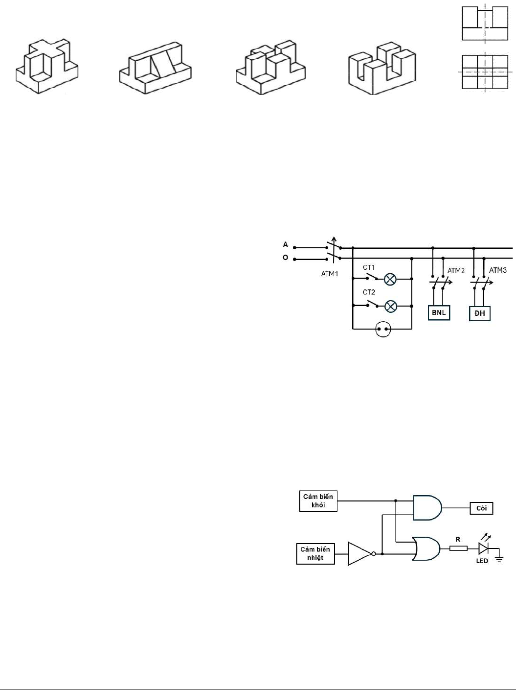
Câu 1. Gia đình Nam đang xây nhà. Bố Nam đưa cho Nam xem sơ đồ mạch điện dự kiến lắp đặt cho phòng
của Nam như hình bên. Các đồ dùng điện gồm hai bóng đèn có thông số 25 W – 220 V, điều hòa nhiệt độ
(ĐH) là loại 18000 BTU – 1790 W – 220V, cos = 0,8; bình nóng lạnh (BNL) loại 20 lít – 2500 W – 220V
và một số đồ dùng điện khác được lấy điện từ ổ cắm. Bố
Nam yêu cầu Nam tính toán lựa chọn aptomat và dây dẫn
cho mạch điện biết hệ số an toàn khi chọn aptomat cho
tải không có động cơ là 1,2 và tải có động cơ là 2,5; dây
dẫn là dây đồng có mật độ dòng điện cho phép là J = 6
A/mm
2
. Sau khi tìm hiểu, Nam đưa ra các ý kiến trao đổi
với bố như sau:
a) Sơ đồ mạch điện bố đưa cho Nam là sơ đồ nguyên lí.
b) Các công tắc CT2 và CT1 là hai công tắc 3 cực.
c) Chọn aptomat cho bình nước nóng có dòng điện định mức
13,64 A.
d) Chọn dây dẫn cấp điện cho điều hòa có tiết diện nhỏ nhất là S = 2 mm
2
.
Câu 2. Một người đưa ra ý tưởng thiết kế hệ thống cảnh báo cháy sử dụng các cổng logic cơ bản như hình
bên. Cảm biến khói và cảm biến nhiệt sử dụng trong thiết kế là loại có đầu ra dữ liệu tín hiệu số. Trong đó,
cảm biến khói có đầu ra ở mức cao (mức 1) khi có tín hiệu
khói, cảm biến nhiệt có đầu ra ở mức thấp (mức 0) khi có
tín hiệu nhiệt độ cao. Hệ thống sử dụng còi và đèn LED để
phát tín hiệu cảnh báo khi có tín hiệu khói, nhiệt hoặc cả hai
tín hiệu. Điện trở R được sử dụng để hạn dòng cho LED.
a) Mạch điện sử dụng các cổng logic gồm một cổng NOT, một cổng AND và một cổng OR.
b) Cổng NOT được sử dụng để đảo ngược trạng thái đầu ra của cảm biến nhiệt.
c) Sau khi được lắp ráp và cấp nguồn cho mạch, khi chỉ có tín hiệu nhiệt hoặc tín hiệu khói thì cả còi và đèn
LED đều hoạt động (còi kêu, đèn LED sáng).
d) Có thể sử dụng IC 74LS32 để lắp ở vị trí cổng OR trong mạch báo cháy này.
Đề thi thử tốt nghiệp môn Công nghệ Công nghiệp lần 2 Sở Thái Nguyên
Đề thi thử tốt nghiệp THPT Quốc gia 2025 môn Công nghệ Công nghiệp lần 2 Sở GD&ĐT Thái Nguyên có đáp án là tài liệu hữu ích giúp bạn đọc có thêm tài liệu ôn thi kì Thi THPT Quốc gia sắp tới nhé. Bài viết được tổng hợp gồm có 24 mã đề thi. Đề thi được biên soạn theo cấu trúc đề thi mới. Mỗi đề thi gồm có 24 câu hỏi trắc nghiệm nhiều phương án lựa chọn, 4 câu hỏi trắc nghiệm đúng sai. Thí sinh làm bài trong thời gian 50 phút. Đề có đáp án chi tiết kèm theo. Mời các bạn cùng theo dõi bài viết dưới đây.