Đề thi thử tốt nghiệp THPT 2025 môn Công nghệ công nghiệp bám sát đề minh họa - Đề 5
Đề thi thử bám sát đề minh họa 2025 môn Công nghệ công nghiệp - Đề 5
Đề thi thử tốt nghiệp THPT Quốc gia 2025 môn Công nghệ công nghiệp bám sát đề minh họa - Đề 5 có đáp án là tài liệu hữu ích giúp bạn đọc có thể trau dồi, luyện tập nội dung kiến thức để chuẩn bị thật tốt cho kì thi THPT Quốc gia nhé. Bài viết được tổng hợp gồm có 24 câu hỏi trắc nghiệm, 4 câu hỏi đúng sai. Thí sinh làm bài trong thời gian 50 phút. Đề có đáp án kèm theo. Mời các bạn cùng theo dõi bài viết dưới đây.
1. Đề thi thử tốt nghiệp môn Công nghệ
PHẦN I. Thí sinh trả lời từ câu 1 đến câu 24. Mỗi câu hỏi thí sinh chỉ chọn một phương án.
Câu 1: Kĩ thuật điện là gì?
A. Kĩ thuật điện là một lĩnh vực kĩ thuật liên quan đến nghiên cứu và ứng dụng công nghệ hóa học vào sản xuất, truyền tải, phân phối và sử dụng điện năng
B. Kĩ thuật điện là một lĩnh vực kĩ thuật liên quan đến nghiên cứu và ứng dụng công nghệ sinh học vào sản xuất, truyền tải, phân phối và sử dụng điện năng
C. Kĩ thuật điện là một lĩnh vực kĩ thuật liên quan đến nghiên cứu và ứng dụng công nghệ điện, điện từ,... vào sản xuất, truyền tải, phân phối và sử dụng điện năng
D. Kĩ thuật điện là một lĩnh vực kĩ thuật liên quan đến nghiên cứu và ứng dụng công nghệ thông tin vào sản xuất, truyền tải, phân phối và sử dụng điện năng
Câu 2: Bước 1 của vẽ hình chiếu là:
A. Phân tích vật thể thành các hình đơn giản và chọn các hướng chiếu.
B. Vẽ ba hình chiếu của hình hộp chữ nhật bao ngoài vật thể bằng nét liền mảnh.
C. Vẽ các bộ phận của vật thể bằng nét liền mảnh.
D. Hoàn thiện các nét vẽ theo đúng tiêu chuẩn. Ghi kích thước của bản vẽ.
Câu 3: “Kéo dây điện trong khu dân cư, các công tơ điện cho từng hộ gia đình” là ví dụ về công việc nào trong lắp đặt điện?
A. Lắp đặt máy phát điện, thiết bị đóng cắt và bảo vệ trong các nhà máy điện
B. Lắp đặt điện dân dụng phục vụ đời sống
C. Lắp đặt hệ thống cung cấp điện cho nhà máy, xí nghiệp
D. Lắp đặt máy biến áp trong các trạm biến áp
Câu 4: Quan sát sơ đồ một hệ thống điện quốc gia, lưới truyền tải có cấp điện áp

A. 220kV.
B. 110kV.
C. 22kV.
D. 0,4kV.
Câu 5: Đâu không phải nhược điểm của phương pháp sản xuất điện mặt trời?
A. Chi phí ban đầu cao.
B. Công suất điện thấp.
C. Nguy cơ ô nhiễm môi trường từ các tấm pin phế thải.
D. Tạo ra tiếng ồn lớn.
Câu 6: Tần số điện lưới dùng trong sinh hoạt là bao nhiêu?
A. 50 Hz.
B. 220 Hz.
C. 100 Hz.
D. 75 Hz.
Câu 7: Sơ đồ lắp đặt cho biết:
A. Vị trí và cách lắp đặt từng phần tử của hệ thống trong thực tế
B. Cách hoạt động từng phần tử của hệ thống điện trong gia đình
C. Mối quan hệ điện của các phần tử trong hệ thống điện
D. Tổng điện năng tiêu thụ của các thiết bị trong hệ thống điện
Câu 8: Ngoài chức năng đóng, cắt và bảo vệ quá tải, ngắn mạch, aptomat còn có thêm chức năng gì?
A. Phát tín hiệu báo động khi có dấu hiệu mất an toàn điện
B. Sửa chữa thiết bị khi quá tải, ngắn mạch
C. Bảo vệ chống giật điện cho người sử dụng
D. Điều chỉnh cường độ dòng điện khi mạch quá tải
Câu 9: Cách tiết kiệm điện khi sử dụng nồi cơm điện là:
A. Dùng chung ổ cắm với các thiết bị đun nấu khác để thuận tiện kiểm soát
B. Không nấu cơm quá sớm, chỉ nấu cơm trước khi ăn khoảng 30 đến 45 phút để hạn chế thời gian hâm nóng
C. Chọn nồi cơm có dung tích lớn để cơm mau chín hơn
D. Luôn để nồi cơm trong chế độ hâm nóng, chỉ rút phích điện khi bắt đầu ăn
Câu 10: Máy móc, hệ thống nào dưới đây không sử dụng kĩ thuật điện tử.
A. Máy CNC.
B. Hệ thống giám sát sản xuất từ xa.
C. Máy in 3D.
D. Hệ thống phần mềm quản lí thông tin.
Câu 11: Người có kiến thức về kĩ thuật điện tử và hệ thống điện tử, am hiểu quy trình, quy chuẩn kĩ thuật trong sản xuất, chế tạo thiết bị điện tử phù hợp với nhóm nghề nào trong lĩnh vực kĩ thuật điện tử?
A. Thiết kế thiết bị điện tử
B. Sản xuất, chế tạo thiết bị điện tử
C. Lắp đặt thiết bị điện tử
D. Vận hành thiết bị điện tử
Câu 12: Trong các kí hiệu sau, kí hiệu nào là của cuộn cảm lõi không khí?
A. ![]()
B. ![]()
C. ![]()
D. ![]()
Câu 13: Transistor có mấy cực và gồm những cực nào?
A. 2 cực: A và K.
B. 2 cực: B và C.
C. 3 cực: B, C và E.
D. 3 cực: A, B và C.
Câu 14: Hệ số khuếch đại của mạch khuếch đại đảo phụ thuộc vào:
A. Chu kì và tần số của tín hiệu đưa vào.
B. Độ lớn của điện áp vào.
C. Trị số của các điện trở R1 và R2
D. Độ lớn của điện áp ra.
Câu 15: Trong mạch dưới đây có sử dụng các cổng logic cơ bản nào?

A. Cổng NOR, NOT
B. Cổng NOR, NOT, OR, NAND
C. Cổng OR, AND
D. Cổng NOR, NOT, OR, AND
Câu 16: Máy công tác có vai trò gì trong hệ thống cơ khí động lực?
A. sinh ra công suất và mômen kéo máy công tác
B. là bộ phận trung gian thực hiện truyền và biến đối số vòng quay, mômen từ nguồn động lực đến máy công tác
C. là bộ phận nhận năng lượng từ nguồn động lực thông qua hệ thống truyền động để thực hiện nhiệm vụ của hệ thống cơ khí động lực.
D. là phương tiện giao thông đường bộ phổ biến nhất trong các phương tiện giao thông vận tải
Câu 17: Nhận định nào sau đây là đúng?
A. Động cơ đốt trong đặt ở trong buồng lái dễ dàng cho việc chăm sóc, bảo dưỡng động cơ
B. Động cơ đốt trong đặt ở trong buồng lái giúp tiếng ồn động cơ không ảnh hưởng tới lái xe
C. Động cơ đốt trong đặt ở trong buồng lái nhiệt thải động cơ không ảnh hưởng tới lái xe
D. Động cơ đốt trong đặt ở trong buồng lái giúp lái xe quan sát mặt đường dễ
Câu 18: Nhận định nào dưới đây là sai?
A. Nhờ sử dụng các công nghệ tiên tiến như công nghệ CNC, công nghệ in 3D đã giúp giảm được các chi phí thời gian nhưng chất lượng sản phẩm lại tăng lên.
B. Các khâu đóng gói, vận chuyển, tháo dỡ, kiểm đếm vật liệu, sản phẩm tại phân xưởng sản xuất và trong khi chưa điều hành bởi công nghệ quản lí hiện đại, tự động hóa giúp giảm chi phí sức lao động con người và đảm bảo vận hành quá trình sản xuất hợp lí, tiết kiệm, hiệu quả.
C. Thông qua nền tảng Internet, giữa các bộ phận sản xuất thiết lập được một mạng lưới giao tiếp trực tuyến.
D. Nhờ sử dụng các công nghệ tiên tiến như công nghệ CNC, công nghệ in 3D đã giúp giảm được các chi phí thời gian nhưng chất lượng sản phẩm lại giảm đi
Câu 19: Phát biểu nào sau đây là đúng?
A. Độ cứng, tính dẻo, tính bền thuộc tính hóa học của vật liệu cơ khí
B. Tính dẫn điện, tính dẫn nhiệt thuộc tính hóa học của vật liệu cơ khí
C. Tính chịu mòn hóa học từ môi trường thuộc tính hóa học của vật liệu cơ khí
D. Tính dẻo, tính dẫn điện, tính dẫn nhiệt thuộc tính hóa học của vật liệu cơ khí
Câu 20: Câu nào sau đây không đúng về bản vẽ nhà sau?

A. Số phòng là 3.
B. Chức năng của phòng khách là để tiếp khách
C. Bếp ăn có chiều dài là 7000, chiều rộng là 3000.
D. Phòng vệ sinh có bồn cầu và bồn rửa.
Câu 21: Đâu là thời điểm tác giả có thể đăng kí bản quyền sáng chế?
A. Khi lập hồ sơ kĩ thuật
B. Sau khi kiểm chứng giải pháp
C. Sau khi xây dựng nguyên mẫu
D. Tất cả các đáp án trên.
Câu 22: Số 1 trong hình là gì?

A. Đỉnh ren
B. Chân ren
C. Giới hạn ren
D. Vòng chân ren
Câu 23: Theo độ rộng dữ liệu mà vi điều khiển có thể xử lí tính theo đơn vị bit, có loại vi điều khiển nào sau đây?
A. Vi điều khiển họ 8051, họ 8 bit
. Vi điều khiển họ PIC, họ 16 bit
C. Vi điều khiển họ 8bit, họ 16 bit
D. Vi điều khiển họ 8051, họ PIC
Câu 24: Trong lập trình Arduino, lệnh if (button == HIGH) {digitalWrite(led,HIGH);}có nghĩa
A. Kiểm tra nút nhấn có được nhấn, nếu nhấn nút thì thực hiện lệnh cho đèn sáng (mức HIGH)
B. Kiểm tra ngõ vào analog có đọc dữ liệu
C. Kiểm tra nếu nhấn nút thì cho đèn ở mức thấp
D. Không kiểm tra điều kiện gì cả
PHẦN II. Thi sinh trả lời từ câu 1 đến câu 4. Trong mỗi ý a), b), c), d) ở mỗi câu, thi sinh chọn đúng hoặc sai.
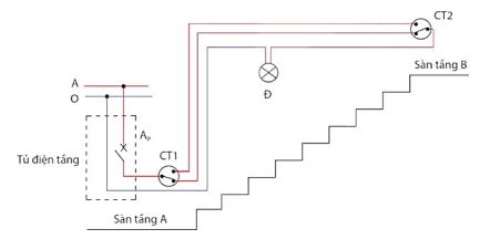
Câu 1: Hình dưới đây là một sơ đồ lắp đặt mạch điều khiển đèn cầu thang. Từ sơ đồ cho thấy:

a) Aptomat ở tủ điện tầng là loại aptomat 2 cực
b) CT1 và CT2 là công tắc 3 cực đặt ở vị trí cần bật và tắt đèn.
c) Nguồn nối sao có dây trung tính.
d) Đèn Đ được bật tắt từ hai vị trí CT1 và CT2
Câu 2: Một chân đầu ra của bo mạch lập trình vi điều khiển (điện áp mức cao là 5 V và mức thấp là 0 V dòng điện 10 mA) được nối với anode của LED (có điện áp định mức là 2,2 V và dòng điện 10 mA), cathode của LED được nối qua một điện trở (giá trị 280Ω) về GND. Để LED sáng trong trường hợp này, tín hiệu đầu ra của bo mạch vi điều khiển phải ở mức logic cao (5V).
a) Điện áp định mức của LED là 2,2V, nghĩa là LED cần 2,2V để hoạt động bình thường và phát sáng với độ sáng tối đa.
b) Điện áp đầu ra của bo mạch vi điều khiển có thể ở hai mức: cao (5V) hoặc thấp (0V).
c) Khi tín hiệu đầu ra ở mức logic thấp (0V), dòng điện sẽ chảy từ bo mạch vi điều khiển qua LED và điện trở xuống GND.
d) Do dòng điện qua điện trở (10mA) bằng dòng điện qua LED (10mA), LED sẽ sáng với độ sáng tối đa.
Câu 3: Flipflop D là một phần tử nhớ có thể được sử dụng trong mạch đếm. Flip–flop D có hai đầu vào, bao gồm đầu vào dữ liệu D và đầu vào xung nhịp CLK, hai đầu ra Q và
\(\overline{Q}\) như hình bên. Trong đó, đầu ra Q thay đổi trạng thái theo D chỉ khi CLK chuyển từ 0 sang 1, cụ thể như sau:

a) D = 0, xung CLK chuyển từ 0 sang 1: Q = 0.
b) D = 1, xung CLK chuyển từ 0 sang 1: Q = 0.
c) D = 0, xung CLK chuyển từ 1 sang 0: Q giữ nguyên trạng thái.
d) D = 1, xung CLK chuyển từ 1 sang 0: Q thay đổi trạng thái.
Câu 4: Nhãn trên vỏ một động cơ DK-42-4. có ghi: 2,8 kW; Δ/Y0 - 220/380V - 10,5/6,1A; 1420 vòng/phút; η% = 0,84; cosϕ= 0,85; 50 Hz. Hãy giải thích các số liệu ghi trên nhãn.
a) Động cơ chỉ sử dụng điện lưới có điện áp dây là 220 V.
b) Các pha của động cơ phải nối hình tam giác; dòng điện dây Id = 17,85 A và dòng điện pha Ip = 10,5 A.
c) Với kí hiệu Y/Δ – 380/220V thì các pha (cuộn dây) của động cơ chỉ được nối hình sao khi điện lưới có điện áp dây là 220V.
d) Hiệu suất của động cơ 84%.
2. Đáp án đề thi thử tốt nghiệp môn Công nghệ
PHẦN I: Câu trắc nghiệm nhiều phương án lựa chọn. Thí sinh trả lời từ câu 1 đến câu 24. Mỗi câu hỏi thí sinh chỉ chọn một phương án. (Mỗi câu trả lời đúng thí sinh được 0,25 điểm).
|
Câu |
1 |
2 |
3 |
4 |
5 |
6 |
7 |
8 |
9 |
10 |
|
Chọn |
C |
A |
B |
A |
D |
A |
A |
C |
B |
D |
|
Câu |
11 |
12 |
13 |
14 |
15 |
16 |
17 |
18 |
19 |
20 |
|
Chọn |
B |
A |
C |
C |
C |
C |
D |
D |
C |
C |
|
Câu |
21 |
22 |
23 |
24 |
|
|
|
|
|
|
|
Chọn |
A |
C |
C |
A |
|
|
|
|
|
PHẦN II: Câu trắc nghiệm đúng sai. Thí sinh trả lời từ câu 1 đến câu 4.
Trong mỗi ý a, b, c, d ở mỗi câu, thí sinh chọn đúng hoặc sai.
Điểm tối đa của 01 câu hỏi là 1 điểm.
- Thí sinh chỉ lựa chọn chính xác 01 ý trong 1 câu hỏi được 0,1 điểm.
- Thí sinh chỉ lựa chọn chính xác 02 ý trong 1 câu hỏi được 0,25 điểm.
- Thí sinh chỉ lựa chọn chính xác 03 ý trong 1 câu hỏi được 0,50 điểm.
- Thí sinh chỉ lựa chọn chính xác 04 ý trong 1 câu hỏi được 1 điểm.
|
Câu |
1 |
2 |
3 |
4 |
|
Đáp án |
a) Sai b) Đúng c) Đúng d) Đúng |
a) Đúng b) Đúng c) Sai d) Đúng |
a) Đúng b) Sai c) Đúng d) Sai |
a) Sai b) Đúng c) Saia d) Đúng |