Đề thi thử tốt nghiệp THPT 2025 môn Công nghệ công nghiệp bám sát đề minh họa - Đề 15
Đề thi thử bám sát đề minh họa 2025 môn Công nghệ công nghiệp - Đề 15
VnDoc.com xin gửi tới bạn đọc bài viết Đề thi thử tốt nghiệp THPT Quốc gia 2025 môn Công nghệ công nghiệp bám sát đề minh họa - Đề 15 có đáp án để bạn đọc cùng tham khảo nhé. Bài viết được tổng hợp gồm có 24 câu hỏi trắc nghiệm, 4 câu hỏi đúng sai. Thí sinh làm bài trong thời gian 50 phút. Đề có đáp án kèm theo. Mời các bạn cùng theo dõi bài viết dưới đây để có thêm tài liệu ôn thi kì thi THPT Quốc gia nhé.
1. Đề thi thử tốt nghiệp môn Công nghệ
PHẦN I. Câu trắc nghiệm nhiều phương án lựa chọn. Thí sinh trả lời từ câu 1 đến câu 24. Mỗi câu hỏi thí sinh chỉ chọn một phương án.
Câu 1. Kĩ thuật là
A. hệ thống tri thức về bản chất, quy luật tồn tại và phát triển của sự vật, hiện tượng tự nhiên, xã hội và tư duy.
B. ứng dụng các nguyên lí khoa học vào việc thiết kế, chế tạo, vận hành các máy móc, thiết bị, công trình, quy trình và hệ thống một cách hiệu quả và kinh tế nhất.
C. các giải pháp để ứng dụng các phát minh khoa học vào mục đích thực tế, đặc biệt trong công nghiệp.
D. các giải pháp tri thức về bản chất, quy luật tồn tại và phát triển của sự vật, hiện tượng tự nhiên, xã hội và tư duy.
Câu 2. Công nghệ trí tuệ nhân tạo
A. tạo ra các vật liệu mới từ các hạt có kích thước rất nhỏ.
B. tạo ra các phần mềm tự học cho máy tính, cho phép máy tính có thể tiếp nhận được thông tin từ bên ngoài, xử lí thông tin và đưa ra các quyết định điều khiển.
C. tạo cho robot khả năng tư duy như con người.
D. tạo ra sản phẩm bằng cách bồi đắp từng lớp một tương ứng với từng mặt cắt của sản phẩm.
Câu 3. Cho vật thể như hình vẽ, hình vẽ nào là hình cắt của vật?

A. H1
B. H2
C. H3
D. H4
Câu 4. Hình vẽ nào là mặt cắt của vật thể?


Câu 5. Hệ thống cơ khí động lực mà trong đó máy công tác là cánh quạt để hoạt động trên mặt nước là
A. ô tô
B. xe chuyên dụng
C. tàu thủy
D. máy bay
Câu 6. Nghề nghiệp của những người thực hiện công việc xây dựng các bản vẽ, tính toán, mô phỏng, ... các sản phẩm máy móc, thiết bị thuộc lĩnh vực cơ khí động lực là
A. thiết kế kĩ thuật cơ khí động lực
B. chế tạo máy thiết bị cơ khí động lực
C. lắp ráp máy, thiết bị cơ khí động lực
D. bảo dưỡng, sửa chữa máy, thiết bị cơ khí động lực
Câu 7. Xe ô tô có thể đi lùi khi nào?
A. Đảo chiều quay của trục sơ cấp trên hộp số.
B. Đảo chiều quay của trục thứ cấp trên hộp số.
C. Đảo chiều quay của trục trung gian trên hộp số.
D. Xe ô tô không thể đi lùi.
Câu 8. Khi xe ôtô chuyển động trên đường vòng nhờ bộ phận nào mà bánh xe không trượt trên đường?
A. Bộ vi sai
B. Hộp số
C. Truyền lực các đăng
D. Li hợp
Câu 9. Sản xuất điện năng là quá trình chuyển đổi
A. các dạng năng lượng thành năng lượng nhiệt
B. các dạng năng lượng thành năng lượng điện
C. năng lượng điện thành các dạng năng lượng khác
D. năng lượng nhiệt thành các dạng năng lượng khác
Câu 10. Ưu điểm của điện mặt trời
A. chi phí ban đầu thấp
B. không gây phát thải khí nhà kính
C. công suất phát điện cao, ổn định
D. không gây ô nhiễm môi trường
Câu 11. Hệ thống điện sinh hoạt trong gia đình bao gồm:
A. Nguồn điện, đường dây dẫn điện và thiết bị điện.
B. Máy phát điện, đường dây dẫn điện và thiết bị điện.
C. Nguồn điện, máy biến áp và thiết bị điện.
D. Máy biến áp, đường dây dẫn điện và thiết bị điện.
Câu 12. Trong mạng điện gia đình, thiết bị nào có chức năng chính là bảo vệ mạch điện khỏi tình trạng quá tải và ngắn mạch?
A. Công tơ điện
B. Ổ cắm điện
C. Công tắc điện
D. Aptomat
Câu 13. Sơ đồ mạch điện trong hình sau thể hiện có
A. 2 cầu dao, 2 aptomat, 2 bóng đèn
B. 2 cầu chì, 2 công tắc, 2 bóng đèn
C. 2 aptomat, 2 ổ cắm, 2 bóng đèn
D. 2 aptomat, 2 công tắc, 2 bóng đèn

Câu 14. Hãy xác định tiết diện của dây dẫn và dòng điện định mức của aptomat bảo vệ cho bếp từ có công suất 2000 W. Biết mật độ dòng J = 6A/mm2.
A. S = 1,51 mm2 ; Iđm = 18,2 A
B. S = 1,51 mm2 ; Iđm = 10,92 A
C. S = 1,9 mm2 ; Iđm = 18,2 A
D. S = 1,9 mm2 ; Iđm = 10,92
Câu 15. An toàn điện là những quy định, quy tắc và kĩ năng cần thiết được đặt ra nhằm đảm bảo an toàn cho người, thiết bị và hệ thống lưới điện trong
A. thiết kế, sử dụng, bảo dữơng và sửa chữa điện.
B. sử dụng, bảo dữơng và sửa chữa công trình xây dựng.
C. lắp đặt, bảo dữơng và sửa chữa máy móc sản xuất.
D. lắp đặt, bảo dữơng và sửa chữa phương tiện giao thông
Câu 16. Biện pháp nào không an toàn trong thiết kế, lắp đặt điện ?
A. Lựa chọn dây dẫn điện có thông số điện áp phù hợp với điện áp của hệ thống.
B. Nối đất, vỏ kim loại của thiết bị điện trong gia đình.
C. Thiết bị đóng cắt bảo vệ được lắp đặt ở vị trí dễ quan sát..
D. Chỉ cần lắp thiết bị chống sét cho các tòa nhà, công trình ở những nơi thưa vắng.
Câu 17. Lĩnh vực liên quan đến nghiên cứu và ứng dụng linh kiện điện tử, vi điều khiển, ... để tạo ra sản phẩm phục vụ sản xuất và đời sống là
A. kĩ thuật điện tử.
B. kĩ thuật điện.
C. cơ khí.
D. xây dựng.
Câu 18. Linh kiện dùng để biến đổi dòng điện xoay chiều thành dòng điện một chiều là:
A. Transistor lưỡng cực.
B. IC tương tự.
C. IC số.
D. Diode.
Câu 19. Trên thân điện trở có thứ tự các màu: xanh lục, xanh lam, đỏ, nhũ vàng. Trị số của điện trở là:
A. 56 x 102Ω ± 5%.
B. 65 x 102 Ω ± 5%.
C. 56 x 102 Ω ± 10%.
D. 65 x 103 Ω ± 5%.
Câu 20. Tín hiệu tương tự là
A. tín hiệu có biên độ biến đổi liên lục theo thời gian.
B. tín hiệu có biên độ biến đổi không liên lục theo thời gian.
C. tín hiệu có dòng điện biến đổi liên lục theo thời gian.
D. tín hiệu có dòng điện biến đổi không liên lục theo thời gian.
Câu 21. Tín hiệu điện áp do microphone tạo ra là tín hiệu
A. điện từ.
B. tương tự.
C. số.
D. tuần hoàn.
Câu 22. Vi điều khiển là
A. mạch tích hợp (IC) có thể lập trình
B. bảng mạch gồm các thiết bị điện, điện tử ghép lại
C. một phần tử nhớ có hai trạng thái cân bằng và ổn định
D. mạch được tạo thành từ các cổng logic cơ bản
Câu 23. Bảng chân lí bên mô tả liên hệ logic giữa các đầu vào- ra của cổng logic
|
X1 |
X2 |
F |
|
0 |
0 |
0 |
|
0 |
1 |
1 |
|
1 |
0 |
1 |
|
1 |
1 |
1 |
A. AND
B. OR
C. NOT
D. NAND
Câu 24. Mọi thao tác tính toán và điều khiển của vi điều khiển được thực hiện tại khối chức năng nào?
A. Khối đầu vào
B. Khối đầu ra
C. Bộ xử lí trung tâm (CPU)
D. Bộ nhớ
PHẦN II. Câu trắc nghiệm đúng sai. Thí sinh trả lời từ câu 1 đến câu 4. Trong mỗi ý a, b, c, d ở mỗi câu, thí sinh chọn đúng hoặc sai.
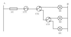
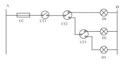
Câu 1. Nhà kho của một cửa hàng chuẩn bị được lắp đặt hệ thống chiếu sáng. Những người thợ lắp đặt đã vẽ sơ đồ mạch điện chiếu sáng luân phiên cho 3 khu vực của nhà kho (mỗi khu vực một bóng đèn) như hình bên. Người chủ cửa hàng trao đổi một ý kiến với các thợ lắp đặt như sau:

a) Nên sử dụng đèn LED để tiết kiệm và tăng tuổi thọ sử dụng.
b) Cần thay thế cầu chì bằng aptomat để tăng cường khả năng bảo vệ cho mạch điện.
c) Khi đèn Đ3 được thắp sáng thì đèn Đ1 và Đ2 tối.
d) Nếu phải chiếu sáng cho 5 khu vực khác nhau của nhà kho thì cần thêm tối thiểu 2 bóng đèn và 3 công tắc 3 cực.
Câu 2. Máy hút bụi có công suất 1600 W là loại máy phổ thông và phù hợp để sử dụng trong gia đình. Máy có thiết kế sáng tạo với nhiều đầu hút chức năng khác nhau có thể giúp làm sạch ở nhiều vị trí, bề mặt phức tạp. Một khách hàng đã trải nghiệm máy và cho biết trung bình máy có thể làm sạch bề mặt có diện tích 40 m2 trong vòng nửa tiếng. Sau đây là một số lời giới thiệu của nhà sản xuất từ kết quả trải nghiệm trên.
a) Để tiết kiệm điện và giữ cho máy bền lâu, nên hạn chế sử dụng vào khung giờ cao điểm.
b) Trung bình cần tiêu thụ lượng điện là 0,8 kWh để làm sạch bề mặt 40 m2 bằng máy này.
c) Nếu mỗi ngày sử dụng máy như trên 2 lần và cách một ngày sử dụng một lần thì mức tiêu thụ điện trung bình trong một tháng (khoảng 30 ngày) sẽ là 48 kWh.
d) Nếu mỗi ngày sử dụng máy 2 lần và giá điện là 3.500 đ mỗi kWh thì mỗi tháng (khoảng 30 ngày) sử dụng máy như trên sẽ tiêu tốn khoảng 168.000 đ.
Câu 3. Một nhóm học sinh được giao nhiệm vụ từ sơ đồ logic cho trước như hình dưới, hãy xác định cách viết hàm logic của các đầu ra theo các đầu vào. Nhóm HS đã trao đổi và đưa ra các nhận định như sau:

a) Để viết hàm logic từ sơ đồ logic đã cho nên thực hiện theo 3 bước lần lượt sau: Đặt các biến phụ vào mỗi mạch đầu ra của mỗi mạch logic; Viết phương trình cho các biến phụ; Thay thế các giá trị tương ứng để rút ra hàm logic cho sơ đồ đã cho.
b) Đặt các biến phụ y1, y2 như hình dưới ta có: y = y1 + y2
c) y1 = (x1 + x2), y2 = (x1.x2)
d) y = (x1 + x2) + x1 . x2
Câu 4. Một nhóm học sinh đang thảo luận về việc thiết kế mạch điện tử điều khiển bật tắt đèn theo cường độ sáng của môi trường xung quanh. Hai bạn trong nhóm đưa ra các ý kiến như sau:
a) Có thể sử dụng vi điều khiển thông qua bo mạch rduino để lập trình cho quang điện trở thực hiện điều khiển đèn.
b) Chỉ cần sử dụng mạch khuếch đại dùng trang Transistor kết hợp với quang trở cũng có thể thực hiện bật tắt đèn theo cường độ sáng.
c) Có thể sử dụng bo mạch Arduino nhưng không cần phải lập trình cho quang điện trở vẫn thực hiện điều khiển đèn.
d) Mạch hoạt động dựa trên nguyên lý so sánh điện áp thông qua thay đổi giá trị điện trở của quang trở ở cầu phân áp.
2. Đáp án đề thi thử tốt nghiệp môn Công nghệ
PHẦN I. CÂU HỎI TRẮC NGHIỆM NHIỀU PHƯƠNG ÁN LỰA CHỌN
|
Câu |
Đáp án |
Câu |
Đáp án |
|
1 |
B |
13 |
B |
|
2 |
B |
14 |
B |
|
3 |
C |
15 |
A |
|
4 |
A |
16 |
D |
|
5 |
C |
17 |
A |
|
6 |
A |
18 |
D |
|
7 |
B |
19 |
C |
|
8 |
A |
20 |
A |
|
9 |
B |
21 |
B |
|
10 |
B |
22 |
A |
|
11 |
D |
23 |
B |
|
12 |
D |
24 |
C |
PHẦN II. CÂU HỎI TRẮC NGHIỆM ĐÚNG – SAI
|
Câu |
Lệnh hỏi |
Đáp án (Đ – S) |
Câu |
Lệnh hỏi |
Đáp án (Đ – S) |
|
1 |
a) |
Đ |
2 |
a) |
Đ |
|
b) |
Đ |
b) |
Đ |
||
|
c) |
Đ |
c) |
S |
||
|
d) |
S |
d) |
S |
||
|
3 |
a) |
Đ |
4 |
a) |
Đ |
|
b) |
Đ |
b) |
Đ |
||
|
c) |
S |
c) |
S |
||
|
d) |
Đ |
d) |
S |