Đề thi học sinh giỏi môn Vật lý lớp 9 trường Xuân Dương năm 2014 - 2015
Đề thi học sinh giỏi môn Vật lý lớp 9 trường Xuân Dương
Đề thi học sinh giỏi lớp 9 THCS Xuân Dương năm học 2014 - 2015 môn Vật Lý là đề thi chọn học sinh giỏi cấp trường môn Vật Lý lớp 9, có đáp án đi kèm. Hi vọng tài liệu này giúp các bạn ôn thi học sinh giỏi đạt kết quả tốt, luyện thi vào lớp 10 các trường THPT chuyên hiệu quả.
Đề thi học sinh giỏi lớp 9 môn Lịch sử trường Xuân Dương năm 2014 - 2015
Đề thi học sinh giỏi môn Hóa học lớp 9 trường Xuân Dương năm 2014 - 2015
|
PHÒNG GIÁO DỤC VÀ ĐÀO TẠO THANH OAI TRƯỜNG THCS XUÂN DƯƠNG |
ĐỀ THI HSG VẬT LÝ 9 Năm học: 2014 - 2015 (Thời gian làm bài 150 phút, không kể thời gian giao đề) |
Câu 1: (5,0 điểm)
Hai xe máy đồng thời xuất phát, chuyển động đều đi lại gặp nhau, xe 1 đi từ thành phố A đến thành phố B và xe 2 đi từ thành phố B đến thành phố A. Sau khi gặp nhau tại C cách A 30km, hai xe tiếp tục hành trình của mình với vận tốc cũ. Khi đã tới nơi quy định (xe 1 tới B, xe 2 tới A), cả hai xe đều quay ngay trở về và gặp nhau lần thứ hai tại D cách B một đoạn 36 km. Coi quãng đường AB là thẳng, vận tốc của hai xe không thay đổi trong quá trình chuyển động. Tìm khoảng cách AB và tỉ số vận tốc của hai xe.
Câu 2: (6,0 điểm)
Cho mạch điện như hình vẽ.

Nếu A, B là hai cực của nguồn UAB= 100V
thì UCD= 40V, khi đó I= 1A.
Ngược lại nếu C, D là hai cực của nguồn điện
UCD= 60V thì khi đó UAB= 15V.
Tính: R1, R2, R3.
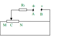
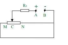
Câu 3: (6,0 điểm)
Cho mạch điện có sơ đồ như hình vẽ. Biến trở MN đồng chất, tiết diện đều, có điện trở R =16Ω, có chiều dài L. Con chạy C chia biến trở MN thành 2 phần, đoạn MC có chiều dài a, đặt x = a/L . Biết R1= 2Ω, hiệu điện thế UAB = 12V không đổi, điện trở của các dây nối là không đáng kể.

a) Tìm biểu thức cường độ dòng điện I chạy qua R1 theo x.
Với các giá trị nào của x thì I đạt giá trị lớn nhất, nhỏ nhất. Tìm các giá trị đó?
b) Tìm biểu thức công suất toả nhiệt P trên biến trở MN theo x. Với giá trị nào của x thì P đạt giá trị lớn nhất?
Câu 4: (3,0 điểm)
Cho mạch điện có sơ đồ như hình vẽ. Biết R1= 2R2, ampe kế chỉ 0,5A, vôn kế chỉ 3V, am pe kế và các dây nối có điện trở không đáng kể, vôn kế có điện trở vô cùng lớn.

Hãy tính:
a) Điện trở R1 và R2.
b) Hiệu điện thế giữa hai điểm A,B và hai đầu điện trở R1
Đáp án đề thi học sinh giỏi môn Vật lý lớp 9
Câu 1: (5,0 điểm)
Gọi v1 là vận tốc của xe xuất phát từ A, v2 là vận tốc của xe xuất phát từ B, t1 là khoảng thời gian từ lúc xuất phát đến lúc gặp nhau lần 1, t2 là khoảng thời gian từ lúc gặp nhau lần 1đến lúc gặp nhau lần 2 và đặt x = AB. (1,5đ)

Câu 2: (6,0 điểm)
Trường hợp 1: R// ( R2 nt R3)
U1 = U2+ U3→ U2= U1 - U3 = 100 - 40 = 60(V) (1,0đ )
I2= I3 = 1A (1,0đ )
R2= U2/ I2= 60(Ω) (1,0đ )
R3= U3/ I3 = 40(Ω). (1,0đ )


Câu 4: (3,0 điểm)
Vì R1 nt R2 nên IA = I = I1 = I2 (0,5đ)
Điện trở R2 = Uv/ I = 60Ω (0,5đ)
Điện trở R1 = 2R2 = 2.6= 12Ω (0,5đ)
UAB= I(R1+R2) = 9v (0,75đ)
U1=I1R1= 0,5.12= 6v (0,75đ)