Công nghệ 9 Cánh diều Bài 4: Thiết kế mạng điện trong nhà
Công nghệ 9 Cánh diều Bài 4: Thiết kế mạng điện trong nhà hướng dẫn trả lời các câu hỏi trong SGK Công nghệ 9 Cánh diều, giúp các em học sinh nắm chắc bài học, luyện giải Công nghệ 9 hiệu quả.
Giải Công nghệ 9 Cánh diều bài 4
Khởi động 1 trang 21 Công nghệ 9:
Thiết kế mạng điện trong nhà là công việc được làm trước hay sau quá trình lắp đặt mạng điện trong nhà?
Trả lời:
Thiết kế mạng điện trong nhà là công việc được làm trước quá trình lắp đặt mạng điện trong nhà.
Khởi động 2 trang 21 Công nghệ 9:
Hệ thống chiếu sáng trong lớp học của em gồm những thiết bị nào, được bố trí như thế nào?
Trả lời:
Hệ thống chiếu sáng trong một lớp học thường bao gồm các thiết bị sau và được bố trí như sau:
|
Thiết bị |
Cách bố trí |
|
Đèn trần |
Thường được bố trí trên trần phòng học để phân phối ánh sáng đều và hiệu quả. |
|
Bóng đèn dự phòng |
Được bố trí dọc theo các tường hoặc góc phòng |
|
Công tắc ánh sáng |
Được bố trí ở một vị trí thuận tiện trên tường hoặc bên ngoài cửa |
|
Bóng đèn hành lang |
Được bố trí khu vực hành lang |
|
Đèn thoát hiểm |
Được bố trí ở các điểm thoát hiểm hoặc gần cửa ra |
Khám phá trang 21 Công nghệ 9:
Chọn những thiết bị và đồ dùng điện có thông số kĩ thuật phù hợp với mạng điện trong nhà ở Việt Nam.
- Bóng đèn 12 V - 20 W.
- Quạt điện 220 V - 50 W.
- Nồi cơm điện 110 V - 600 W.
- Công tắc 16 A - 250 V.
Trả lời:
Những thiết bị và đồ dùng điện có thông số kĩ thuật phù hợp với mạng điện trong nhà ở Việt Nam đó là:
- Quạt điện 220V - 50W.
- Công tắc 16A - 250V.
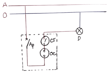
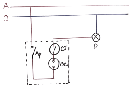
Khám phá trang 23 Công nghệ 9:
Kể tên các phần tử điện trong hai mạch nhánh ở sơ đồ Hình 4.1.

Trả lời:
Các phần tử điện trong hai mạch nhánh ở sơ đồ Hình 4.1 là:
- Aptomat
- Công tắc
- Bóng đèn
- Ổ cắm điện
Luyện tập trang 23 Công nghệ 9: Sơ đồ mạng điện ở Hình 4.1 là sơ đồ nguyên lí hay sơ đồ lắp đặt.

Trả lời:
Sơ đồ mạng điện ở Hình 4.1 là sơ đồ lắp đặt.
Thực hành trang 26 Công nghệ 9: Hãy thiết kế sơ đồ lắp đặt của một mạng điện đơn giản gồm một aptomat, một ổ cắm và một công tắc điều khiển một đèn.
Trả lời:

Luyện tập 1 trang 26 Công nghệ 9:
Phân biệt sơ đồ nguyên lí và sơ đồ lắp đặt mạng điện.
Trả lời:
Phân biệt sơ đồ nguyên lí và sơ đồ lắp đặt mạng điện:
|
|
Sơ đồ nguyên lí |
Sơ đồ lắp đặt |
|
Nội dung |
Thể hiện mối liên hệ điện của các phần tử trong mạng điện như thiết bị điện, đổ dùng điện mà không thể hiện vị trí lắp đặt của chúng trong thực tế. |
Thể hiện vị trí cụ thể của các phần tử trong mạng điện |
|
Công dụng |
Giúp thấy được các phần tử của mạng điện một cách rõ ràng nhất và dùng đề nghiên cứu nguyên lí làm việc của mạng điện. |
Dùng để dự trù số lượng thiết bị, đồ dùng, vật liệu điện, cách lắp đặt và sửa chữa mạng điện |
Luyện tập 2 trang 26 Công nghệ 9:
Tóm tắt các bước thiết kế sơ đồ nguyên lí và sơ đồ lắp đặt mạng điện.
Trả lời:
Tóm tắt các bước thiết kế sơ đồ nguyên lí và sơ đồ lắp đặt mạng điện:
|
Các bước thiết kế |
Sơ đồ nguyên lí |
Sơ đồ lắp đặt |
|
Bước 1 |
Xác định nhiệm vụ thiết kế. |
Nghiên cứu sơ đồ nguyên lí. |
|
Bước 2 |
Xác định thiết bị, đồ dùng điện và mối liên hệ về điện giữa chúng. |
Xác định vị trí lắp đặt các thiết bị, đồ dùng điện.
|
|
Bước 3 |
Vẽ sơ đồ nguyên lí. |
Vẽ sơ đồ lắp đặt. |
Vận dụng trang 26 Công nghệ 9:
Quan sát vị trí lắp đặt các thiết bị điện, đồ dùng điện trong gia đình và nhận xét về vị trí lắp đặt của chúng.
Trả lời:
Nhận xét về vị trí lắp đặt của các thiết bị điện và đồ dùng điện trong gia đình em:
- Các thiết bị, đồ dùng điện trong gia đình em được bố trí thể hiện sự tiện lợi, an toàn và thẩm mỹ.
- Các thiết bị, đồ dùng điện được bố trí hợp lý giúp tối ưu hóa sự sử dụng và tạo ra một không gian sống và làm việc hiệu quả và thoải mái.