Công nghệ 9 Cánh diều Bài 6: Thực hành lắp đặt mạng điện trong nhà
Giải Công nghệ 9 Cánh diều bài 6
- Khởi động trang 31 SGK Công nghệ 9 Cánh diều
- Khám phá trang 32 SGK Công nghệ 9 Cánh diều
- Khám phá trang 35 SGK Công nghệ 9 Cánh diều
- Thực hành trang 36 SGK Công nghệ 9 Cánh diều
- Khám phá trang 38 SGK Công nghệ 9 Cánh diều
- Thực hành trang 38 SGK Công nghệ 9 Cánh diều
- Khám phá trang 38 SGK Công nghệ 9 Cánh diều
Công nghệ 9 Cánh diều Bài 6: Thực hành lắp đặt mạng điện trong nhà hướng dẫn trả lời các câu hỏi trong SGK Công nghệ 9 Cánh diều, giúp các em học sinh nắm chắc bài học, luyện giải Công nghệ 9 hiệu quả.
Khởi động trang 31 SGK Công nghệ 9 Cánh diều
Khi lắp đặt mạng điện trong nhà, cần thực hiện những công việc gì?
Trả lời
Khi lắp đặt mạng điện trong nhà, cần thực hiện những công việc như:
- Bước 1. Tìm hiểu sơ đồ nguyên lí
- Bước 2. Vẽ sơ đồ lắp đặt
- Bước 3. Chuẩn bị thiết bị, vật liệu, dụng cụ
- Bước 4. Lắp đặt mạng điện
- Bước 5. Kiểm tra, thử nghiệm hoạt động của mạng điện
Khám phá trang 32 SGK Công nghệ 9 Cánh diều
Các thiết bị điện trong Hình 6.2 được nối với nhau như thế nào?

Trả lời
Các thiết bị điện trong Hình 6.2 được nối với nhau như sau:
- Bóng đèn được mắc nối tiếp với công tắc.
- Bóng đèn được mắc song song với ổ cắm.
- Công tắc được mắc song song với ổ cắm.
Khám phá trang 35 SGK Công nghệ 9 Cánh diều
Các thiết bị điện trong Hình 6.5 được nối với nhau như thế nào?

Trả lời
Các thiết bị điện trong Hình 6.5 được nối với nhau như sau:
Các thiết bị được mắc nối tiếp với nhau. Cụ thể: Aptomat nối tiếp công tắc 1, công tắc 1 nối tiếp công tắc 2, công tắc 2 nối tiếp bóng đèn.
Thực hành trang 36 SGK Công nghệ 9 Cánh diều
Hoàn thiện vào vở của em sơ đồ lắp đặt ở Hình 6.6.

Trả lời:

Khám phá trang 38 SGK Công nghệ 9 Cánh diều
Các thiết bị điện trong Hình 6.7 được nối với nhau như thế nào?

Trả lời
Các thiết bị điện trong Hình 6.7 được nối với nhau như sau:
- Bóng đèn 1 và bóng đèn 2 được mắc song song với nhau
- Aptomat, công tắc 1 và công tắc 2 mắc nối tiếp với bóng đèn 1 và bóng đèn 2.
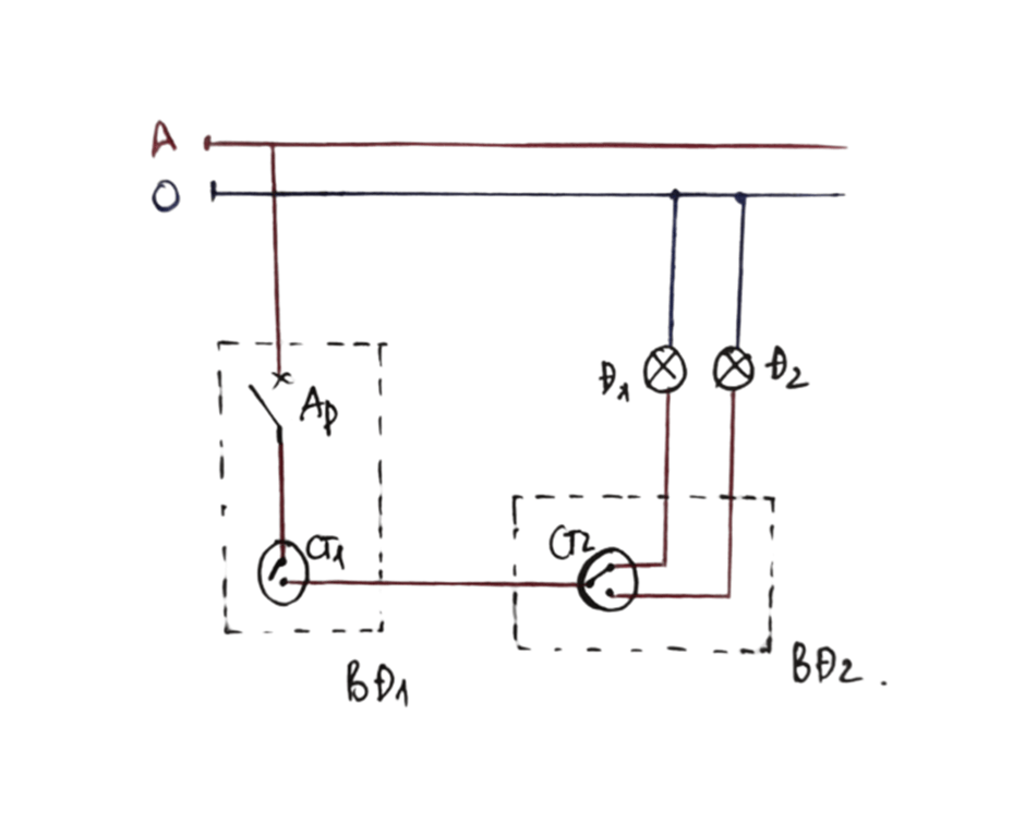
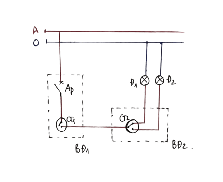
Thực hành trang 38 SGK Công nghệ 9 Cánh diều
Dựa vào sơ đồ nguyên lí mạch điện điều khiển hai đèn sáng luân phiên trên Hình 6.7, hãy vẽ sơ đồ lắp đặt của mạch điện.

Trả lời
Sơ đồ lắp đặt của mạch điện điều khiển hai đèn sáng luân phiên trên Hình 6.7:

Khám phá trang 38 SGK Công nghệ 9 Cánh diều
Dựa vào sơ đồ lắp đặt mạch điện điều khiển hai đèn sáng luân phiên, em hãy hoàn thành Bảng 6.4.

Trả lời
Hoàn thành Bảng 6.4:
|
STT |
Tên gọi |
Thông số kĩ thuật |
Đơn vị |
Số lượng |
Ghi chú |
|
I |
Thiết bị |
||||
|
1 |
Aptomat |
1 pha, 1 cực, 10 A - 250 V |
cái |
1 |
|
|
2 |
Công tắc |
16 A - 250 V |
cái |
1 |
Loại 2 cực |
|
3 |
Công tắc |
16 A - 230 V |
cái |
1 |
Loại 3 cực |
|
4 |
Bóng đèn, đui đèn |
Đèn LED, 250 V - 12W |
bộ |
2 |
Đui xoáy gắn tường |
|
II |
Vật liệu |
||||
|
1 |
Dây dẫn điện |
2 × 1,5 mm2 |
m |
1 |
|
|
2 |
1 × 1,5 mm2 |
m |
2 |
Màu đỏ |
|
|
3 |
1 × 1,5 mm2 |
m |
1 |
Màu đen |
|
|
4 |
Bảng điện |
Kích thước 300 × 200mm |
cái |
2 |
|
|
5 |
Giấy ráp |
Độ nhám trung bình |
tờ |
2 |
|
|
6 |
Băng dính cách điện |
||||