Giải Chuyên đề Vật lí 11 Chân trời sáng tạo bài 8
Bài 8: Cảm biến và bộ khuếch đại thuật toán lí tưởng
- Mở đầu trang 42 Chuyên đề Vật lí 11 Chân trời
- Câu hỏi 1 trang 42 Chuyên đề Vật lí 11 Chân trời
- Dự án trang 42 Chuyên đề Vật lí 11 Chân trời
- Câu hỏi 2 trang 45 Chuyên đề Vật lí 11 Chân trời
- Câu hỏi 3 trang 45 Chuyên đề Vật lí 11 Chân trời
- Câu hỏi 4 trang 47 Chuyên đề Vật lí 11 Chân trời
- Luyện tập trang 47 Chuyên đề Vật lí 11 Chân trời
- Luyện tập trang 48 Chuyên đề Vật lí 11 Chân trời
- Câu hỏi 5 trang 49 Chuyên đề Vật lí 11 Chân trời
- Câu hỏi 6 trang 49 Chuyên đề Vật lí 11 Chân trời
- Câu hỏi 7 trang 50 Chuyên đề Vật lí 11 Chân trời
- Luyện tập trang 51 Chuyên đề Vật lí 11 Chân trời
- Bài tập trang 51 Chuyên đề Vật lí 11 Chân trời
Giải Chuyên đề Vật lí 11 bài 8: Cảm biến và bộ khuếch đại thuật toán lí tưởng là tài liệu hữu ích giúp bạn đọc có thể trau dồi nội dung kiến thức, học tập tốt hơn môn Vật lí 11 Chân trời sáng tạo nhé.
Mở đầu trang 42 Chuyên đề Vật lí 11 Chân trời
Nhà thông minh (Smart Home) là nhà được thiết kế để người dùng có thể kiểm soát các chức năng như bảo mật, nhiệt độ, ánh sáng,... nhờ các thiết bị được điều khiển tự động. Một trong các thiết bị đóng vai trò quan trọng để điều khiển tự động là các cảm biến. Vậy, cảm biến là gì và nguyên tắc hoạt động của chúng ra sao? Nếu tín hiệu từ cảm biến quá nhỏ, không đủ để hệ thống hoạt động thì phải xử lí như thế nào?
Lời giải:
Cảm biến là thiết bị điện tử cảm nhận những trạng thái hay quá trình vật lí và biến đổi thành tín hiệu điện để thu thập thông tin về trạng thái hay quá trình đó.
Nếu tín hiệu từ cảm biến quá nhỏ, không đủ để hệ thống hoạt động thì sử dụng thêm bộ khuếch đại để tăng biên độ của điện tín hiệu điện lên nhiều lần. Bộ khuếch đại có ưu điểm không làm thay đổi dạng tín hiệu.
Câu hỏi 1 trang 42 Chuyên đề Vật lí 11 Chân trời
Các hoạt động nào sau đây có thể sử dụng cảm biến? Chỉ ra loại cảm biến có thể sử dụng.
a) Bật đèn khi cường độ sáng của không gian xung quanh đèn giảm đến một giá trị đã được cài đặt trước.
b) Mở cửa sau khi xác nhận người đang đứng trước cửa thuộc danh sách được vào nhà.
c) Thông báo sự xuất hiện cháy nổ, khói, rò rỉ ga trong nhà.
d) Thông báo sự xuất hiện của người lạ trong nhà.
e) Đóng mở cửa giếng trời.
f) Mở hệ thống tưới nước cho cây khi độ ẩm của đất giảm đến một giá trị đã được cài đặt trước.
Lời giải:
Tất cả các hoạt động dưới đều có thể sử dụng cảm biến.
a) – sử dụng cảm biến ánh sáng
b) – sử dụng cảm biến lực (người dùng vân tay mở cửa)
c) – sử dụng cảm biến báo cháy
d) – sử dụng cảm biến hồng ngoại báo động
e) – sử dụng cảm biến ánh sáng
f) – sử dụng cảm biến kiểm tra độ ẩm ứng dụng trong nông nghiệp
Dự án trang 42 Chuyên đề Vật lí 11 Chân trời
* Xây dựng ý tưởng dự án và quyết định chủ đề:
- Mục đích:
Phân loại một số cảm biến theo nguyên tắc hoạt động phạm vi sử dụng và hiệu quả kinh tế (như cảm biến sử dụng điện trở nhiệt, cảm biến sử dụng điện trở phụ thuộc ánh sáng), tìm hiểu một số tính chất cơ bản của bộ khuếch đại thuật toán lí tưởng.
- Vấn đề thực tiễn:
Với sự phát triển của khoa học công nghệ hiện nay thì việc sử dụng các cảm biến cho các hoạt động diễn ra trong ngôi nhà của chúng ta và một số hoạt động trong cuộc sống là điều tất yếu. Việc lựa chọn cảm biến cho từng mục tiêu cụ thể cũng phải được nghiên cứu kĩ, vừa đảm bảo hoạt động hiệu quả trong từng mạch điện ứng dụng, vừa phù hợp với nhu cầu và khả năng kinh tế của người sử dụng. Hãy thực hiện các hoạt động để cụ thể hoá các mục đích của dự án.
* Lập kế hoạch thực hiện dự án:
– Phân tích các hoạt động trong ngôi nhà hoặc trong cuộc sống có thể sử dụng cảm biến.
– Tìm hiểu các nguồn tài liệu tham khảo về các cảm biến được lựa chọn.
– Thiết lập danh mục các cảm biến được chọn trong đó nêu rõ: chức năng, nguyên tắc hoạt động, ứng dụng và giá thành tại thời điểm báo cáo dự án với từng loại cảm biến (Bảng 8.1).
– Tìm hiểu sơ đồ nguyên lí hoạt động của cảm biến sử dụng điện trở phụ thuộc ánh sáng và cảm biến sử dụng điện trở nhiệt, nguyên lí hoạt động của các mạch điện có sử dụng bộ khuếch đại thuật toán lí tưởng.
– Thực hiện 2 video minh hoạ về nguyên tắc hoạt động của cảm biến sử dụng điện trở phụ thuộc ánh sáng và cảm biến sử dụng điện trở nhiệt (Bảng 8.2).
– Thống kê một số ứng dụng của bộ khuếch đại thuật toán lí tưởng trong thực tế tương ứng với từng tính chất cơ bản của nó (Bảng 8.3).
– Xử lí thông tin và điền thông tin vào các Bảng 8.1, 8.2 và 8.3.
* Báo cáo kết quả:
Công bố sản phẩm và báo cáo kết quả thực hiện dự án.
Lời giải:
Học sinh tự thực hiện các hoạt động theo hướng dẫn ở trên và có thể tham khảo bảng báo cáo dưới đây
Bảng 8.1. Thông tin kết quả tìm hiểu dự án nghiên cứu về cảm biến
|
STT |
Cảm biến |
Chức năng |
Nguyên tắc hoạt động |
Ứng dụng |
Giá thành |
|
1 |
Khoảng cách |
Xác định khoảng cách từ điểm đặt cảm biến đến điểm cần xét |
Tia laser hoặc sóng siêu âm được phát ra từ máy đo khoảng cách, khi gặp vật thể sẽ bị phản xạ và quay trở lại máy đo. Sau khi ghi nhận tín hiệu phản xạ, máy đo sẽ phân tích và xác định khoảng cách từ máy đo đến vật thể cần xét. |
Định vị vị trí container (được lắp trên cần cẩu tại cảng), xác định mức chất lỏng hoặc lượng chất rắn trong bồn chứa, phát hiện vật cản |
Vài chục nghìn đồng |
|
2 |
Tốc độ |
Đo tốc độ của vật chuyển động |
- Dựa vào hiện tượng cảm ứng điện từ: chuyển động của cuộn dây trong từ trường hoặc cho từ trường biến thiên thì trong cuộn dây xuất hiện suất điện động có giá trị phụ thuộc tốc độ chuyển động, từ đó xác định được tốc độ của vật. - Dựa vào hiệu ứng Doppler: thiết bị phát sóng tới vật chuyển động, thu nhận sóng phản xạ sau đó phân tích xác định được tốc độ của vật. |
- Kiểm soát tốc độ xe - Máy xác định tốc độ từ xa |
Vài trăm nghìn đồng |
|
3 |
Ánh sáng |
Điều khiển các thiết bị liên quan đến ánh sáng |
Sử dụng các diode phát quang hoạt động dựa trên hiện tượng quang điện trong, tín hiệu quang được biến đổi thành tín hiệu điện. |
Các thiết bị điều khiển từ xa, thiết bị điện tử, thiết bị y tế, thiết bị đo lường, thiết bị bật tắt đèn tự động, báo trộm. |
Vài chục nghìn đến vài triệu đồng |
|
… |
… |
… |
… |
… |
… |
- Phần video các em tự hoàn thiện và điền vào bảng 8.2
Bảng 8.3. Thống kê ứng dụng của bộ khuếch đại thuật toán lí tưởng
|
Tính chất cơ bản |
Ứng dụng |
|
Hệ số khuếch đại vòng hở vô cùng lớn, cho phép khuếch đại các tín hiệu có biên độ rất nhỏ thành tín hiệu đầu ra có biên độ lớn. |
Học sinh tự tìm hiểu điền các ứng dụng tương ứng |
|
Tổng trở đầu vào của op-amp rất lớn, điều này giúp cho dòng điện đầu vào bằng 0, mạch khuếch đại những nguồn tín hiệu có công suất bé. |
|
|
Tổng trở đầu ra của op-amp rất nhỏ, mạch nối với đầu ra của op-amp không bị sụt áp, cho phép op-amp cung cấp dòng tốt cho phụ tải. |
|
|
Đáp ứng tần số cao, tức là op-amp hoạt động rất linh hoạt trên nhiều dải tần số tín hiệu dầu vào. |
|
Câu hỏi 2 trang 45 Chuyên đề Vật lí 11 Chân trời
Vì sao cảm biến khoảng cách sử dụng sóng siêu âm có thể phát hiện được sản phẩm bị móp, méo hoặc nứt trên băng chuyền?
Lời giải:
Vì cảm biến khoảng cách sử dụng tia laser có ưu điểm như vùng đo rộng, độ chính xác cao cỡ milimet, thời gian đo ngắn, đưa ra kết quả chính xác trong phạm vi 0,05 m đến 300 m chỉ trong khoảng thời gian tối đa 0,5 s.
Câu hỏi 3 trang 45 Chuyên đề Vật lí 11 Chân trời
Tìm hiểu đặc điểm của máy xác định tốc độ từ xa dùng tia laser và so sánh với máy xác định tốc độ dùng sóng radar.
Lời giải:
Máy đo tốc độ bằng sóng radio
Trên máy đo tốc độ này có một radar hay còn gọi là hệ thống dò tìm và định vị bằng sóng vô tuyến. Radar phát ra một chùm sóng vô tuyến với tần số hoạt động xác định, theo Autoevolution.
Khi một ôtô tiến vào vùng sóng của radar, ngay lập tức một tín hiệu phản xạ điện từ dội lại. Đồng thời tần số sóng radio cũng thay đổi do khoảng cách tương đối giữa radar và xe thay đổi.
Mức độ tăng hay giảm của tần số sóng radio phụ thuộc vào tốc độ của xe chuyển động trong vùng sóng phát ra từ radar. Nếu tần số tăng, xe đang di chuyển về hướng người cầm máy bắn tốc độ và ngược lại, tần số giảm khi xe di chuyển ra xa người cầm máy. Việc xác định tốc độ của xe dựa vào hiệu ứng vật lý Doppler khi có thể xác định tốc độ chuyển động của một vật nhờ vào sự thay đổi tần số của nguồn sóng phát ra.
Máy đo tốc độ bằng tia laser
Máy đo tốc độ bằng tia laser tính toán thời gian phản hồi của ánh sáng từ lúc phát ra, tiếp xúc với vật thể di chuyển và dội ngược về máy. Loại máy này có thể phát ra chùm sáng trong 0,3 - 0,7 giây và "khóa" mục tiêu trong phạm vi 800 m.
Bằng cách thực hiện thao tác phát ra ánh sáng, thu thập dữ liệu liên tục trong thời gian ngắn, tốc độ của phương tiện đang di chuyển có thể được xác định.
Máy đo tốc độ là công cụ hữu hiệu hỗ trợ cho cảnh sát giúp phát hiện những trường hợp lái xe quá tốc độ quy định. Máy có thể được lắp đặt cố định trên đường, trên xe cảnh sát, di động kiểu cầm tay hoặc cảnh sát có thể ngụy trang khi làm nhiệm vụ.
Câu hỏi 4 trang 47 Chuyên đề Vật lí 11 Chân trời
Tìm hiểu và trình bày cấu tạo của diode quang trong cảm biến ánh sáng.
Lời giải:
Diode quang là loại diode sử dụng hiệu ứng quang điện để chuyển đổi photon thành điện tích.
Trên thực tế, diode thu quang được ứng dụng rộng rãi trong các kỹ thuật điện tử, đặc biệt là các thiết bị đo đạc, truyền dẫn thông tin, giám sát và điều khiển… Vai trò chủ yếu của chúng là cảm biến một trạng thái nào đó. Ví dụ như nhận biết khi nào giấy trong một khay máy in hết.
Diode quang cấu tạo gồm hai lớp bán dẫn khác loại (P – N) ghép với nhau (Lớp bán dẫn loại P mỏng hơn lớp bán dẫn loại N) còn loại mới hơn có cấu trúc PIN. Nó được cấu thành từ một số chất bán dẫn và vùng phổ ánh sáng làm việc. Phạm vi ánh sáng có thể nhìn thấy là từ 380 nm đến 780 nm.
Luyện tập trang 47 Chuyên đề Vật lí 11 Chân trời
Trong nhà máy sản xuất nước giải khát có ga, để đảm bảo quy tắc an toàn, ta phải kiểm soát được nhiệt độ máy trong quá trình pha chế nguyên liệu, theo dõi lưu lượng và áp suất khí CO2 do máy pha chế đồ uống tạo ra và mực nước giải khát được bơm vào trong chai. Hãy thảo luận nhóm để phân loại các cảm biến đo nhiệt độ, áp suất, lưu lượng và mức chất lỏng hay rắn trong bình chứa được sử dụng trong công nghiệp theo nguyên tắc hoạt động, phạm vi sử dụng và hiệu quả kinh tế.
Lời giải:
|
Cảm biến |
Nguyên tắc hoạt động |
Phạm vi sử dụng |
|
Cảm biến đo nhiệt độ |
Cảm biến nhiệt độ là một thiết bị RTD (đầu dò điện trở) hoặc là cặp nhiệt điện giúp đo sự biến đổi về nhiệt độ của vật cần đo. Khi nhiệt độ có sự thay đổi lớn thì các cảm biến sẽ đưa ra một tín hiệu, từ đó các bộ đọc sẽ đọc và quy ra thành một con số cụ thể. |
Cảm biến được sử dụng phổ biến nhất là nhiệt kế, được sử dụng để đo nhiệt độ, chất lỏng và chất khí, ứng dụng trong các phòng nghiên cứu khoa học. |
|
Cảm biến đo áp suất |
Cảm biến áp suất là thiết bị điện tử chuyển đổi tín hiệu áp suất sang tín hiệu điện, thường được dùng để đo áp suất hoặc các ứng dụng có liên quan đến áp suất. Nguyên lý hoạt động cảm biến áp suất cũng gần giống như các loại cảm biến khác là cần nguồn tác động (nguồn áp suất, nguồn nhiệt,… nguồn cần đo của cảm biến loại đó) tác động lên cảm biến, cảm biến đưa giá trị về vi xử lý, vi xử lý tín hiệu rồi đưa tín hiệu ra. |
- Cảm biến áp suất dùng để đo trong hệ thống lò hơi, thường được đo trực tiếp trên lò hơi. Khu vực này cần đo chính xác khá cao và phải chịu nhiệt độ cao. - Các máy nén khí cũng cần phải đo áp suất để giới hạn áp suất đầu ra, tránh trường hợp quá áp dẫn đến hư hỏng và cháy nổ. - Trên các trạm bơm nước cũng cần cảm biến áp suất để giám sát áp suất đưa về PLC hoặc biến tần để điều khiển bơm nước . - Để điều áp hoặc điều khiển áp suất sau van điều khiển thì cảm biến áp suất đóng vai trò rất quan trọng vì sẽ ảnh hưởng trực tiếp áp suất đầu ra sau van điều khiển. - Trên các xe cẩu thường có các ben thuỷ lực, yêu cầu giám sát các ben thuỷ lực này rất quan trọng vì sẽ ảnh hưởng đến lực kéo của ben. Vì thế họ luôn lắp cảm biến áp suất để giám sát áp suất trên các ben thuỷ lực này. |
|
Cảm biến đo lưu lượng và mức chất lỏng hay rắn trong bình chứa |
Cảm biến sẽ phát ra sóng siêu âm truyền trong môi trường cần đo. Sau đó sóng siêu âm sẽ chạm vào bề mặt chất lỏng trong các bể chứa, bồn chứa và phản xạ lại cảm biến. Khi nhận được tín hiệu phản xạ lại cùng với khoảng thời gian và tốc độ thu phát sóng, cảm biến sẽ tính toán được mực nước hiện có trong silo, bể chứa một cách chính xác và nhanh chóng. |
Dùng khá rộng rãi trong các nhà máy xử lý nước thải, các khu công nghiệp sản xuất sữa, nước ngọt, nước giải khát. Bên cạnh đó chúng ta cũng có thể bắt gặp chúng ở các nhà máy xử lý nước sinh hoạt. Và đây được xem là một trong những sản phẩm chuyên dùng để đo lường hầu hết các chất lỏng hiện nay. Thậm chí có thể đo lường các chất lỏng nguy hiểm như axit, bazờ và muối. |
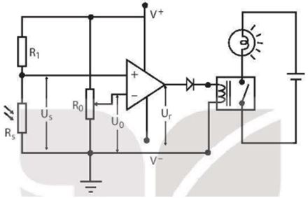
Luyện tập trang 48 Chuyên đề Vật lí 11 Chân trời
Tìm hiểu sơ đồ và nguyên lí hoạt động của một mạch điện có cảm biến sử dụng điện trở phụ thuộc ánh sáng.
Lời giải:

Sơ đồ mạch điện của thiết bị tự bật đèn khi trời tối và tắt đèn khi trời sáng. Mạch điện này có cảm biến quang điện trở Rs. Con chạy của biến trở R0 được đặt ở vị trí sao cho điện áp U0 chỉ nhỏ hơn điện áp Us lúc trời tối một chút. Như vậy, khi trời tối điện áp Ur ở mức cao, relay sẽ đóng mạch làm cho đèn sáng. Khi trời sáng điện áp Us sẽ giảm xuống thấp hơn điện áp U0 do đó điện áp Ur ở mức thấp, relay sẽ ngắt mạch để tắt đèn.
Câu hỏi 5 trang 49 Chuyên đề Vật lí 11 Chân trời
Tìm hiểu một ứng dụng cụ thể của từng loại điện trở nhiệt PTC và NTC.
Lời giải:
Những ứng dụng của điện trở nhiệt PTC trong đời sống
Máy sưởi tự điều chỉnh
Khi có dòng điện chạy qua điện trở nhiệt PTC chuyển mạch, nó sẽ tự động làm ổn định ở một nhiệt độ nhất định. Điều này có nghĩa là nhiệt độ giảm thì điện trở cũng sẽ giảm, cho phép dòng điện chạy qua nhiều hơn để làm nóng thiết bị. Tương tự, nếu nhiệt độ tăng thì điện trở cũng tăng lên, hạn chế dòng điện đi qua thiết bị để làm nguội thiết bị.
Bảo vệ quá tải
Điện trở nhiệt PTC chuyển mạch cũng thường được sử dụng để làm bộ hạn chế quá tải hoặc cầu chì có thể đặt lại trong các mạch khác nhau. Điện trở nhiệt PTC chuyển mạch có thể hoạt động như một cầu chì có khả năng đặt lại tự động. Thông thường, các điện trở nhiệt loại PTC polymer được sử dụng cho ứng dụng này và thường được gọi với nhiều tên khác nhau như polyfuse, polyswitch và multifuse.
Thời gian trễ
Thời gian trễ trong mạch có thể được cung cấp bằng cách sử dụng thời gian cần thiết để điện trở nhiệt PTC đủ nóng, từ đó, nó sẽ chuyển từ trạng thái có điện trở thấp sang trạng thái có điện trở cao và ngược lại. Độ trễ thời gian phụ thuộc vào nhiều yếu tố như kích thước, nhiệt độ môi trường và điện áp mà nó được kết nối, cũng như loại mạch mà nó sử dụng.
Ứng dụng của điện trở nhiệt NTC.
Nhiệt điện trở NTC được sử dụng để bảo vệ và ngắt nhiệt. Chúng được sử dụng rộng rãi trong bảng mạch điện tử. Thực chất, những bảng mạch này có thể là cảm biến nhiệt của nồi cơm điện, điều hòa hoặc cảm biến của tủ lạnh.
Ngoài ra, nhiệt điện trở NTC còn được ứng dụng trong một số lĩnh vực như:
- Đo nhiệt độ và bù nhiệt độ của thiết bị tự động hóa văn phòng. Ví dụ máy in và máy photocopy.
- Đo và kiểm tra nhiệt độ của các thiết bị công nghiệp, y tế, môi trường, dự báo thời tiết, chế biến thực phẩm, v.v.
- Bảo vệ nhiệt độ của pin và bộ sạc pin.
- Bù vòng trong thiết bị, mạch tích hợp và cặp nhiệt điện.
- Nó cũng được sử dụng trong mạch để bảo vệ quá nhiệt trong bộ nguồn.
Câu hỏi 6 trang 49 Chuyên đề Vật lí 11 Chân trời
Tìm hiểu và trình bày các mạch điện thông dụng có cảm biến sử dụng điện trở nhiệt.
Lời giải:
Mạch điện thông dụng có sử dụng điện trở nhiệt:

Vôn kế được mắc ở lối ra của mạch khuếch đại. Các điện trở Rh và Rv được lựa chọn sao cho điện áp lối ra phù hợp với thang đo của vôn kế. Rt là cảm biến nhiệt điện trở NTC. Với sơ đồ mạch như trên thì ứng với mỗi nhiệt độ của cảm biến sẽ có một điện áp lối ra của mạch khuếch đại. Do góc quay của kim vôn kế tỉ lệ với điện áp nên ứng với mỗi giá trị của nhiệt độ sẽ có một giá trị của góc quay. Ngược lại, khi biết được góc quay của kim vôn kế, chúng ta cũng biết được nhiệt độ của cảm biến.
Câu hỏi 7 trang 50 Chuyên đề Vật lí 11 Chân trời
Phác hoạ đồ thị tín hiệu đầu ra trong trường hợp tín hiệu đầu vào như Hình 8.11a được khuếch đại đảo dùng op-amp.
Lời giải:
Đồ thị tín hiệu đầu ra trong trường hợp tín hiệu đầu vào được khuếch đại đảo dùng op-amp

Luyện tập trang 51 Chuyên đề Vật lí 11 Chân trời
Một op-amp có hệ số khuếch đại K = 1 000 000 được nối với nguồn một chiều 9 V. Xác định giá trị của Ura trong các trường hợp Uvào bằng:
a) 4 μV.
b) 4V.
c) -4V.
Lời giải:
Hệ số khuếch đại:
\(K = \frac{U_{ra} }{U_{vào} }\)

Bài tập trang 51 Chuyên đề Vật lí 11 Chân trời
Tìm hiểu và trình bày ứng dụng thực tiễn của một số loại cảm biến như: cảm biến nhiệt độ, cảm biến khói.
Lời giải:
Cảm biến nhiệt
Cảm biến nhiệt độ là thiết bị dùng cảm nhận sự biến đổi của các đại lượng vật lý không có tính chất điện (nhiệt độ, áp suất, lưu lượng…) cần đo thành các đại lượng (thường mang tính chất điện) có thể đo và xử lý được.
Một số ví dụ ứng dụng là:
• Ứng dụng công nghiệp: Giám sát máy móc và môi trường khác nhau, nhà máy điện, sản xuất.
• Ứng dụng khoa học và phòng thí nghiệm: Giám sát khoa học và công nghệ sinh học.
• Ứng dụng y tế: Theo dõi bệnh nhân, thiết bị y tế, phân tích khí, ống thông tim pha loãng nhiệt, máy làm ẩm, ống thông khí, nhiệt độ dịch lọc máu.
• Motorsport: Các phép đo khí thải, nhiệt độ không khí đầu vào, nhiệt độ dầu và nhiệt độ động cơ.
• Thiết bị gia dụng: Thiết bị nhà bếp (lò nướng, ấm đun nước, ...).
• Ứng dụng HVAC: Các thiết bị thông gió sưởi ấm và điều hòa không khí thương mại.
• Transit: Xe tải và xe tải lạnh.
Cảm biến khói
Cảm biến khói là một thiết bị điện tử có khả năng nhận biết và cảnh báo khói, hay các đám cháy. Cảm biến khói thường được lắp đặt trong căn hộ, văn phòng hay các tòa nhà để phát hiện sớm các tai nạn cháy nổ.
Lợi ích khi sử dụng cảm biến khói
- Phát hiện nhanh những rủi ro tiềm ẩn cháy tiềm ẩn trong nhà.
- Báo động giúp giải quyết và xử lý kịp thời hỏa hoạn.
- Phòng chống cháy nổ vì phát hiện sớm đám cháy và báo động để dập.
- Tin tức báo động hỏa hoạn được gửi ngay đến điện thoại cảm ứng gia chủ, giúp nhận thông tin nhanh và khắc phục sự cố.