Giải Chuyên đề Vật lí 11 Chân trời sáng tạo bài 9
Bài 9: Thiết bị đầu ra
- Mở đầu trang 52 Chuyên đề Vật lí 11 Chân trời
- Câu hỏi 1 trang 52 Chuyên đề Vật lí 11 Chân trời
- Câu hỏi 2 trang 52 Chuyên đề Vật lí 11 Chân trời
- Câu hỏi 3 trang 53 Chuyên đề Vật lí 11 Chân trời
- Luyện tập trang 53 Chuyên đề Vật lí 11 Chân trời
- Câu hỏi 4 trang 54 Chuyên đề Vật lí 11 Chân trời
- Luyện tập trang 55 Chuyên đề Vật lí 11 Chân trời
- Vận dụng trang 55 Chuyên đề Vật lí 11 Chân trời
- Câu hỏi 5 trang 55 Chuyên đề Vật lí 11 Chân trời
- Câu hỏi 6 trang 56 Chuyên đề Vật lí 11 Chân trời
- Luyện tập trang 56 Chuyên đề Vật lí 11 Chân trời
- Vận dụng trang 56 Chuyên đề Vật lí 11 Chân trời
- Bài tập trang 56 Chuyên đề Vật lí 11 Chân trời
VnDoc.com xin gửi tới bạn đọc bài viết Giải Chuyên đề Vật lí 11 bài 9: Thiết bị đầu ra để bạn đọc cùng tham khảo. Mời các bạn cùng tham khảo thêm tại mục Vật lí 11 Chân trời sáng tạo nhé.
Mở đầu trang 52 Chuyên đề Vật lí 11 Chân trời
Ngày nay, chất lượng cuộc sống được nâng cao nhờ sự phát triển của khoa học công nghệ. Trong đó, sự phát triển của ngành kĩ thuật điện tử vừa góp phần giải phóng sức lao động, vừa giảm sự phụ thuộc vào quá trình điều khiển của con người, mạch đóng ngắt đèn đường tự động là một ví dụ. Các mạch điện ứng dụng này sử dụng những thiết bị điện tử gì và hoạt động theo nguyên tắc nào?
Lời giải:
Các mạch điện ứng dụng này sử dụng những thiết bị như cảm biến (cảm biến ánh sáng, cảm biến nhiệt độ, điện trở nhiệt, …); bộ khuếch đại thuật toán lí tưởng; relay đóng ngắt.
Chúng hoạt động theo nguyên tắc: khi có tác động ngoại cảnh (ánh sáng, nhiệt độ, …) vào cảm biến thì cảm biến sẽ biến đổi tín hiệu đó thành tín hiệu điện từ, tín hiệu sau đó được khuếch đại lên, đưa đến bộ relay đóng ngắt, nhờ có sự chênh lệch điện áp đã được thiết lập sẵn thì relay sẽ hoạt động thao tác đóng/ngắt mạch điện để điều khiển thiết bị.
Câu hỏi 1 trang 52 Chuyên đề Vật lí 11 Chân trời
Tìm hiểu tài liệu và trình bày ngắn gọn nguyên tắc hoạt động của một số thiết bị đầu ra.
Lời giải:
Thiết bị đầu ra như mạch op-amp – LED

Diode phát sáng (LED) là thiết bị bán dẫn, chỉ cho dòng điện đi qua theo một chiều mà không cho dòng điện đi qua theo chiều ngược lại. LED được gọi là phân cực thuận khi nó cho dòng điện đi qua và được gọi là phân cực ngược khi không cho dòng điện đi qua.
Hình trên cho thấy hai LED được kết nối với đầu ra của một op-amp để cho biết đầu ra là dương hay âm.
Khi đầu ra là dương đối với đất, LED D1 sẽ được phân cực thuận và phát ra ánh sáng; LED D2 sẽ được phân cực ngược và không phát ra ánh sáng. Khi phân cực của đầu ra thay đổi, LED D2 sẽ được phân cực thuận và phát ra ánh sáng; LED D1 sẽ được phân cực ngược và không phát ra ánh sáng. Các LED có thể được chọn để chúng phát ra ánh sáng có màu khác nhau.
Câu hỏi 2 trang 52 Chuyên đề Vật lí 11 Chân trời
Hãy kể tên các linh kiện điện tử được sử dụng trong mạch đóng ngắt tự động.
Lời giải:
Một số linh kiện điện tử được sử dụng trong mạch đóng ngắt tự động:
- Relay đóng ngắt
- Bộ khuếch đại thuật toán (op-amp)
- Các loại cảm biến.
Câu hỏi 3 trang 53 Chuyên đề Vật lí 11 Chân trời
Tìm các linh kiện điện tử trong sơ đồ ở Hình 9.4 tương ứng với các khối trong sơ đồ ở Hình 9.2.

Lời giải:

Luyện tập trang 53 Chuyên đề Vật lí 11 Chân trời
Hình 9.4 là một mạch điện sử dụng mạch op-amp – relay để thực hiện chức năng bật sáng đèn tự động khi trời tối. Hãy tìm hiểu nguyên lí hoạt động và tiến hành lắp mạch nếu có điều kiện.

Lời giải:
Sơ đồ mạch điện của thiết bị tự bật đèn khi trời tối và tắt đèn khi trời sáng. Mạch điện này có cảm biến quang điện trở LDR. Con chạy của biến trở R được đặt ở vị trí (3) sao cho điện áp đầu vào đảo V- chỉ nhỏ hơn điện áp đầu vào không đảo V+ của bộ khuếch đại (op-amp) lúc trời tối một chút. Như vậy, khi trời tối điện áp đầu ra của bộ khuếch đại ở mức cao, relay sẽ đóng mạch làm cho đèn sáng. Khi trời sáng điện áp đầu vào không đảo V+ sẽ giảm xuống thấp hơn điện áp đầu vào đảo V- do đó điện áp đầu ra bộ khuếch đại ở mức thấp, relay sẽ ngắt mạch để tắt đèn.
Câu hỏi 4 trang 54 Chuyên đề Vật lí 11 Chân trời
Tìm các linh kiện điện tử trong sơ đồ ở Hình 9.8 tương ứng với các khối trong sơ đồ ở Hình 9.6.

Lời giải:

Luyện tập trang 55 Chuyên đề Vật lí 11 Chân trời
Hình 9.8 bên dưới là các mạch bật đèn LED khi trời sáng và khi trời tối. Hãy tìm hiểu nguyên lí hoạt động, tiến hành lắp mạch điện tự động bật đèn sáng khi trời tối.

Lời giải:
Khi có ánh sáng chiếu vào quang điện trở LDR, điện trở của LDR giảm xuống làm cho điện thế ở chân -input (chân 2) của op-amp tăng lên.
Ngược lại, khi không có ánh sáng hoặc ánh sáng yếu chiếu vào quang trở LDR, điện trở của nó tăng lên làm điện thế ở chân input (chân 2) của op-amp giảm xuống.
Điện thế ở -input (chân 2) và +input (chân 3) luôn được so sánh với nhau để xuất ra điện áp ở chân output (chân 1).
Điện áp ở +input lớn hơn -input thì điện áp output sẽ ở mức cao làm đèn LED sáng, ngược lại điện áp ở output ở mức thấp sẽ làm đèn LED tắt.
Ta có thể điều chỉnh biến trở R2 để tăng hay giảm điện áp của +input đồng nghĩa với việc điều chỉnh độ nhạy của mạch.
Vận dụng trang 55 Chuyên đề Vật lí 11 Chân trời
Tìm hiểu và nêu một số ứng dụng của mạch op-amp – LED trong thực tế.
Lời giải:
Ứng dụng của mạch op-amp – LED trong thực tế: đếm sản phẩm, điều khiển đèn đường, đèn ngủ tự động, phát hiện đối tượng, …
Câu hỏi 5 trang 55 Chuyên đề Vật lí 11 Chân trời
Dựa vào Hình 9.10, trình bày cách xác định giá trị của nhiệt độ khi biết giá trị của hiệu điện thế U tương ứng.

Lời giải:
Từ một giá trị U trên trục tung, kẻ đường thẳng song song với trục hoành, cắt đồ thị tại một điểm, từ điểm đó hạ đường vuông góc với trục hoành sẽ xác định được nhiệt độ tương ứng.
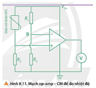
Câu hỏi 6 trang 56 Chuyên đề Vật lí 11 Chân trời
Tìm các linh kiện điện tử trong sơ đồ ở Hình 9.11 tương ứng với các khối trong sơ đồ ở Hình 9.9.

Lời giải:
Các linh kiện điện tử có trong sơ đồ trên: điện trở nhiệt NTC, các điện trở R1, R2, R3, bộ khuếch đại thuật toán op-amp, vôn kế.
Luyện tập trang 56 Chuyên đề Vật lí 11 Chân trời
Hình 9.11 là một mạch điện op-amp - CM dùng để đo nhiệt độ. Hãy tìm hiểu nguyên lí hoạt động, tiến hành lắp mạch điện và sử dụng đo nhiệt độ tại một khu vực mà em chọn.

Lời giải:
Khi điện trở của NTC thay đổi thì điện áp ở đầu vào -input và +input thay đổi, dẫn đến có sự chênh lệch với nhau, từ đó làm thay đổi điện áp đầu ra output.
Khi điện áp đầu ra output ở mức cao sẽ làm cho kim vôn kế quay, từ đó xác định được nhiệt độ cần đo.
Do góc quay của kim vôn kế tỉ lệ với điện áp nên ứng với mỗi giá trị của nhiệt độ sẽ có một giá trị của góc quay. Ngược lại, khi biết góc quay của kim vôn kế, chúng ta cũng biết được nhiệt độ của cảm biến.
Vận dụng trang 56 Chuyên đề Vật lí 11 Chân trời
Dựa vào các tài liệu đa phương tiện để viết một bài luận ngắn hoặc dựng một video trình bày một số ứng dụng của các thiết bị đầu ra đã được học.
Lời giải:
Diode phát quang là gì?
Diode phát quang (Hay còn được gọi là Điốt phát quang, LED hay Điốt phát sáng) là loại diode có khả năng phát ra ánh sáng hay tia hồng ngoại, tử ngoại. Nó là một nguồn phát sáng khi có dòng điện tác động lên nó.
Cấu tạo của diode phát quang
Giống như các loại diode thông thường, diode phát quang có cấu tạo bao gồm một lớp bán dẫn loại P (Anot) và một lớp bán dẫn loại N (Canot) ghép lại với nhau.
Trong đó, khối bán dẫn loại P chứa lỗ trống mang điện tích dương nên có xu hướng khuếch tán sang khối bán dẫn loại N. Ngược lại, khối bán dẫn loại N chứa electron mang điện tích âm nên có xu hướng khuếch tán sang khối bán dẫn loại P. Kết quả của quá trình này là khối P mang điện tích âm và khối N mang điện tích dương.
Tại bề mặt tiếp giáp giữa hai khối bán dẫn, các electron và lỗ trống có xu hướng tiến lại gần nhau và kết hợp để tạo thành nguyên tử trung hòa. Quá trình này sẽ làm giải phóng năng lượng dưới dạng photon phát sáng.
Khi đó, bước sóng của ánh sáng phát ra sẽ được quyết định bởi cấu trúc của các phân tử làm chất bán dẫn. Trong trường hợp bước sóng nằm trong vùng hồng ngoại đến vùng tử ngoại thì ta có thể nhận biết được màu sắc của ánh sáng đó.
Nguyên lý hoạt động của diode phát quang
Hoạt động của diode phát quang dựa trên công nghệ bán dẫn. Cụ thể, electron sẽ chuyển từ trạng thái có mức năng lượng cao xuống trạng thái có mức năng lượng thấp hơn. Trong quá trình này, chính sự chênh lệch năng lượng đã phát xạ trở thành những dạng ánh sáng khác nhau. Đặc biệt màu sắc của diode phát quang phụ thuộc vào hợp chất bán dẫn cấu thành lên diode và đặc trưng bởi bước sóng của ánh sáng được phát ra.
Ưu điểm của diode phát quang
Diode phát quang sở hữu những ưu điểm sau:
– Có hiệu suất phát sáng cao hơn loại bóng đèn sợi đốt.
– Màu sắc tùy theo ý muốn mà không cần dùng đến bộ lọc màu truyền thống.
– Kích thước rất nhỏ nên ta có thể cài đặt nó trên mạch in.
– Có khả năng điều khiển độ sáng tối một cách dễ dàng bằng cách tăng giảm dòng điện tác động hoặc điều chế độ rộng xung.
– Thời gian bật/tắt nhanh.
– Độ bền cao, rất khó bị phá hủy do va đập…
– Không gây độc hại và thân thiện với môi trường.
Ứng dụng của diode phát quang
Ngày nay, diode phát quang được sử dụng trong hai lĩnh vực chính:
– Chiếu sáng dân dụng: Được sử dụng để trang trí nội thất (Hiện đại và cổ điển), ngoại thất (Sân vườn, tiểu cảnh…).
– Chiếu sáng công nghiệp: Vì chi phí cao nên chỉ có những doanh nghiệp có đủ năng lực về tài chính mới lựa chọn giải pháp chiếu sáng bằng công nghệ LED cho các nhà xưởng sản xuất của doanh nghiệp mình.
Bài tập trang 56 Chuyên đề Vật lí 11 Chân trời
Thiết kế mạch điện ứng dụng mạch op-amp – relay và op-amp – LED đáp ứng yêu cầu sau: Một căn phòng có sử dụng lò sưởi, khi nhiệt độ trong phòng giảm đến giá trị T1 cho trước, đèn LED 1 báo hiệu bật sáng, lò sưởi được khởi động. Khi nhiệt độ trong phòng tăng đến giá trị T2 cho trước thì đèn LED 1 tắt, đèn LED 2 sáng, đồng thời lò sưởi được cho ngừng hoạt động.
Lời giải:
Học sinh tự thiết kế.