Công nghệ 12 Cánh diều bài 4
VnDoc xin giới thiệu bài Công nghệ 12 Cánh diều bài 4: Cấu trúc hệ thống điện quốc gia được chúng tôi sưu tầm và xin gửi tới bạn đọc cùng tham khảo để có thêm tài liệu giải SGK Công nghệ 12 sách Cánh diều.
Bài: Cấu trúc hệ thống điện quốc gia
Khởi động trang 20 Công nghệ 12: Hệ thống điện quốc gia có vai trò gì?
Lời giải:
Vai trò của hệ thống điện quốc gia là:
- Đảm bảo an ninh năng lượng của quốc gia.
- Đảm bảo cung cấp điện năng an toàn, kinh tế, chất lượng tốt với độ tin cậy cao cho sản xuất và đời sống.
I. Hệ thống điện quốc gia
Câu hỏi 1 trang 20 Công nghệ 12: Hệ thống điện quốc gia gồm những thành phần chính nào?
Lời giải:
Hệ thống điện quốc gia gồm những thành phần chính:
- Nguồn điện.
- Lưới điện.
- Tải điện.
Câu hỏi 2 trang 20 Công nghệ 12: Hãy cho biết các thành phần trong hệ thống điện quốc gia ở Hình 4.2.

Lời giải:
Các thành phần trong hệ thống điện quốc gia ở Hình 4.2:
- Nguồn điện.
- Lưới điện.
II. Các thành phần trong hệ thống điện quốc gia
Câu hỏi 1 trang 21 Công nghệ 12: Vai trò của nguồn điện là gì?
Lời giải:
Vai trò của nguồn điện là: sản xuất ra điện năng từ các dạng năng lượng khác nhau.
Câu hỏi 2 trang 21 Công nghệ 12: Kể tên một số nguồn điện trong hệ thống lưới điện quốc gia
Lời giải:
Một số nguồn điện trong hệ thống lưới điện quốc gia:
- Nhà máy thủy điện.
- Nhà máy nhiệt điện.
- Nhà máy điện mặt trời.
Câu hỏi 1 trang 22 Công nghệ 12: Nêu vai trò của lưới điện.
Lời giải:
Vai trò của lưới điện là: truyền tải điện năng từ các nhà máy điện đến các tải điện trong hệ thống điện quốc gia.
Câu hỏi 2 trang 22 Công nghệ 12: Lưới điện truyền tải và lưới điện phân phối khác nhau như thế nào?
Lời giải:
Lưới điện truyền tải và lưới điện phân phối khác nhau:
- Lưới điện truyền tải: Cấp điện áp 220 kV và 500 kV.
- Lưới điện phân phối: chuyển đổi điện áp ra từ 110 kV xuống 0,4 kV.
Câu hỏi 1 trang 23 Công nghệ 12: Trong hệ thống điện quốc gia, tải điện được phân loại như thế nào?
Lời giải:
Trong hệ thống điện quốc gia, tải điện được phân loại:
- Tải trong sản xuất:
+ Thường là tải điện ba pha.
+ Công suất ít biến động.
- Tải điện trong sinh hoạt:
+ Thường là tải một pha.
+ Thường biến động theo giờ, theo ngày và theo mùa trong năm.
Câu hỏi 2 trang 23 Công nghệ 12: Hãy kể tên một số tải điện trong hệ thống điện quốc gia.
Lời giải:
Một số tải điện trong hệ thống điện quốc gia:
- Đèn điện.
- Máy giặt.
- Động cơ điện trong nhà máy.
Luyện tập
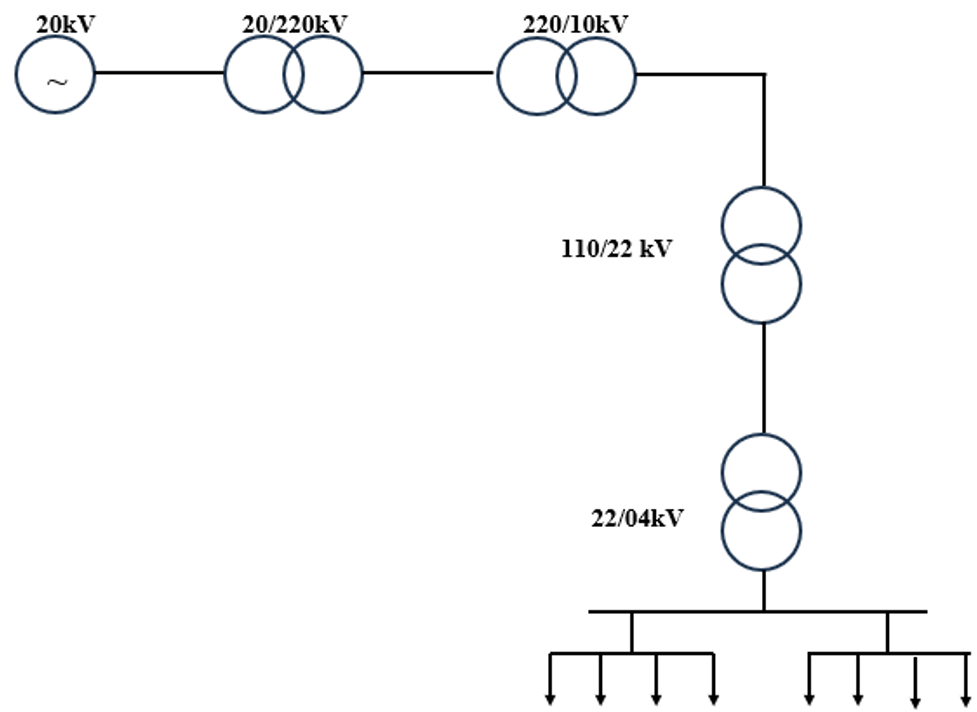
Luyện tập trang 23 Công nghệ 12: Vẽ sơ đồ một hệ thống điện từ máy phát điện tới tải điện, bao gồm: Máy phát điện 20 kV → Máy biến áp tăng áp 20/220 kV → Máy biến áp giảm áp 220/110 kV → Máy biến áp giảm áp 110/ 22 kV → Máy biến áp giảm áp 22/0,4 kV → Các tải điện.
Lời giải:
Vận dụng
Vận dụng trang 23 Công nghệ 12: Tìm hiểu sơ đồ lưới điện phân phối của địa phương từ 22 kV hoặc 35 kV xuống 0,4 kV và cho biết các loại tải điện của lưới điện phân phối này.
Lời giải:
Các loại tải điện của lưới điện phân phối từ 22 kV hoặc 35 kV xuống 0,4 kV đó là:
- Đèn chiếu sáng trong hộ gia đình.
- Cơ sở thương mại.
- Tải công nghiệp.
>>> Bài tiếp theo: Công nghệ 12 Cánh diều bài 5
Như vậy VnDoc đã giới thiệu các bạn tài liệu Giải SGK Công nghệ lớp 12 bài 4: Cấu trúc hệ thống điện quốc gia. Mời các bạn tham khảo thêm tài liệu: Trắc nghiệm Công nghệ 12, Công nghệ 12 Kết nối tri thức, Tài liệu học tập lớp 12.