Bài tập Vật lý 9 Bài 10: Biến trở Điện trở dùng trong kĩ thuật
Biến trở - Điện trở dùng trong kĩ thuật
Trong chương trình Vật lý 9, Bài 10 về biến trở – điện trở dùng trong kĩ thuật là một trong những chuyên đề quan trọng, giúp học sinh hiểu rõ nguyên lý hoạt động của điện trở và ứng dụng trong thực tế. Biến trở không chỉ được sử dụng trong thí nghiệm mà còn xuất hiện phổ biến trong các thiết bị điện tử, từ điều chỉnh âm lượng radio, tivi cho đến các mạch điện công nghiệp.
Việc giải bài tập Vật lý 9 Bài 10 giúp học sinh củng cố kiến thức, biết cách áp dụng công thức tính điện trở, hiệu điện thế và cường độ dòng điện trong từng tình huống cụ thể. Bài viết này sẽ tổng hợp hệ thống lý thuyết, các dạng bài tập thường gặp kèm đáp án chi tiết. Đây chính là tài liệu tham khảo hữu ích thuộc chuyên đề Bài tập Vật lý 9 – Có đáp án, hỗ trợ các em học tập hiệu quả và chuẩn bị tốt cho các kỳ kiểm tra, kỳ thi.
Bản quyền thuộc về VnDoc.
Nghiêm cấm mọi hình thức sao chép nhằm mục đích thương mại.
Bài tập 1: Một bóng đèn có ghi 9V – 0,5A mắc nối tiếp với 1 biến trở chạy với nguồn điện không đổi 12V.
a. Điều chỉnh biến trở trên đến giá trị
\(R=20\Omega\). Cho biết độ sáng của bóng đèn?
b. Hỏi phải điều chỉnh biến trở có giá trị là bao nhiêu để đèn có thể sáng bình thường, bỏ qua điện trở các dây nối.
Hướng dẫn giải
a. Ta có:
\({{R}_{d}}=\frac{{{U}_{d}}}{{{I}_{d}}}=18\Omega\)
\(\Rightarrow {{R}_{td}}={{R}_{d}}+{{R}_{b}}=30\Omega\)
\({{U}_{m}}={{U}_{d}}+{{U}_{b}}=21\Omega\)
\(\Rightarrow {{I}_{m}}=\frac{{{U}_{m}}}{{{R}_{td}}}=0,7A\)
\(\Rightarrow {{I}_{m}}={{I}_{b}}={{I}_{d}}=0,7A\)
Ta thấy cường độ dòng điện định mức đèn nhở hơn cường độ dòng điện chạy qua bóng đèn nên đèn sẽ cháy
b. Để đèn sáng bình thường thì
\({{I}_{dmd}}={{I}_{d}}={{I}_{m}}=0,5A\)
\(\Rightarrow {{R}_{td}}=\frac{{{U}_{m}}}{{{I}_{m}}}=\frac{21}{0,5}=42\Omega\)
\(\Rightarrow {{R}_{b}}={{R}_{td}}-{{R}_{d}}=42-18=24\Omega\).
Bài tập 2: Một biến trở làm bằng hợp kim Nicrom có điện trở suất
\(\rho =1,{{1.10}^{-6}}\Omega .m\), tiết diện dây
\(S=0,55m{{m}^{2}}\) chiều dài dây l = 10m. Hiệu điện thế lớn nhất được đặt vào hai đầu biến trở là 24V. Số ghi giá trị biến trở và cường độ dòng điện trên biến trở là bao nhiêu?
Hướng dẫn giải
Điện trở của biến trở là:
\(R=\rho .\frac{l}{S}=1,{{1.10}^{-6}}.\frac{10}{0,{{55.10}^{-6}}}=20\Omega\)
Cường độ dòng điện chạy qua biến trở là:
\(I=\frac{U}{R}=\frac{24}{20}=1,2A\).
Bài tập 3: Trên một biến trở con chạy có ghi
\(20\Omega -2A\). Dây biến trở làm bằng Nicrom có điện trở suất
\(\rho =1,{{1.10}^{-6}}\Omega .m\), đường kính tiết diện
\(d=0,8m{{m}^{2}}\) quấn quanh một lõi sứ hình trụ đường kính D = 2.5cm.
a. Tính số vòng dây quấn của biến trở.
b. Tính hiệu điện thế lớn nhất được phép đặt lên hai đầu của biến trở.
Hướng dẫn giải
Tiết diện của dây dẫn là:
\(S=\frac{\pi .{{d}^{2}}}{4}=\frac{3,14.{{\left( {{8.10}^{-4}} \right)}^{2}}}{4}\approx 5,{{024.10}^{-2}}\left( {{m}^{2}} \right)\)
Chiều dài của dây dẫn
\(l=\frac{R.S}{\rho }=\frac{20.5,{{024.10}^{-2}}}{1,{{1.10}^{-6}}}=9,13m\)
Chu vi của lõi sứ
\(C=\pi .c=3,14.0,025\approx 0,0785m\)
Số vòng dây quấn
\(n=\frac{l}{C}=\frac{9,13}{0,0785}=116\) vòng
Hiệu điện thế lớn nhất là:
\({{U}_{\max }}={{I}_{b}}.{{R}_{b}}=2.20=40V\)
Bài tập 4: Một máy biến thế được thiết kế cuộn dây sơ cấp gồm 10000 vòng, hiệu điện thế đặt vào 2 đầu cuộn sơ cấp là 110V, hiệu điện thế lấy ra là 220V. Tính số vòng dây cuộn thứ cấp.
Hướng dẫn giải
Ta có:
\(\frac{{{U}_{1}}}{{{U}_{2}}}=\frac{{{N}_{1}}}{{{N}_{2}}}\)
\(\Rightarrow {{N}_{2}}=\frac{{{U}_{2}}.{{N}_{1}}}{{{U}_{1}}}=\frac{220.10000}{110}=2000\) vòng.
Bài tập 5: Một biến trở có điện trở lớn nhất là
\(150\Omega\) làm bằng dây hợp kim Nikelin có điện trở suất là
\(0,{{4.10}^{-6}}\Omega .m\), có tiết diện bằng
\(1,6m{{m}^{2}}\).
a. Tính chiều dài của dây.
b. Một bóng đèn khi sáng bình thường thì
\(I=1,25A,R=50\Omega\), mắc nối tiếp với biến trở trên vào U = 90V. Điều chỉnh biến trở có giá trị R đến bao nhiêu để đèn sáng bình thường?
Hướng dẫn giải
a. Ta có:
\(R=\rho .\frac{l}{S}\)
\(\Rightarrow 150=0,{{4.10}^{-6}}.\frac{l}{1,{{6.10}^{-6}}}\Rightarrow l=600m\)
b.
\({{U}_{d}}={{I}_{d}}.{{R}_{d}}=1,25.50=62,5\Omega\)
Vì đèn được mắc nối tiếp với biến trở nên:
\({{U}_{d}}+{{U}_{b}}=U\)
\(\Rightarrow {{U}_{b}}=U-{{U}_{d}}=90-62,5=27,5V\)
Để đèn sáng bình thường thì
\({{I}_{d}}={{I}_{b}}=1,25A\)
\(\Rightarrow {{R}_{b}}=\frac{{{U}_{b}}}{{{I}_{b}}}=\frac{27,5}{1,25}=22\Omega\).
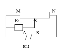
Bài tập 6: Cho mạch điện như hình 11.

MN là một sợi dây đồng chất tiết diện đều có điện trở R = 10
\(\Omega\); Ro= 3
\(\Omega\) . Hiệu điện thế UAB= 12V.
Khi con chạy C ở vị trí mà MC=0,6m. Tính điện trở MC của biến trở, tính hiệu điện thế giữa hai điểm AC.
Hướng dẫn giải
Điện trở R1 của đoạn MC của biến trở:
\(\frac{R_{1}}{R} =
\frac{\rho.l_{1}S}{\rho.l.S} = \frac{MC}{MN} = \frac{0,6}{1} =
0,6\)
=> R1 = 0,6R = 0,6.10 = 6
\(\Omega\)
Điện trở R2 của đoạn CN của biến trở:
R2 = R – R1 = 10 – 6 = 4
\(\Omega\)
Điện trở tương đương của đoạn AC
\(R_{AC} = \frac{R_{1.}R_{0}}{R_{1} +
R_{0}} = \frac{6.3}{6 + 3} = 2\ \Omega\)
Điện trở tương đương của đoạn mạch AB
RAB = RAC + RCM = 2 + 4 = 6
\(\Omega\)
Cường độ dòng điện qua mạch chính:
\(I =
\frac{U_{AB}}{R_{AB}} = \frac{12}{6} = 2A\)
Hiệu điện thế giữa hai điểm AC: UAC = RAC .I = 2.2 = 4V
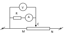
Bài tập 7: Cho mạch điện có sơ đồ như hình vẽ bên.

Điện trở toàn phần của biến trở là Ro, điện trở của vôn kế rất lớn. Bỏ qua điện trở của ampe kế, các dây nối và sự phụ thuộc của điện trở vào nhiệt độ. Duy trì hai đầu mạch một hiệu điện thế U không đổi. Lúc đầu con chạy C của biến trở đặt gần phía M. Hỏi số chỉ của các dụng cụ đo sẽ thay đổi như thế nào khi dịch chuyển con chạy C về phía N? Hãy giải thích tại sao?
Hướng dẫn giải:
Khi dịch chuyển con chạy C của biến trở về phía N thì số chỉ của các dụng cụ đo sẽ tăng. (nếu không giải thích đúng thì không cho điểm ý này)
Giải thích:
Gọi x là phần điện trở của đoạn MC của biến trở; IA và UV là số chỉ của ampe kế và vôn kế.
Điện trở tương đương của đoạn mạch:
Rm = (Ro – x) +
\(\frac{xR_{1}}{x + R_{1}}\)
<=> Rm
\(= R -
\frac{x^{2}}{x + R_{1}}\) = R –
\(\frac{1}{\frac{1}{x} +
\frac{R_{1}}{x^{2}}}\)
Khi dịch con chạy về phía N thì x tăng => (
\(\frac{1}{\frac{1}{x} +
\frac{R_{1}}{x^{2}}}\)) tăng => Rm giảm
=> cường độ dòng điện mạch chính: I = U/Rm sẽ tăng (do U không đổi).
Mặt khác, ta lại có:
\(\frac{I_{A}}{x} =
\frac{I - I_{A}}{R} = \frac{I}{R + x}\)
=> IA =
\(\frac{I.x}{R + x} = \frac{I}{1 +
\frac{R}{x}}\)
Do đó, khi x tăng thì (1 +
\(\frac{R}{x})\)giảm và I tăng (c/m ở trên) nên IA tăng.
Đồng thời UV = IA.R cũng tăng (do IA tăng, R không đổi)
-------------------------------------------------------
Qua chuyên đề bài tập Vật lý 9 Bài 10: Biến trở – Điện trở dùng trong kĩ thuật, học sinh không chỉ nắm vững lý thuyết mà còn rèn luyện khả năng phân tích, tính toán và giải thích hiện tượng thực tế. Đây là nền tảng quan trọng để các em tự tin hơn trong các bài kiểm tra, bài thi học kỳ cũng như ôn tập kiến thức cho những lớp học cao hơn.
Hy vọng rằng với phần hệ thống lý thuyết, phương pháp giải cùng các bài tập Vật lý 9 có đáp án chi tiết, các em sẽ dễ dàng tiếp cận, luyện tập và nâng cao kỹ năng làm bài. Hãy kết hợp học lý thuyết với giải bài tập đa dạng để đạt kết quả tốt nhất và khai thác tối đa ứng dụng thực tế của biến trở trong đời sống cũng như trong kỹ thuật.