Khoa học tự nhiên 9 Chân trời sáng tạo bài: Ôn tập chủ đề 3
Giải KHTN 9 Chân trời sáng tạo: Ôn tập chủ đề 3
Giải bài tập Khoa học tự nhiên lớp 9 bài Ôn tập chủ đề 3 hướng dẫn giải bài tập trong SGK Khoa học tự nhiên 9 Chân trời sáng tạo trang 54, giúp học sinh xem và so sánh lời giải từ đó biết cách làm bài tập môn KHTN 9.
Bài 1 trang 54 Khoa học tự nhiên 9:
Lời giải:
Điện trở của đoạn dây điện là:
\(R = \rho \frac{l}{S} = \frac{{1,{{7.10}^{ - 8}}.20}}{{2,{{5.10}^{ - 6}}}}{\rm{ }} = {\rm{ }}13,6.\;{10^{ - 2}}{\rm{ }}\Omega\)
Bài 2 trang 54 Khoa học tự nhiên 9
Trên nhãn đèn 1 có ghi 220 V – 40 W và đèn 2 có ghi 220 V – 20 W.
a) Tính năng lượng điện mà mỗi đèn tiêu thụ khi sử dụng ở hiệu điện thế 220 V trong 1 giờ.
b) Tính tổng công suất điện của hai đèn tiêu thụ và nêu nhận xét về độ sáng của mỗi đèn trong hai trường hợp:
- Mắc song song hai đèn vào hiệu điện thế 220 V.
- Mắc nối tiếp hai đèn vào hiệu điện thế 220 V.
Lời giải:
a) Trong 1 giờ, năng lượng điện mà đèn 1 tiêu thụ được là:
W1 = P1t = 40.1 = 40 Wh
Trong 1 giờ, năng lượng điện mà đèn 2 tiêu thụ được là:
W2 = P2t = 20.1 = 20 Wh
b) Điện trở của đèn 1 là:
R1 = U12/P1 = 2202/40 = 1 210 Ω
Điện trở của đèn 2 là:
R2 = U22/P2 = 2202/20 = 2 420 Ω
TH1: hai đèn mắc song song.
Khi đó hiệu điện thế qua mỗi đèn đúng bằng hiệu điện thế định mức của từng đèn.
Tổng công suất tiêu thụ của hai đèn là:
P = UI = U(I1 + I2) = P1 + P2 = 40 + 20 = 60 W
TH2: hai đèn mắc nối tiếp.
Hai đèn mắc nối tiếp nên U = U1 + U2; I = I1 = I2
Điện trở tương đương của mạch là:
Rtđ = R1 + R2 = 1210 + 2420 = 3 630 Ω
Cường độ dòng điện qua mỗi bóng đèn là:
I = I1 = I2 = U/Rtđ = 220/3630 = 0,06 A
Công suất tiêu thụ của hai bóng là:
P = UI = 220.0,06 = 13,3 W
Bài 3 trang 54 Khoa học tự nhiên 9
Trên nhãn một bếp điện có ghi 220 V – 800 W.
a) Để bếp điện hoạt động bình thường thì hiệu điện thế đặt vào bếp điện phải bằng bao nhiêu? Tính cường độ dòng điện chạy qua bếp điện khi đó.
b) Tính năng lượng điện mà bếp điện tiêu thụ khi hoạt động liên tục trong 45 phút theo đơn vị J và số đếm tương ứng của đồng hồ đo điện năng.
Lời giải:
a) Để bếp điện hoạt động bình thường thì hiệu điện thế đặt vào bếp điện phải nhỏ hơn hoặc bằng 220 V.
Khi đó, cường độ dòng điện chạy qua bếp điện là:
\(I = \frac{{{P_{dm}}}}{{{U_{dm}}}} = \frac{{800}}{{220}} = 3,64{\rm{ }}A\)
b) 45 phút = 0,75 h
Trong 45 phút, năng lượng tiêu thụ của bếp điện là:
W = Pt = 800.0,75 = 600 Wh = 0,6 kWh
Số đếm trên đồng hồ điện năng là 0,6 kWh
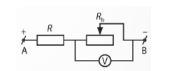
Bài 4 trang 54 Khoa học tự nhiên 9
Lời giải:
Mạch AB có hai điện trở mắc nối tiếp:
=> IAB = I = Ib ; UAB = U + Ub.
Chỉ số trên vôn kế là Ub.
\({U_b} = {U_{AB}} - U = {U_{AB}} - IR = {U_{AB}} - \frac{{{U_{AB}}}}{{{R_{td}}}}R = {U_{AB}}\left( {1 - \frac{R}{{R + {R_b}}}} \right) = 12\left( {1 - \frac{{10}}{{10 + {R_b}}}} \right)\)
Số chỉ nhỏ nhất và lớn nhất của vôn kế là:
\({U_{b\min }} = {U_{AB}} - U = {U_{AB}} - IR = {U_{AB}} - \frac{{{U_{AB}}}}{{{R_{td}}}}R = {U_{AB}}\left( {1 - \frac{R}{{R + {R_b}}}} \right) = 12\left( {1 - \frac{{10}}{{10 + 40}}} \right) = 9,6{\rm{ V}}\)
Số chỉ nhỏ nhất và lớn nhất của vôn kế là:
\({U_{bmax}} = {U_{AB}} - U = {U_{AB}} - IR = {U_{AB}} - \frac{{{U_{AB}}}}{{{R_{td}}}}R = {U_{AB}}\left( {1 - \frac{R}{{R + {R_b}}}} \right) = 12\left( {1 - \frac{{10}}{{10 + 0}}} \right) = 0\)
Bài 5 trang 54 Khoa học tự nhiên 9
Cho đoạn mạch điện AB như hình bên. Biết UAB = 6 V, R1 = 4 Ω, R2 = 6 Ω.
a) Xác định số chỉ của ampe kế.
b) Tính công suất điện của đoạn mạch điện AB.

Lời giải:
a) Điện trở tương đương của mạch AB là:
\(\frac{1}{{{R_{AB}}}} = \frac{1}{{{R_1}}} + \frac{1}{{{R_2}}} = \frac{1}{4} + \frac{1}{6} = 0,42\)
=> RAB = 2,4 Ω
Cường độ dòng điện đi qua mạch AB là:
\({I_{AB}} = \frac{{{U_{AB}}}}{{{R_{AB}}}} = \;\frac{6}{{2,4}} = 2,5{\rm{ }}{A_{}}\)
Vậy số chỉ trên ampe kế là 2,5 A.
b) Công suất điện của đoạn mạch điện AB là:
P = UABIAB = 6.2,5 = 15 W
>>>> Bài tiếp theo: Khoa học tự nhiên 9 Chân trời sáng tạo bài 12